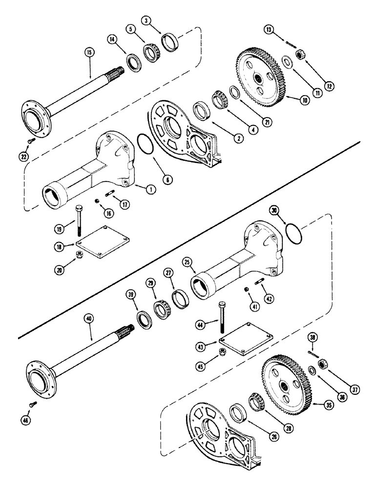
Запчасти Case 680CK (107A) - REAR AXLE, W/5/8" LUG BOLTS (27) - REAR AXLE SYSTEM

Схема запчастей Case 680CK - (107A) - REAR AXLE, W/5/8" LUG BOLTS (27) - REAR AXLE SYSTEM
FIT
1:1
100%

Артикул

Название

Примечание

Количество

1

A38254

HOUSING AXLE

2шт.

2

A26744

BEARING CUP,110.025 mm OD x 18.875 mm

CUP - bearing, inner

2шт.

3

A37158

BEARING CUP

CUP - bearing, outer

2шт.

4

A38257

ROLLER BEARING,2.4375" ID x 0.866"

CONE - bearing, inner

2шт.

5

A37157

ROLLER BEARING,2.625" ID x 1"

CONE - bearing, outer

2шт.

6

G10347

O-RING,0.139" Thk x 4.984" ID, -250, Cl 5, 75 Duro

"O" RING - housing, inner, 5 x 5-1/4 x 1/8"

2шт.

10

A38256

GEAR WHEEL

GEAR ASSY. - final drive

2шт.

11

A38258

WASHER

- axle, take-up, 1-25/32 x 3-1/4 x 1/4"

2шт.

12

A38259

NUT - drive gear retaining, 1-3/4" N.F. sltd.

2шт.

13

132-187

COTTER PIN,5/16" x 3"

Pin, Split (Cotter), , Nut 5/16" x 3"

2шт.

14

G13822

SEAL,73.66mm ID x 110.13mm OD x 11mm Thk

- oil, axle, outer 3 x 4-11/32 x 1/2"

2шт.

15

A38255

SHAFT

AXLE - rear

2шт.

16

25-1010

NUT,5/8"-11, G5

Housing stud 5/8"-11, G5

10шт.

17

A37143

STUD

- axle housing to transmission case

10шт.

18

L12267

PLATE - rear axle mounting

2шт.

19

116-701

BOLT

- 3/4 x 8-1/2" N.F. hex.

8шт.

20

131-186

LOCK NUT,3/4"-16, GB

NUT - Esna, 3/4" N.F. hex.

8шт.

21

A31185

WASHER

- thrust, 2-29/64 x 3-1/4 x 1/8"

2шт.

22

A38208

WHEEL BOLT,5/8-18 UNF Class 2A

- 5/8 x 1-1/2" N.F. hex., lug

16шт.

25

A37156

HOUSING ASSY. - axle, W/9/16" lug bolts

2шт.

26

G10415

BEARING CUP

CUP - bearing inner, W/9/16" lug bolts

1шт.

27

A37158

BEARING CUP

CUP - bearing, outer, W/9/16" lug bolts

1шт.

28

G10414

ROLLER BEARING

CONE - bearing, inner, W/9/16" lug bolts

2шт.

29

A37157

ROLLER BEARING,2.625" ID x 1"

CONE - bearing, outer, W/9/16" lug bolts

2шт.

30

G10347

O-RING,0.139" Thk x 4.984" ID, -250, Cl 5, 75 Duro

"O" RING - hsg. inner (5 x 5-1/4 x 1/8"), W/9/16" lug bolts

2шт.

35

A37159

GEAR WHEEL

GEAR ASSY. - final drive, W/9/16" lug bolts

2шт.

36

F62105

WASHER,38.89mm ID x 69.85mm OD x 6.35mm Thk

- axle take-up (1-17/32 x 2-3/4 x 1/4"), W/9/16" lug bolts

2шт.

37

A30075

WHEEL NUT

- drive gear ret. (1-1/2" N.F. sltd.), W/9/16" lug bolts

2шт.

38

132-157

COTTER PIN,Ext Prong Sq Cut, 1/4" x 2 1/2"

Pin, Split (Cotter), , Nut, w/9/16" lug bolts 1/4" x 2 1/2"

2шт.

39

G13822

SEAL,73.66mm ID x 110.13mm OD x 11mm Thk

- oil, axle, outer (3 x 4-11/32 x 1/2"), W/9/16" lug bolts

2шт.

40

A57374

CENTER AXLE

AXLE - rear, W/9/16" lug bolts

2шт.

41

25-1010

NUT,5/8"-11, G5

Housing stud, w/ 9/16" lug bolts 5/8"-11, G5

10шт.

42

A37143

STUD

- axle housing to trans. case, W/9/16" lug bolts

10шт.

43

L12267

PLATE - rear axle mtg., W/9/16" lug bolts

2шт.

44

116-701

BOLT

- (3/4 x 8-1/2" N.F. hex.), W/9/16" lug bolts

8шт.

45

131-186

LOCK NUT,3/4"-16, GB

NUT - Esna (3/4" N.F. hex.), W/9/16" lug bolts

8шт.

46

L13538

WHEEL BOLT

- 9/16 x 1-9/32" N.F. hex., lug, W/9/16" lug bolts

16шт.

Выбрано товаров: 37