Запчасти Case 680CK (226) - L13755 LOADER CONTROL VALVE - 2 SPOOL (35) - HYDRAULIC SYSTEMS

Схема запчастей Case 680CK - (226) - L13755 LOADER CONTROL VALVE - 2 SPOOL (35) - HYDRAULIC SYSTEMS
FIT
1:1
100%

Артикул

Название

Примечание

Количество

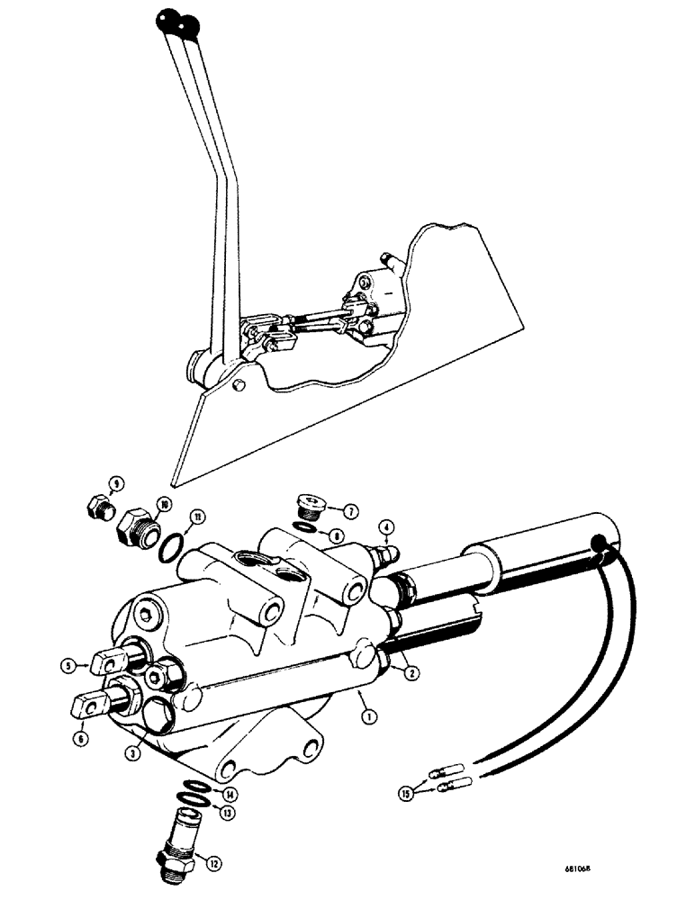
1

L13755

X

VALVE - loader control, two spool

1шт.

2

NSS

NOT SOLD SEPARAT

VALVE - secondary relief, Parts list Figure 236

3шт.

3

NSS

NOT SOLD SEPARAT

VALVE - check, Parts list Figure 236

1шт.

4

NSS

NOT SOLD SEPARAT

VALVE - main relief, Parts list Figure 234

1шт.

5

L30954

SPOOL

- three position, with solenoid, Parts list Figure 232

1шт.

L30640

SPOOL - three position, with solenoid, Parts list Figure 232

1шт.

L30955

SPOOL

- three position, with solenoid, Parts list Figure 232

1шт.

L30956

SPOOL

- three position, with solenoid, Parts list Figure 232

1шт.

6

L30962

KIT

SPOOL - four position (When stock is exhausted, order L32150 spool for service), Parts list Figure 230

1шт.

L32150

SPOOL

- four position, Parts list Figure 230

1шт.

L30963

SPOOL - four position (When stock is exhausted, order L32151 spool for service), Parts list Figure 230

1шт.

L32151

SPOOL

- four position, Parts list Figure 230

1шт.

L30964

KIT

SPOOL - four position (When stock is exhausted, order L32152 spool for service), Parts list Figure 230

1шт.

L32152

SPOOL

- four position, Parts list Figure 230

1шт.

L30965

SPOOL - four position (When stock is exhausted, order L32153 spool for service), Parts list Figure 230

1шт.

L32153

SPOOL

- four position, Parts list Figure 230

1шт.

7

71100209

PLUG,Hex Soc, 3/4"-16 ORB

Valve port Hex Soc, 3/4"-16 ORB

1шт.

9

L30683

X

PLUG - pressure check adapter

1шт.

10

D38825

ADAPTER

- pressure check

1шт.

11

218-5008

O-RING,0.116" Thk x 0.924" ID, -912, Cl 6, 90 Duro

SEAL - "O"ring, adapter

1шт.

12

L30446

FITTING

CONNECTOR - power beyond

1шт.

13

218-5010

O-RING,0.116" Thk x 1.171" ID, -916, Cl 6, 90 Duro

SEAL - "O"ring, connector (Large)

1шт.

14

A25590

O-RING,15" ID x 1 1" OD x 3/32"

SEAL - "O"ring, connector (Small) (Replaces A25590)

1шт.

15

L11778

CONNECTOR, ELEC

TERMINAL - electrical, bullet type

2шт.

8

218-5006

O-RING,0.087" Thk x 0.644" ID, -908, Cl 6, 90 Duro

SEAL - "O"ring, plug

1шт.

Выбрано товаров: 0