Запчасти Case 680CK (186) - REAR COUNTERWEIGHT (39) - FRAMES AND BALLASTING

Схема запчастей Case 680CK - (186) - REAR COUNTERWEIGHT (39) - FRAMES AND BALLASTING
FIT
1:1
100%

Артикул

Название

Примечание

Количество

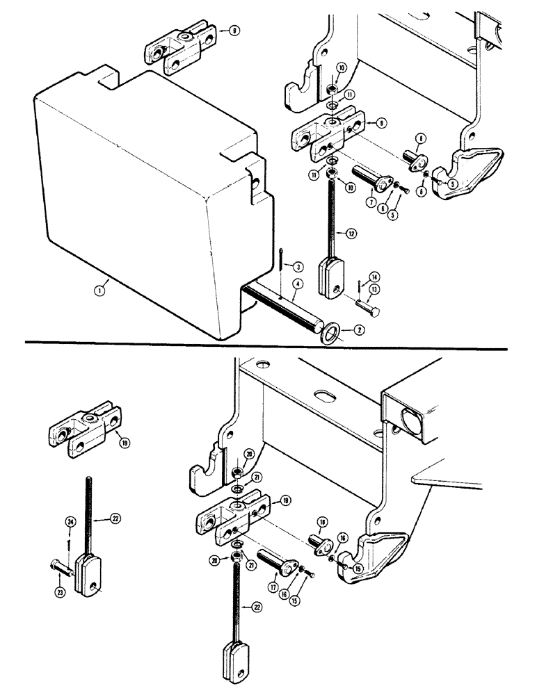
1

L10906

COUNTERWEIGHT - rear, 2700 lbs.

1шт.

2

95-32

WASHER,2 1/8" x 4 1/2" x .179"

- standard wrot (2")

2шт.

4

L10907

SHAFT - counterweight support

1шт.

5

13-816

BOLT,Hex, 1/2" - 13 x 1", Gr 5, Full Thd

4шт.

8

L11510

AXLE PIN

PIN - counterweight mounting, at chassis

2шт.

9

L11514

STRAP

BRACKET - counterweight mounting

2шт.

10

25-1016

NUT,1"-8, G5

4шт.

11

92-16

LOCK WASHER,1"

WASHER, LOCK, 1"

4шт.

12

L11512

ROD

TENSION ROD -, Serial Range: chassis-bracket

2шт.

13

L10994

AXLE PIN

PIN - tension rod at chassis

2шт.

14

132-99

COTTER PIN,3/16" x 2"

Pin, Split (Cotter), 3/16" x 2"

2шт.

15

13-816

BOLT,Hex, 1/2" - 13 x 1", Gr 5, Full Thd

Backhoe mounting parts Hex, 1/2"-13 x 1", G5, Full Thd

4шт.

16

92-8

LOCK WASHER,1/2"

backhoe mounting parts 1/2"

4шт.

17

L11504

LARGE PIN

PIN - backhoe mounting, at backhoe, parts

2шт.

18

L11510

AXLE PIN

PIN - backhoe mounting, at chassis, parts

2шт.

19

L11514

STRAP

BRACKET - backhoe mounting, backhoe mounting parts

2шт.

20

25-1016

NUT,1"-8, G5

Backhoe mounting parts 1"-8, G5

4шт.

21

92-16

LOCK WASHER,1"

WASHER, LOCK, , Backhoe mounting parts 1"

4шт.

22

L11512

ROD

TENSION ROD - chassis to bracket, backhoe mounting parts

2шт.

23

L10994

AXLE PIN

PIN - tension rod to chassis, backhoe mounting parts

2шт.

24

132-99

COTTER PIN,3/16" x 2"

Pin, Split (Cotter), , Backhoe mounting parts 3/16" x 2"

2шт.

Выбрано товаров: 21