Запчасти Case 680CK (058) - INSTRUMENTS AND WIRING

Схема запчастей Case 680CK - (058) - INSTRUMENTS AND WIRING
FIT
1:1
100%

Артикул

Название

Примечание

Количество

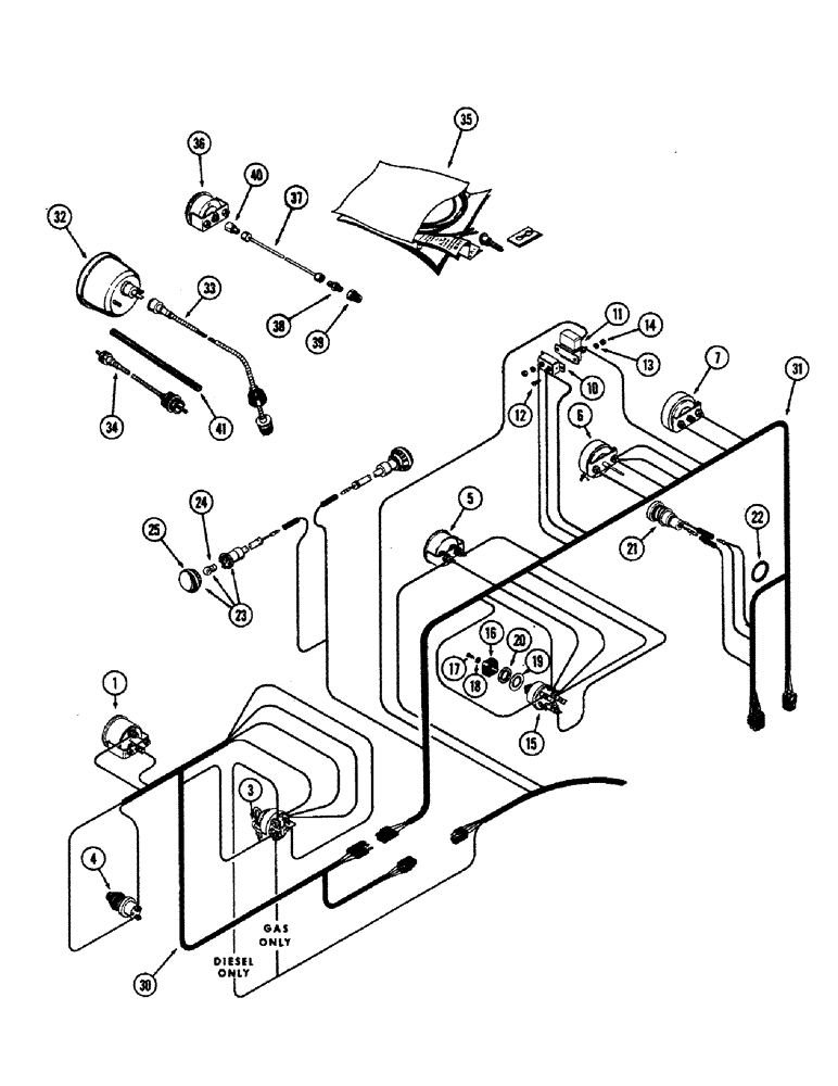
1

A13756

GAUGE

ASSY. - oil temp., converter

1шт.

2

A11373

SWITCH

- ignition & starter

1шт.

3

A20346

KEY

- ignition switch

1шт.

4

D34924

SWITCH

ASSY. - starter button

1шт.

5

A55699

ELECTRICAL GAUGE

GAUGE ASSY. - ammeter, (60 amp.)

1шт.

6

A19347

ELECTRICAL GAUGE

GAUGE ASSY. - water temp., engine

1шт.

7

A19346

ELECTRICAL GAUGE

GAUGE ASSY. - oil pressure, 12 volt

1шт.

10

L11342

BREAKER

- circuit, 25 amp.

1шт.

11

L11343

BREAKER

- circuit, 60 amp.

1шт.

12

173-262

X

SCREW - (#8-32 x 5/8" rd. mach.)

2шт.

13

192-16

LOCK WASHER,Helical Spring, #8, 0.17" ID, CST, ZND

Washer, Lock, #8

2шт.

14

129-16

NUT,#8-32

2шт.

15

L10376

SWITCH

LIGHT ASSY. - switch, 12 volts

1шт.

16

A20465

KNOB

- light switch

1шт.

17

A20468

SCREW,Spcl, #8 - 32 x 5/16"

- light switch, special hd.

1шт.

18

87812

LOCK WASHER,#8

Washer, Lock, #8

1шт.

19

193-63

LOCK WASHER,Int Tooth, 5/8"

WASHER - (5/8" internal type Shakeproof)

1шт.

20

A20467

NUT

- (11/16-28 hex.)

1шт.

21

L11344

WARNING LIGHT

LIGHT ASSY. - trouble indicator, eng. (See figure 74)

1шт.

22

L11345

GASKET

- trouble indicator, eng.

1шт.

23

L11347

LIGHT

LAMP ASSY. - panel

2шт.

24

L30466

LAMP

BULB

1шт.

25

L30467

LENS

ASSY.

1шт.

30

L11333

HARNESS - instrument panel, R. H.

1шт.

31

L11346

HARNESS - panel, L. H.

1шт.

32

A11190

TACHOMETER

GAUGE - tachometer assy.

1шт.

33

L11334

CABLE

ASSY. - tach., flex. drive (Diesel) (Incl. item 35)

1шт.

34

L11632

CABLE

ASSY. - tach., flex. drive (Gasoline) (Incl. item 35)

1шт.

35

A24523

KIT

CORE KIT - (cor, tip die & inst. sheet)

1шт.

36

A56447

ELECTRICAL GAUGE

GAUGE ASSY. - clutch pressure

1шт.

37

L11335

TUBE,60" L

- clutch pressure

1шт.

38

222-600

FITTING,5/16"-24 x 1/8 NPT, Comp

CONNECTOR - male (1/8" O.D. x 1/8" P.T.)

1шт.

39

221-1051

REDUCER,Hex, 1/4" x 1/8" NPT

BUSHING - (1/4 x 1/8" hex. reducing)

1шт.

205-18

X

PLUG - steel button (Diesel) (Not illust.)

1шт.

40

222-681

FITTING,5/16"-24 x 1/8" NPT Fem, Comp

COUPLING - female (1/8" O.D. x 1/8" P.T.)

1шт.

41

A19127

LOOM - tach. cable (Spark only) (8" long, split)

1шт.

Выбрано товаров: 36