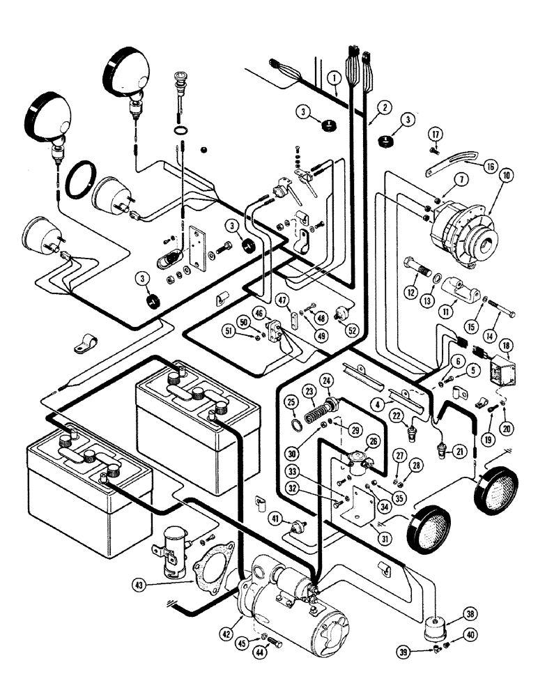
Запчасти Case 680CK (060) - ELECTRICAL EQUIPMENT AND WIRING, (267) DIESEL ENGINE

Схема запчастей Case 680CK - (060) - ELECTRICAL EQUIPMENT AND WIRING, (267) DIESEL ENGINE
FIT
1:1
100%

Артикул

Название

Примечание

Количество

1

L11355

HARNESS - wire, rear

1шт.

2

L11348

HARNESS - front main wiring

1шт.

3

A7808

GROMMET

- rubber

4шт.

4

A7532

CONDUIT - wire

1шт.

5

13-58

BOLT,Hex, 5/16" - 18 x 1/2", Gr 5

2шт.

6

92-5

LOCK WASHER,5/16"

2шт.

7

129-17

NUT,Hex, #10 - 24

NUT - (#10 N.C. hex.)

3шт.

10

A41340

ALTERNATOR

- Motorola, 55 amp. (See figure 66)

1шт.

11

A34704

BRACKET

- alternator mtg.

1шт.

12

13-1244

BOLT,Hex, 3/4" - 10 x 2-3/4", Gr 5

1шт.

13

92-12

LOCK WASHER,3/4"

WASHER, LOCK, 3/4"

1шт.

14

13-652

BOLT,Hex, 3/8" - 16 x 3-1/4", Gr 5

- (3/8 x 3-1/4" N. C. hex)

1шт.

15

92-6

LOCK WASHER,3/8"

1шт.

16

A34705

ADJUSTER

STRAP - alternator adj.

1шт.

17

193-514

SCREW,SEMS, Hex Hd, 5/16"-18 x 3/4"

- (5/16 - 18 x 3/4 indented hex.)

1шт.

18

L11351

REGULATOR

- voltage

1шт.

20

92-3

LOCK WASHER,#10

WASHER, LOCK, #10

3шт.

21

A21462

SENDER UNIT

SENDING - UNIT - water temp. gauge

1шт.

22

L11350

SENDER UNIT

SENDING UNIT - water temp. ind. lite

1шт.

23

A37775

HEATER

ASSY. - manifold

1шт.

24

129-503

NUT,1/4"-20, Brass

1шт.

25

A20916

MANIFOLD GASKET

GASKEt - manifold heater

1шт.

26

A57069

SOLENOID

- manifold heater, 12 volts (Replaces A21481)

1шт.

27

92-5

LOCK WASHER,5/16"

2шт.

28

25-115

NUT,5/16"-24, G5

- 5/16" NF hex

2шт.

29

92-3

LOCK WASHER,#10

WASHER, LOCK, #10

1шт.

30

129-27

NUT,Hex, #10 - 32

- ($10 N. F. hex.)

1шт.

31

L11520

BRACKET - solenoid mtg.

1шт.

32

113-3

BOLT,Hex, 1/4" - 20 x 3/4", Gr 5

(Solenoid mtg.) Hex, 1/4"-20 x 3/4", G5, Full Thd

2шт.

33

195-518

WASHER,1/4", SAE

2шт.

34

192-19

LOCK WASHER,Helical Spring, 0.256" ID, CST, ZND

WASHER, LOCK, 1/4"

2шт.

35

7770

NUT,Hex, 1/4 - 20, Cl 5

1/4"-20, G5

2шт.

38

A35031

SENDER UNIT

SENDING UNIT - eng. oil press. gauge A

1шт.

39

221-1411

ELBOW,90 Degree, 1/8"-27, NPT

- oil sending (90 degrees)

1шт.

40

221-1052

PLUG

BUSHING - reducing, pipe

1шт.

41

A13794

TRANSMITTER

SENDING UNIT - eng. oil press. ind. lite

1шт.

42

A21281

STARTING MOTOR

MOTOR ASSY. - starter (Repairs, see P. 68)

1шт.

43

A27933

GASKET

- starting motor

1шт.

44

13-844

BOLT,Hex, 1/2" - 13 x 2-3/4", Gr 5

Hex, 1/2"-13 x 2 3/4", G5

1шт.

44

A10009

SCREW,Stud, Hex, 1/2" - 13 x 1 1/4", Nylon Insert

BOLT - w/nylock insert

2шт.

45

92-8

LOCK WASHER,1/2"

3шт.

46

L11349

SWITCH

ASSY. - neutral start

1шт.

REF#46 SWITCH IS LEVER TYPE.FOR A ROLLER TYPE USE L54683. 8/30/96

1шт.

47

L11524

SPACER - neutral start switch

1шт.

48

173-69

SCREW - (#6-32 x 1-1/2" rd. hd. mach.)

2шт.

49

195-6

WASHER,#6

- ( plain) #6

2шт.

50

192-5

LOCK WASHER,#6

WASHER, LOCK, #6

2шт.

51

129-5

NUT,#6-32

2шт.

52

A13795

SENDER UNIT

GAUGE - sending unit, conv. oil temp.

1шт.

Выбрано товаров: 49