Запчасти Case 680CK (062) - ELECTRICAL EQUIPMENT AND WIRING, (251) SPARK IGNITION ENGINE

Схема запчастей Case 680CK - (062) - ELECTRICAL EQUIPMENT AND WIRING, (251) SPARK IGNITION ENGINE
FIT
1:1
100%

Артикул

Название

Примечание

Количество

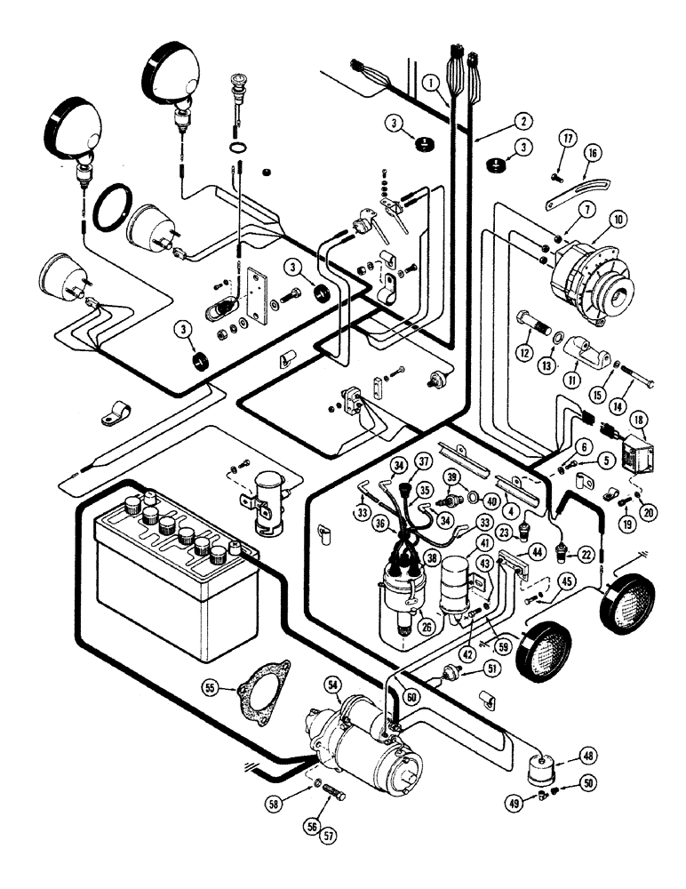
1

L11355

HARNESS - wire, rear

1шт.

2

L11348

HARNESS - front, main wiring

1шт.

3

A7808

GROMMET

- rubber

4шт.

4

A7532

CONDUIT - wire

1шт.

5

13-58

BOLT,Hex, 5/16" - 18 x 1/2", Gr 5

2шт.

6

92-5

LOCK WASHER,5/16"

2шт.

7

129-17

NUT,Hex, #10 - 24

NUT - (#10 N.C. hex.)

3шт.

10

A41340

ALTERNATOR

- Motorola, 55 amp. (See figure 66)

1шт.

11

A34704

BRACKET

- alternator mtg.

1шт.

12

13-1244

BOLT,Hex, 3/4" - 10 x 2-3/4", Gr 5

1шт.

13

92-12

LOCK WASHER,3/4"

WASHER, LOCK, 3/4"

1шт.

14

13-652

BOLT,Hex, 3/8" - 16 x 3-1/4", Gr 5

- (3/8 x 3-1/4" N. C. hex)

1шт.

15

92-6

LOCK WASHER,3/8"

1шт.

16

A34705

ADJUSTER

STRAP - alternator adj.

1шт.

17

193-514

SCREW,SEMS, Hex Hd, 5/16"-18 x 3/4"

- (5/16-18 x 3/4" indented hex)

1шт.

18

L11351

REGULATOR

- voltage

1шт.

19

165-20

HEX SOC SCREW,#10 - 24 x 3/8"

SCREW - (#10-24 x 3/8" hex. sckt. hd. cap)

3шт.

20

92-3

LOCK WASHER,#10

WASHER, LOCK, #10

3шт.

22

A21462

SENDER UNIT

SENDING UNIT - water temp. gauge (Replaces A13796)

1шт.

23

L11350

SENDER UNIT

SENDING UNIT - water temp. ind. lite

1шт.

26

A24508

DISTRIBUTOR

ASSY. - (Prestolite or Autolite #4402) (See figure 72)

1шт.

26

A57081

DISTRIBUTOR

ASSY. - (Prestolite or Autolite #4404) (See figure 73A)

1шт.

26

A24506

DISTRIBUTOR

ASSY. - (Prestolite or Autolite #4403) (See figure 73C) (Use A57081 dist. & A57086 coupling kit.)

1шт.

33

A20143

ELECTRICAL WIRE

WIRE - dist. to #1 & #4 spark plugs (15" long)

2шт.

34

A21044

SHAFT

WIRE - dist. to #2 & #3 spark plugs (11" long)

2шт.

35

A29180

CABLE

WIRE -, Serial Range: distributor-coil

1шт.

36

A23258

RING - tie, ignition wires

1шт.

37

G46803

BOOT

NIPPLE - hi-tension wire (Ign,. coil)

1шт.

38

A29338

COVER

NIPPLE - hi-tension wires (Distributor)

5шт.

39

G44840

SPARK PLUG

ASSY.

4шт.

40

G46839

GASKET

- spark plug

1шт.

41

A40778

COIL

ASSY. - ignition, 12 volts

1шт.

REF#41 COIL ASSY IS A 6 VOLT.NOTE,CAN USE ON 12 VOLT SYSTEM WITH A24504 RESISTOR/ 8/30/96

1шт.

42

75-510

HANDBOOK

SCREW - (5/16 x 5/8" N. C. rd. hd. mach.)

2шт.

43

193-45

WASHER,Ext-Int Tooth, 5/16"

- (5/16" ext.-int. Shakeproof)

2шт.

44

A24504

RESISTOR

- primary circuit, 12 volts

1шт.

45

113-2

BOLT,Hex, 1/4" - 20 x 5/8", Gr 5

Resistor Hex, 1/4"-20 x 5/8", G5, Full Thd

2шт.

48

A35031

SENDER UNIT

SENDING UNIT - eng. oil press. gauge A

1шт.

49

221-1411

ELBOW,90 Degree, 1/8"-27, NPT

- oil send. (90 degress)

1шт.

50

221-1052

PLUG

BUSHING - pipe, reducing

1шт.

51

A13794

TRANSMITTER

SENDING UNIT - eng. oil press. ind. lite

1шт.

54

A57092

X

STARTER ASSY. - (Delco Remy #1108340) (See figure 70)

1шт.

54

A20873

STARTER ASSY. - (Delco Remy #1107877) (See figure 71A) (Order A57092)

1шт.

55

A27933

GASKET

- starting motor

1шт.

56

13-844

BOLT,Hex, 1/2" - 13 x 2-3/4", Gr 5

Hex, 1/2"-13 x 2 3/4", G5

1шт.

57

A10009

SCREW,Stud, Hex, 1/2" - 13 x 1 1/4", Nylon Insert

BOLT - w/nylock insert

2шт.

58

92-8

LOCK WASHER,1/2"

3шт.

59

A8743

WIRE - resistor to coil (8", white)

1шт.

60

A28015

WIRE - resistor to starter solenoid, "R" term. (13", white)

1шт.

Выбрано товаров: 49