Запчасти Case 680CK (063A) - ELECTRICAL EQUIPMENT AND WIRING (CONTD), (251) SPARK IGNITION ENGINE

Схема запчастей Case 680CK - (063A) - ELECTRICAL EQUIPMENT AND WIRING (CONTD), (251) SPARK IGNITION ENGINE
FIT
1:1
100%

Артикул

Название

Примечание

Количество

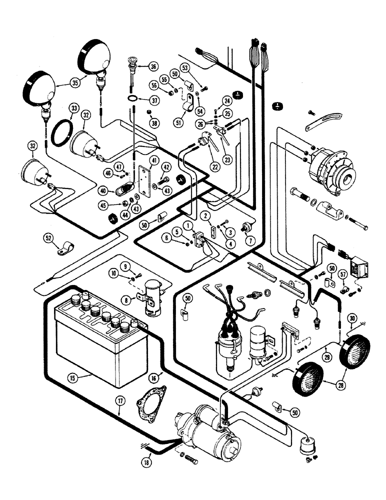
1

L11349

SWITCH

ASSY. - neutral start

1шт.

2

L11524

SPACER - neutral start switch

1шт.

REF#1 THE SWITCH IS A LEVER TYPE.NOTE, FOR A ROLLER TYPE USE L54683 8/30/96

1шт.

3

173-69

SCREW - (#6-32 x 1-1/2" rd. hd. mach.)

2шт.

4

195-6

WASHER,#6

- ( plain) #6

2шт.

5

192-5

LOCK WASHER,#6

WASHER, LOCK, #6

2шт.

6

129-5

NUT,#6-32

2шт.

7

A13795

SENDER UNIT

GAUGE - sending unit, conv. oil temp.)

1шт.

8

L11122

FUEL PUMP

PUMP ASSY. - fuel (See figure 50)

1шт.

9

13-48

BOLT,Hex, 1/4" - 20 x 1/2", Gr 5

Fuel pump Hex, 1/4"-20 x 1/2", G5, Full Thd

2шт.

10

92-4

LOCK WASHER,1/4"

WASHER, LOCK, 1/4"

2шт.

15

A14759

X

BATTERY - (12 volt) (See figure 64)

1шт.

16

A27987

CABLE

- bat. (Pos. term.) to solenoid (41-1/2" long)

1шт.

17

L11362

CABLE - batt. (Neg. term.) to starter ground strap (48" long)

1шт.

18

L11363

CABLE - ground, (To frame) (15" long)

1шт.

22

A33976

SWITCH

- stop light, R.H.

1шт.

23

A33977

SWITCH

- stop light, L.H.

1шт.

24

173-237

SCREW,Sl Rnd Hd, #10 - 32 x 1/2"

- (#10-32 x 1/2" rd. hd. mach.)

4шт.

25

92-3

LOCK WASHER,#10

WASHER, LOCK, #10

4шт.

26

195-12

WASHER,#10

- () #10

8шт.

28

D30243

LAMP

HEAD LAMP ASSY. - (See figure 74) (Replaces L11354)

2шт.

29

L11352

ELECTRICAL WIRE

WIRE ASSY. - head lights

1шт.

30

A15941

ELECTRICAL WIRE

WIRE - ground, head lights

2шт.

32

L10741

STOP LIGHT

LIGHT - stop and tail, 12 volts (See figure 74)

2шт.

33

L11521

MOULDING - tail light

2шт.

35

L11357

LIGHT

- rear (See figure 74)

2шт.

36

L11344

WARNING LIGHT

LIGHT - rear, eng. trouble ind. (See figure 74)

1шт.

37

L11345

GASKET

- light, eng. trouble ind.

1шт.

38

A17599

GROMMET,1/4" ID x 7/16" Groove Dia

- eng. trouble light (Replaces L11358)

1шт.

40

A8170

SOCKET

ASSY. - outlet, female

1шт.

41

L11544

PLATE - mtg., outlet socket

1шт.

42

413-632

BOLT,Hex, 3/8" - 16 x 2", Gr 5

- plate (3/8 x 1" N. C. hex.)

2шт.

43

95-6

WASHER,3/8"

- ( flat) 3/8"

4шт.

44

92-6

LOCK WASHER,3/8"

2шт.

45

25-106

NUT,3/8"-16, G5

- (3/8" N. C. hex.)

2шт.

46

165-20

HEX SOC SCREW,#10 - 24 x 3/8"

SCREW - socket (310-24 x 3/8" rd. hd.)

2шт.

47

92-3

LOCK WASHER,#10

WASHER, LOCK, #10

2шт.

50

A22880

CLIP

- harness

1шт.

51

49789

CLAMP

- backhoe return tube

2шт.

52

A10852

CLIP - floor support bolts (Replaces 49838)

4шт.

53

113-102

BOLT,Hex, 5/16" - 18 x 3/4", Gr 5

Hex, 5/16"-18 x 3/4", G5, Full Thd

2шт.

54

195-521

WASHER,5/16", SAE

- (5/16" plain)

2шт.

55

192-20

LOCK WASHER,Helical Spring, 0.318" ID, CST, ZND

WASHER, LOCK, 5/16"

2шт.

56

9635082

NUT,5/16" - 18, Gr 5

2шт.

57

A7922

CLIP

- rad. mtg. bolt

1шт.

Выбрано товаров: 45