Запчасти Case 680CK (090) - BRAKE CONTROLS (CONTD)

Схема запчастей Case 680CK - (090) - BRAKE CONTROLS (CONTD)
FIT
1:1
100%

Артикул

Название

Примечание

Количество

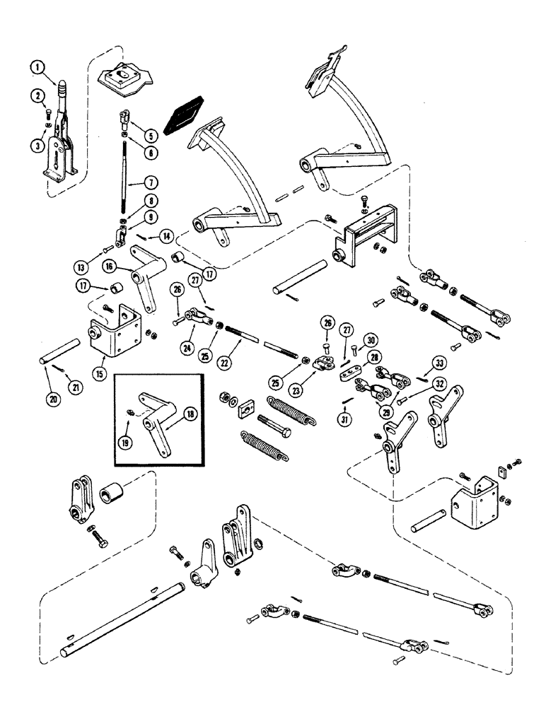
1

A17214

LEVER

- hand brake

1шт.

2

13-612

BOLT,Hex, 3/8" - 16 x 3/4", Gr 5, Full Thd

4шт.

3

92-6

LOCK WASHER,3/8"

4шт.

5

213-13

CLEVIS

YOKE - rod end adjusting

1шт.

6

25-115

NUT,5/16"-24, G5

- 5/16" NF hex

1шт.

7

L11189

ROD - brake lever

1шт.

8

25-116

NUT,Hex, 3/8"-24, G5

- (3/8" N. F. hex.)

1шт.

9

L11182

YOKE,3/8" - 24

- offset rod end

1шт.

13

141-4

CLEVIS PIN,3/8" x 1.060"

PIN, CLEVIS, 3/8" x 1.060"

1шт.

14

132-26

COTTER PIN

Pin, Split (Cotter), 3/32" x 3/4"

1шт.

15

L11213

BRACKET - bellcrank, parking brake

1шт.

16

L13432

BELLCRANK ASSY. - w/bushings (Welded) (Not machined for grease fitting)

1шт.

17

A35112

BUSHING

- bellcrank (3/4 x 1 x 3/4")

2шт.

18

L11215

BELLCRANK - parking brake (Cast) (Machined for grease fitting)

1шт.

19

219-1

LUBE NIPPLE,1/8" - 27 NPTF

FITTING - lube (1/8" P.T. straight) (Used w/L11215)

1шт.

20

L11183

SHAFT - parking brake

1шт.

21

132-99

COTTER PIN,3/16" x 2"

Pin, Split (Cotter), 3/16" x 2"

1шт.

22

L11181

ROD - parking brake

1шт.

23

L11174

YOKE - offset rod end

1шт.

24

213-6

ADJUSTABLE CLEVIS,1/2"-20 x 3"

YOKE - rod end adjusting

1шт.

25

25-118

NUT,1/2"-20, G5

- (1/2" N. F. hex.)

2шт.

26

141-6

CLEVIS PIN,1/2" x 1.360"

PIN - clevis

2шт.

27

132-48

COTTER PIN,1/8" x 1"

Pin, Split (Cotter), 1/8" x 1"

2шт.

28

L11180

LINK - parking brake

1шт.

29

L11212

ROD - parking brake

2шт.

30

141-5

CLEVIS PIN,7/16" x 1.190"

PIN - clevis

2шт.

31

132-27

COTTER PIN,3/32" x 7/8"

Pin, Split (Cotter), 3/32" x 7/8"

2шт.

32

141-6

CLEVIS PIN,1/2" x 1.360"

PIN - clevis

2шт.

33

132-48

COTTER PIN,1/8" x 1"

Pin, Split (Cotter), 1/8" x 1"

2шт.

Выбрано товаров: 29