Запчасти Case 680CK (094) - TRANSMISSION GEAR SHIFT, REAR AXLE

Схема запчастей Case 680CK - (094) - TRANSMISSION GEAR SHIFT, REAR AXLE
FIT
1:1
100%

Артикул

Название

Примечание

Количество

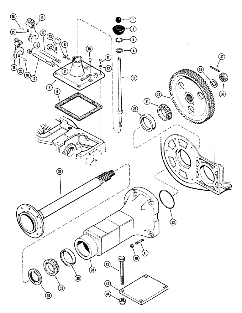
1

A19416

BALL

SPARE PART KNOB - trans. axle shift lever

1шт.

2

A37161

SPARE PART Gear shift

1шт.

3

A26956

DUST CAP

COVER - dust, gear shift lever (Rubber)

1шт.

4

A7923

SEAT

Gear shift lever seat

1шт.

5

A26836

RING, SNAP

RING SNAP Lever retaining

1шт.

6

G15468

SET SCREW,5/16" - 18 x 3/4"

Lever guide

1шт.

7

25-145

JAM NUT,Jam, 5/16"-18, G5

Lock, guide screw (5/16" N.C. half hex.)

1шт.

8

G1730

SPARE PART Trans. case & shift control

1шт.

9

G10342

GASKET

Cover

1шт.

10

138-200

LOCK PIN,1/2" x 1", Slotted

Cover locating

1шт.

11

13-624

BOLT,Hex, 3/8" - 16 x 1-1/2", Gr 5

BOLT - cover (3/8 x 1-1/4" N.C. hex.)

4шт.

12

92-6

LOCK WASHER,3/8"

4шт.

13

A38233

ROD

SHAFT - shifter rail (1st & 2nd) (7-5/16" long) (Replaces G10326)

1шт.

14

A41469

GROMMET

FORK - shifter (1st & 2nd)(Replaces G13461)

1шт.

15

A29964

LOCK SCREW,Sq Hd, 3/8" - 24 x 27/32", Drilled

Lock, shifter fork (27/32" long)

1шт.

16

A29966

ELECTRICAL WIRE

WIRE Shift fork lock

2шт.

17

A38246

SPARE PART SHAFT - shifter rail (3rd & 4th) (7-3/16") (Replaces G17166)

1шт.

18

G49617

SEAL PACKAGE

SPACER - shifter fork (3/4" O. D. x 11/16 x 18 ga.)

1шт.

19

A41468

PACKAGE, REPAIR

FORK - shifter (3rd & 4th) (Replaces G10333)

1шт.

20

A29965

LOCK SCREW,3/8" - 24 x 11/16", Drilled

Lock, shifter fork (11/16" long)

1шт.

21

A29060

PLUG

Shifter shafts inter-lock

1шт.

22

211-11

BALL,3/8" Dia

Shaft detent

2шт.

23

G47039

SPRING

Detent ball pressure

2шт.

28

A37156

SPARE PART ASSY, axle

2шт.

29

A26744

BEARING CUP,110.025 mm OD x 18.875 mm

CUP - bearing inner (Replaces G10415)

1шт.

30

A37158

BEARING CUP

Bearing, outer

1шт.

31

A38257

ROLLER BEARING,2.4375" ID x 0.866"

CONE, inner (Replaces G10414)

2шт.

32

A37157

ROLLER BEARING,2.625" ID x 1"

CONE, outer

2шт.

33

G10347

O-RING,0.139" Thk x 4.984" ID, -250, Cl 5, 75 Duro

Hsg., inner

2шт.

34

A37159

GEAR WHEEL

ASSY, final drive

2шт.

35

F62105

WASHER,38.89mm ID x 69.85mm OD x 6.35mm Thk

Axle take-up (1-17/32 x 2-3/4 x 1/4")

2шт.

36

A30075

WHEEL NUT

Drive gear ret. (1-1/2" N. F. sltd.)

2шт.

37

132-187

COTTER PIN,5/16" x 3"

Nut lock (1/4 x 2-1/2") (Replaces 132-157)

2шт.

38

G13822

SEAL,73.66mm ID x 110.13mm OD x 11mm Thk

Oil, axle, outer (3 x 4-11/32 x 1/2")

2шт.

39

A57374

CENTER AXLE

Rear (Replaces G17180)

2шт.

40

25-1010

NUT,5/8"-11, G5

Housing stud

10шт.

41

A37143

STUD

Axle housing to trans. case

10шт.

42

L12267

SPARE PART Rear axle mtg. (Replaces L11383)

2шт.

43

116-701

BOLT

(3/4 x 8-1/2" N. F. hex.)

8шт.

44

131-186

LOCK NUT,3/4"-16, GB

Esna

8шт.

Выбрано товаров: 40