Запчасти Case 680CK (128) - LOADER CONTROL VALVE AND LEVERS, 3 SPOOL LOADER VALVE (82) - FRONT LOADER & BUCKET

Схема запчастей Case 680CK - (128) - LOADER CONTROL VALVE AND LEVERS, 3 SPOOL LOADER VALVE (82) - FRONT LOADER & BUCKET
FIT
1:1
100%

Артикул

Название

Примечание

Количество

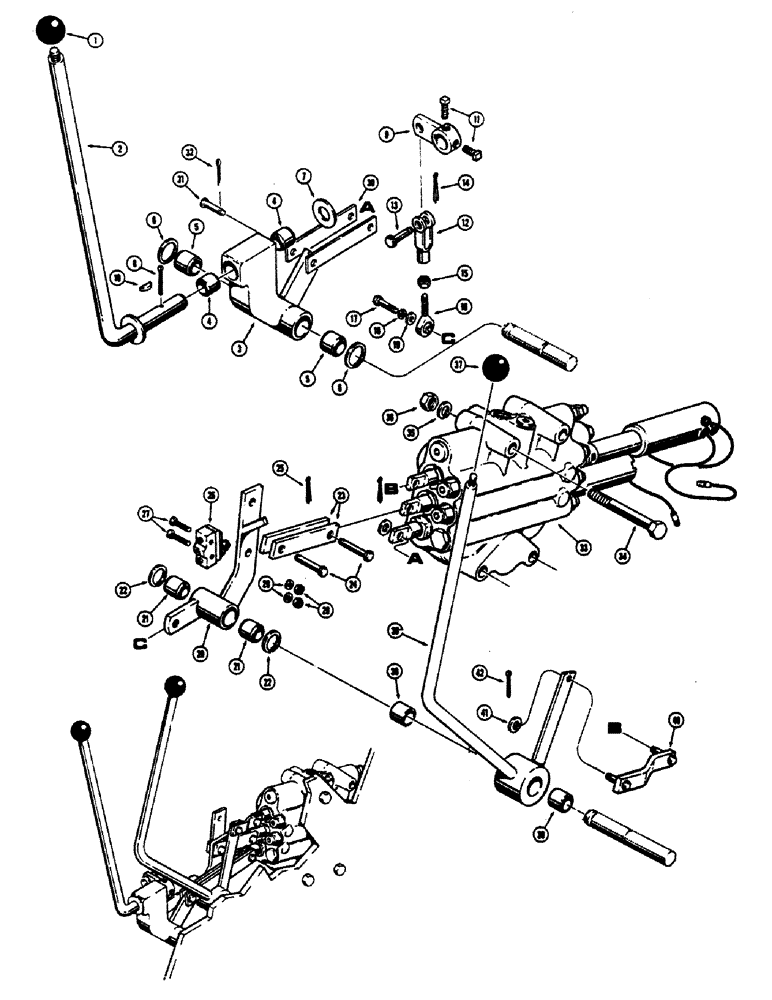
1

A19416

BALL

KNOB - control lever (When stock is exhausted, order 31375 knob for service)

1шт.

1

CAS31375

KNOB

- control lever

1шт.

2

L26384

LEVER

- control, lift and tilt

1шт.

3

L17517

SUPPORT BLOCK ASSEMBLY - control lever, Includes: Ref. 4 and 5

1шт.

4

L17421

BUSHING

- control lever pivot

2шт.

5

L17420

BUSHING

- mounting pin pivot

2шт.

6

L26385

SNAP RING,#87, Ext

Ring, Snap, #87, Ext

2шт.

7

195-45

WASHER,3/4"

1шт.

8

132-72

PIN

- cotter, 5/32" dia. x 1-3/8"

1шт.

9

L26342

ARM

- control lever to tilt link

1шт.

10

126-17

WOODRUFF KEY,#91, 1/4" x 3/4"

1шт.

11

83-44

SET SCREW,Hex Soc, 1/4"-20 x 1/4"

SCREW - set, hex. socket head (1/4"-20 NC x 1/4") Cup point

2шт.

12

L26386

YOKE

- tilt link

1шт.

13

141-4

CLEVIS PIN,3/8" x 1.060"

PIN, CLEVIS, 3/8" x 1.060"

1шт.

14

132-27

COTTER PIN,3/32" x 7/8"

Pin, Split (Cotter), 3/32" x 7/8"

1шт.

15

25-156

JAM NUT,Jam, 3/8"-24, G5

- hex., jam (3/8"-24 NF)

1шт.

16

L22226

ROD

END - pivotal bearing

1шт.

17

13-616

BOLT,Hex, 3/8" - 16 x 1", Gr 5, Full Thd

1шт.

18

92-6

LOCK WASHER,3/8"

1шт.

19

95-6

WASHER,3/8"

- plain () 3/8"

1шт.

20

L18631

LEVER - tilt control, Includes: Ref. 21

1шт.

21

L17420

BUSHING

- tilt lever

2шт.

22

L26385

SNAP RING,#87, Ext

Ring, Snap, #87, Ext

2шт.

23

L26340

LINK - tilt control lever to valve spool

2шт.

24

141-3

CLEVIS PIN,5/16" x .940"

PIN, CLEVIS, 5/16" x .940"

2шт.

25

132-25

COTTER PIN,3/32" x 5/8"

Pin, Split (Cotter), 3/32" x 5/8"

2шт.

26

A19513

SWITCH

- neutral start, actuator (See Figure 116 for related electrical components)

1шт.

27

171-68

SCREW - machine, flat head (#6-32 NC x 1-1/4")

2шт.

28

195-506

WASHER,#6

- plain () Zinc plated #6

2шт.

29

129-15

NUT,#6-32

2шт.

30

L26341

DRAG LINK

LINK - lift control lever to valve spool

2шт.

31

L26373

AXLE PIN

PIN - clevis, special

2шт.

32

132-27

COTTER PIN,3/32" x 7/8"

Pin, Split (Cotter), 3/32" x 7/8"

2шт.

33

L15308

VALVE

- loader control, 3 spool (See Figure 178 for parts list)

1шт.

34

13-672

BOLT,Hex, 3/8" - 16 x 4-1/2", Gr 5

HHCS - 3/8"-16 NC x 4-1/2"

3шт.

35

92-6

LOCK WASHER,3/8"

3шт.

36

25-106

NUT,3/8"-16, G5

- hex. (3/8"-16 NC)

3шт.

37

A19416

BALL

KNOB - control lever (When stock is exhausted, order 31375 knob for service)

1шт.

37

31375

WASHER

- control lever

1шт.

38

L17545

LEVER ASSEMBLY - loader clam control, Includes: Ref. 39

1шт.

39

L17420

BUSHING

- clam lever

2шт.

40

L17576

DRAG LINK

LINK - lever to clam spool

1шт.

41

95-5

WASHER,3/8" x 7/8" x .083"

- plain (5/16")

2шт.

42

132-27

COTTER PIN,3/32" x 7/8"

Pin, Split (Cotter), 3/32" x 7/8"

2шт.

Выбрано товаров: 0