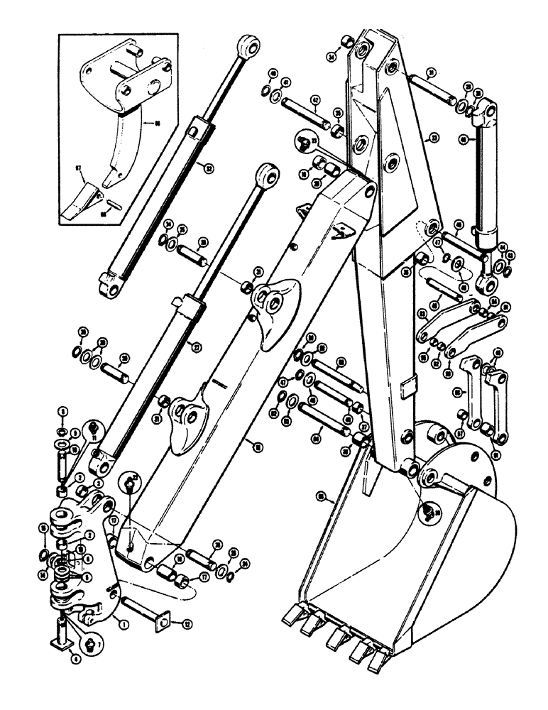
Запчасти Case 680CK (132) - TOWER, BOOM, DIPPER ARM AND BUCKET (84) - BOOMS, DIPPERS & BUCKETS

Схема запчастей Case 680CK - (132) - TOWER, BOOM, DIPPER ARM AND BUCKET (84) - BOOMS, DIPPERS & BUCKETS
FIT
1:1
100%

Артикул

Название

Примечание

Количество

1

D44741

TOWER - backhoe swing, Includes: Ref. 2 and 3

1шт.

2

D30756

BUSHING,51.02mm ID x 63.5mm OD x 31.8mm L

- tower at mounting frame

2шт.

3

D33024

BUSHING,51.02mm ID x 63.5mm OD x 25.4mm L

- tower at boom cylinder

2шт.

4

D44733

PIN

BOLT - mounting, swing tower

1шт.

5

D44813

SHIM,53.34mm ID x 76.2mm OD x 0.89mm Thk

1шт.

6

D26919

SNAP RING,#200, Ext

Ring, Snap, , pin #200, Ext

1шт.

7

219-1

LUBE NIPPLE,1/8" - 27 NPTF

FITTING - grease straight (1/8" NPT)

1шт.

8

D26919

SNAP RING,#200, Ext

Ring, Snap, , pin #200, Ext

2шт.

9

195-2155

WASHER,2 1/16" x 3" x .109"

- flat, steel (2-1/16")

2шт.

10

D33637

PIN

- tower to mounting frame

1шт.

11

219-1

LUBE NIPPLE,1/8" - 27 NPTF

FITTING - grease, straight (1/8" NPT)

1шт.

12

D44735

AXLE PIN

PIN -, Serial Range: boom-tower

1шт.

13

D45557

SHIM

-, Serial Range: boom-tower

1шт.

14

D41472

WASHER

- flat, steel (2-1/4")

2шт.

15

F40807

SNAP RING,#225, Ext

Ring, Snap, , pin #225, Ext

2шт.

16

D44693

BOOM - backhoe, Includes: Ref. 17 - 21

1шт.

17

D44688

BUSHING

- boom, at tower

2шт.

18

D44686

SPACER

- bushing, at tower

1шт.

19

D45325

BUSHING

- boom, at dipper arm

2шт.

20

D45311

SPACER

- bushing, at dipper arm

1шт.

21

D33024

BUSHING,51.02mm ID x 63.5mm OD x 25.4mm L

- boom, at cylinder anchors

4шт.

22

219-1

LUBE NIPPLE,1/8" - 27 NPTF

FITTING - grease, straight (1/8" NPT)

1шт.

23

219-55

LUBE NIPPLE,90 Degree Elbow, 1/8" - 27 NPTF

NIPPLE, LUBE, 90º, 1/8" NPT x .84" lg

1шт.

24

D26919

SNAP RING,#200, Ext

Ring, Snap, , pin #200, Ext

4шт.

25

195-2155

WASHER,2 1/16" x 3" x .109"

- flat, steel (2-1/16")

4шт.

26

D37607

PIN

- boom cylinder mounting

2шт.

27

REF

INSTRUCTION

CYLINDER - hydraulic, boom (See Figures 174 and 175A for proper cylinder)

1шт.

28

D26919

SNAP RING,#200, Ext

Ring, Snap, , pin #200, Ext

4шт.

29

195-2155

WASHER,2 1/16" x 3" x .109"

- flat, steel (2-1/16")

5шт.

30

D37607

PIN

- crowd cylinder mounting, at boom

1шт.

31

D44734

AXLE PIN

PIN - crowd cylinder mounting, at dipper arm

1шт.

32

REF

INSTRUCTION

CYLINDER - hydraulic, crowd (See Figures 176 and 177A for proper cylinder)

1шт.

33

D44649

DIPPER

ARM - backhoe, Includes: Ref. 34 - 38

1шт.

34

D33024

BUSHING,51.02mm ID x 63.5mm OD x 25.4mm L

- dipper arm, at crowd cylinder

2шт.

35

D44697

BUSHING

- dipper arm, at boom

2шт.

36

D37392

BUSHING,44.68mm ID x 53.98mm OD x 31.75mm L

- dipper arm, at bucket cylinder

2шт.

37

D30741

BUSHING,38.33mm ID x 47.63mm OD x 50.8mm L

- dipper arm, at bucket link

2шт.

38

D37443

BUSHING,44.68mm ID x 57.15mm OD x 50.8mm L

- dipper arm, at bucket

2шт.

39

219-55

LUBE NIPPLE,90 Degree Elbow, 1/8" - 27 NPTF

NIPPLE, LUBE, 90º, 1/8" NPT x .84" lg

1шт.

40

D26919

SNAP RING,#200, Ext

Ring, Snap, , pin #200, Ext

2шт.

41

195-2155

WASHER,2 1/16" x 3" x .109"

- flat, steel (2-1/16")

2шт.

42

D44734

AXLE PIN

PIN - boom to dipper arm

1шт.

43

D25280

SNAP RING,#175, Ext

Ring, Snap, , pin #175, Ext

2шт.

44

195-2152

WASHER,1 13/16" x 2 1/2" x .109"

- flat, steel (1-13/16")

2шт.

45

D44742

PIN - bucket cylinder to dipper arm

1шт.

46

REF

INSTRUCTION

CYLINDER - hydraulic, bucket (See Figures 170 and 171A for proper cylinder)

1шт.

47

D25279

SNAP RING,M35, Int

RING - pin retaining

4шт.

48

D28610

WASHER,38.5mm ID x 63.5mm OD x 2.66mm Thk

- special

6шт.

49

D37612

PIN,38.1mm OD x 222.25mm L

- bucket link to bucket cylinder and dipper arm

2шт.

50

D49015

DRAG LINK

LINK - bucket cylinder to dipper arm, R.H., Includes: Ref. 51 and 52

1шт.

51

D30933

BUSHING,38.41mm ID x 47.63mm OD x 31.75mm L

- link, at bucket cylinder

1шт.

52

D32919

BUSHING,38.4mm ID x 47.63mm OD x 19.05mm L

- link, at dipper arm

1шт.

53

D49014

POWER ARM

LINK - bucket cylinder to dipper arm, L.H., Includes: Ref. 54 and 55

1шт.

54

D30933

BUSHING,38.41mm ID x 47.63mm OD x 31.75mm L

- link, at bucket cylinder

1шт.

55

D32919

BUSHING,38.4mm ID x 47.63mm OD x 19.05mm L

- link, at dipper arm

1шт.

56

D44730

LINK

- bucket cylinder to bucket, Includes: Ref. 57

2шт.

57

D30933

BUSHING,38.41mm ID x 47.63mm OD x 31.75mm L

- link

2шт.

58

D25279

SNAP RING,M35, Int

RING - pin retaining

2шт.

59

D28610

WASHER,38.5mm ID x 63.5mm OD x 2.66mm Thk

- special

2шт.

60

D30899

PIVOT PIN,38.1mm OD x 338.14mm L

PIN - bucket link to bucket (Used with D41569, D41570, D49240 and L43428 trenching buckets only)

1шт.

D37614

PIN,38mm Od x 246mm L

- bucket link to bucket (Used with all buckets except D41569, D41570, D49240 and L43428)

1шт.

D37793

PIN

- bucket link (Used with frost point installation only)

1шт.

61

D37450

SPACER,40.89mm ID x 48.26mm OD x 63.5mm L

SPACER - bucket link

1шт.

62

D25280

SNAP RING,#175, Ext

Ring, Snap, , pin #175, Ext

2шт.

63

195-2152

WASHER,1 13/16" x 2 1/2" x .109"

- flat, steel (1-13/16")

2шт.

64

D37613

PIN

- dipper arm to bucket or frost point (Used with all buckets except D37473 and D41547)

1шт.

D40244

PIN,44.45mm OD x 327.02mm L

- dipper arm to bucket (Used with D37472 and D41547 buckets only)

1шт.

65

REF

INSTRUCTION

BUCKET - backhoe (See Figures 138 and 140 for options)

1шт.

D42577

SPARE PART

FROST POINT ASSEMBLY - backhoe, Includes: Ref. 66 and 68

1шт.

66

NSS

NOT SOLD SEPARAT

SHANK - frost point

1шт.

67

D43416

POINT

- tooth

1шт.

68

D43417

PIN

FLEX PIN - point

1шт.

Выбрано товаров: 72