Запчасти Case 680CK (100) - HOOD AND ENGINE SIDE PANELS (90) - PLATFORM, CAB, BODYWORK AND DECALS

Схема запчастей Case 680CK - (100) - HOOD AND ENGINE SIDE PANELS (90) - PLATFORM, CAB, BODYWORK AND DECALS
FIT
1:1
100%

Артикул

Название

Примечание

Количество

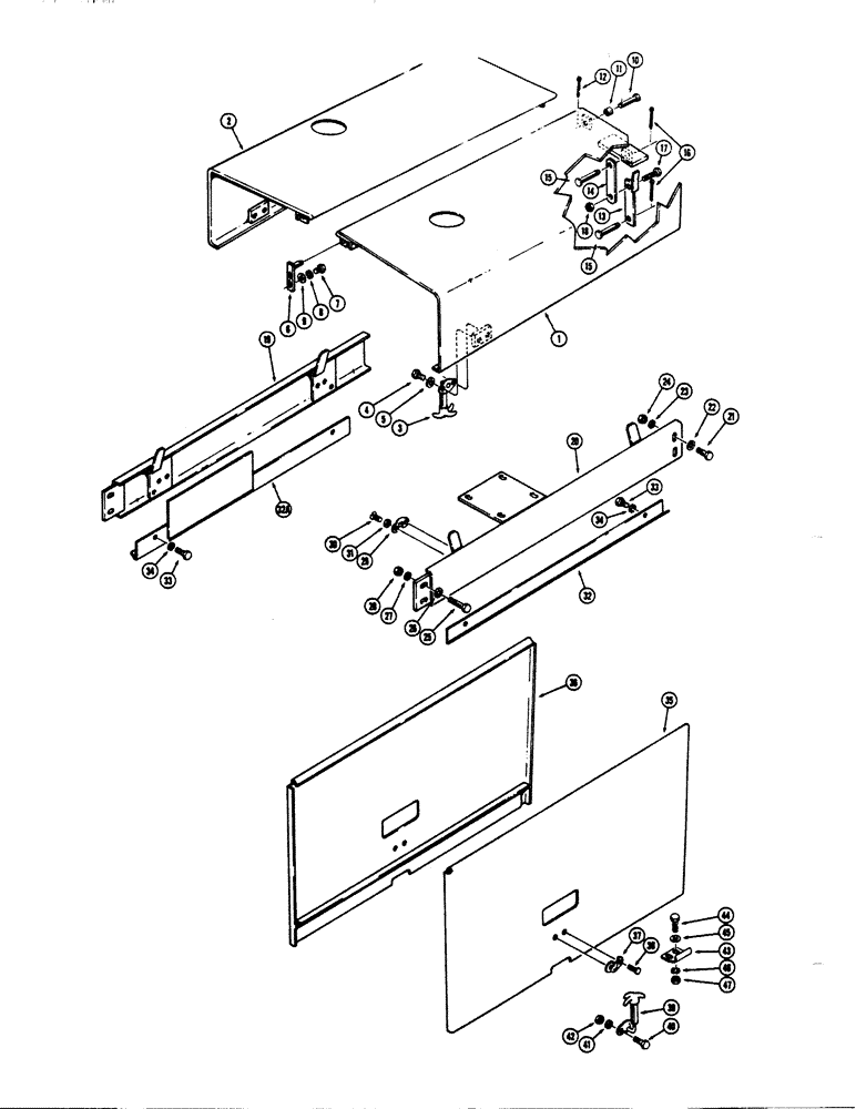
1

L16406

HOOD - engine, R.H. side

1шт.

2

L16405

HOOD - engine, L.H. side (Used before tractor serial no. 9103833 and after)

1шт.

3

A17232

LATCH ASSY.

LATCH - hood

4шт.

4

13-46

BOLT,Hex, 1/4" - 20 x 3/8", Gr 5, Full Thd

HHCS - 1/4"-20 NC x 3/8"

8шт.

5

92-4

LOCK WASHER,1/4"

WASHER, LOCK, 1/4"

8шт.

6

L16389

PIN - pivot, hood

2шт.

7

13-614

BOLT,Hex, 3/8" - 16 x 7/8", Gr 5, Full Thd

4шт.

8

92-6

LOCK WASHER,3/8"

4шт.

9

95-6

WASHER,3/8"

- plain () 3/8"

4шт.

10

T11231

AXLE PIN

PIN - clevis (7/16")

2шт.

11

D44696

BUSHING

SPACER - hood

2шт.

12

132-48

COTTER PIN,1/8" x 1"

Pin, Split (Cotter), 1/8" x 1"

2шт.

13

L17619

LINK - hood support, lower

1шт.

14

L17622

DRAG LINK

LINK - hood support, upper

1шт.

15

141-2

CLEVIS PIN,1/4" x .770"

PIN - clevis (1/4")

2шт.

16

132-7

COTTER PIN,1/16" x 3/4"

Pin, Split (Cotter), 1/16" x 3/4"

2шт.

17

78-410

SCREW - machine, truss head (1/4"-28 NF x 5/8")

1шт.

18

131-30

LOCK NUT,1/4"-28, G8

NUT - hex., lock (1/4"-28 NF)

1шт.

19

L16386

CHANNEL - hood support, L.H.

1шт.

20

L16394

CHANNEL - hood support, R.H.

1шт.

21

13-820

BOLT,Hex, 1/2" - 13 x 1-1/4", Gr 5, Full Thd

4шт.

22

195-33

WASHER,1/2"

- plain () 1/2"

4шт.

23

92-8

LOCK WASHER,1/2"

4шт.

24

25-108

NUT,1/2"-13, G5

- hex. (1/2"-13 NC)

4шт.

25

13-828

BOLT,Hex, 1/2" - 13 x 1-3/4", Gr 5

HHCS - 1/2"-13 NC x 1-3/4"

4шт.

26

95-8

WASHER,1/2"

- plain 1/2"

4шт.

27

92-8

LOCK WASHER,1/2"

4шт.

28

25-108

NUT,1/2"-13, G5

- hex. (1/2"-13 NC)

4шт.

29

A17237

HOOK

CATCH - hood latch

4шт.

30

173-210

SCREW,Sl Rnd Hd, #10 - 24 x 3/8"

- machine, round head (#10-24 NC x 3/8") Zinc plated

8шт.

31

192-18

LOCK WASHER,Helical Spring, #10, 0.196" ID, CST, ZND

WASHER, LOCK, #10

8шт.

32

L16392

BRACKET

SUPPORT - hood and side panel, R.H.

1шт.

32a

L19461

ANGLE

SUPPORT - hood and side panel, L.H. (Used before tractor serial no. 9103833)

1шт.

32a

L16392

BRACKET

SUPPORT - hood and side panel, L.H. (Used on tractor serial no. 9103833 and after)

1шт.

33

13-68

SCREW,Hex, 3/8" - 16 x 1/2", Gr 5

HHCS - 3/8"-16 NC x 1/2"

4шт.

34

92-6

LOCK WASHER,3/8"

4шт.

35

L25710

PANEL ASSY.

PANEL - engine side, R.H., Includes: Ref. 37 and 38

1шт.

36

L25709

PANEL - engine side, L.H., Includes: Ref. 37 and 38

1шт.

37

A17237

HOOK

CATCH - panel latch

1шт.

38

151-551

RIVET - button head (3/16" dia. x 1/8")

2шт.

39

A17232

LATCH ASSY.

LATCH - engine side panel

2шт.

40

13-416

BOLT,Hex, 1/4" - 20 x 1", Gr 5

4шт.

41

92-4

LOCK WASHER,1/4"

WASHER, LOCK, 1/4"

4шт.

42

25-104

NUT,1/4"-20, G5

4шт.

43

L11440

RETAINER

- side panels

4шт.

44

13-416

BOLT,Hex, 1/4" - 20 x 1", Gr 5

8шт.

45

195-18

WASHER,1/4"

- plain () 1/4"

8шт.

46

92-4

LOCK WASHER,1/4"

WASHER, LOCK, 1/4"

8шт.

47

25-104

NUT,1/4"-20, G5

8шт.

Выбрано товаров: 49