Запчасти Case 680CK (102) - RADIATOR FRAME AND GRILLE (90) - PLATFORM, CAB, BODYWORK AND DECALS

Схема запчастей Case 680CK - (102) - RADIATOR FRAME AND GRILLE (90) - PLATFORM, CAB, BODYWORK AND DECALS
FIT
1:1
100%

Артикул

Название

Примечание

Количество

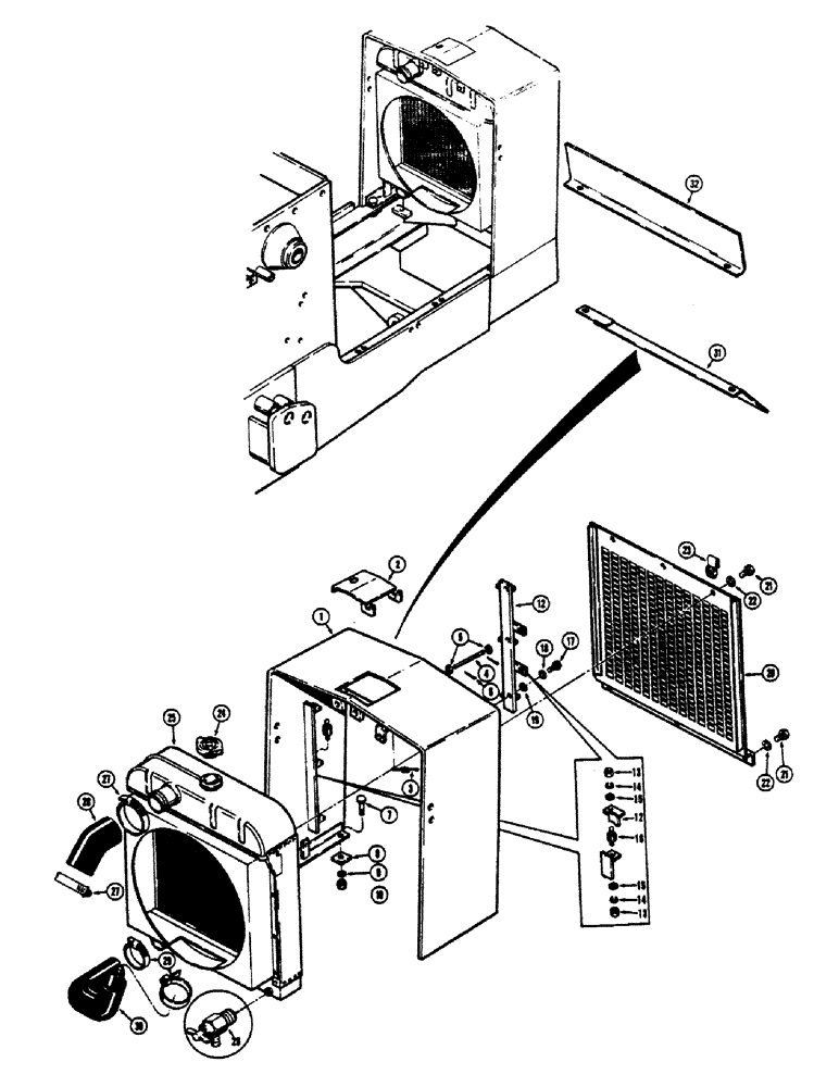
1

L25664

FRAME - radiator guard

1шт.

2

L26449

COVER - access, radiator

1шт.

3

A8272

SPRING - cover extension

1шт.

4

L26448

PIN - cover hinge

1шт.

5

195-12

WASHER,#10

- plain (3/16")

1шт.

6

132-6

COTTER PIN,1/16" x 5/8"

Pin, Split (Cotter) 1/16" x 5/8"

2шт.

7

13-1032

BOLT,Hex, 5/8" - 11 x 2", Gr 5

4шт.

8

195-903

WASHER

- square, beveled

4шт.

9

92-10

LOCK WASHER,5/8"

WASHER, LOCK, 5/8"

4шт.

10

25-1010

NUT,5/8"-11, G5

4шт.

11

L25654

BRACKET - radiator mounting, R.H. (Not illustrated)

1шт.

12

L25655

BRACKET - radiator mounting, L.H.

1шт.

13

9635082

NUT,5/16" - 18, Gr 5

- hex, (5/16"-18 NC)

12шт.

14

192-20

LOCK WASHER,Helical Spring, 0.318" ID, CST, ZND

WASHER, LOCK, 5/16"

12шт.

15

195-2020

WASHER,.344" x 1" x .065"

- special

12шт.

16

L11236

BOLT

BOLT - special, flex type (Bracket mounting)

6шт.

17

14-512

BOLT,Hex, 5/16" - 24 x 3/4", Gr 5, Full Thd

6шт.

18

92-5

LOCK WASHER,5/16"

6шт.

19

195-21

WASHER,5/16"

- plain () 5/16"

6шт.

20

L25662

GRILLE - radiator guard

1шт.

21

13-516

BOLT,Hex, 5/16" - 18 x 1", Gr 5

6шт.

22

92-5

LOCK WASHER,5/16"

6шт.

23

131-607

NUT

- Tinnerman, "U" type (5/16")

3шт.

24

D25826

CAP

- radiator, 7 P.S.I.

1шт.

25

L11240

RADIATOR ASSEMBLY - engine cooling

1шт.

26

A23655

VALVE

- radiator drain

1шт.

27

214-262

HOSE CLAMP,#44, 2.31" - 3.25", Type F Worm

CLAMP - hose

2шт.

28

L11242

RADIATOR HOSE,2.50" ID x 6.10", SAE 20R4 Class SC

Upper 2.50" ID x 6.10", SAE 20R4 Class SC

1шт.

29

214-258

HOSE CLAMP,#28, 1.31" - 2.25", Type F Worm

2шт.

30

L11241

RADIATOR HOSE,2.00" ID x 8.10", SAE 20R4 Class SC

Lower 2.00" ID x 8.10", SAE 20R4 Class SC

1шт.

31

L19442

BAFFLE - heat, lower

1шт.

32

L19440

BAFFLE - heat, upper

1шт.

Выбрано товаров: 32