Запчасти Case 680CK (024) - BALANCER AND OIL PUMP, (267) DIESEL ENGINE (10) - ENGINE

Схема запчастей Case 680CK - (024) - BALANCER AND OIL PUMP, (267) DIESEL ENGINE (10) - ENGINE
FIT
1:1
100%

Артикул

Название

Примечание

Количество

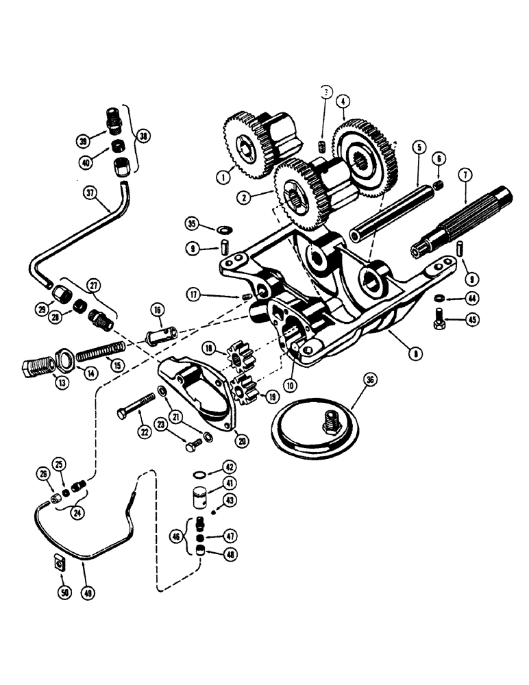
A62235

BALANCER

& OIL PUMP ASSY., Includes: Ref. 1 - 29

1шт.

1

A62236

WEIGHT

COUNTERWEIGHT - driven (w/o spline)

1шт.

2

A62238

WEIGHT

COUNTERWEIGHT - drive (Spline)

1шт.

3

83-66

SET SCREW,Hex Soc, 3/8"-16 x 3/8"

SCREW - set, 3/8 x 3/8" N.C., cup pt. sckt. hd.

1шт.

4

A57958

GEAR

- drive, counterweight

1шт.

5

A22563

SHAFT

- stationary

1шт.

6

221-841

PLUG

- shaft end, 1/4" P.T., sckt. hd.

1шт.

7

A57957

SHAFT

- drive, counterweight

1шт.

8

A22541

HOUSING ASSY. - balancer, Includes: Ref. 9 and 10

1шт.

9

A8134

PIN

- housing locating

2шт.

10

A22543

SHAFT

- oil pump idler gear

1шт.

13

A8902

ADJUSTMENT SCREW,7/8" x 1 5/8"

SCREW - adjusting, oil pump relief valve

1шт.

14

A27858

NUT

- lock, adjusting screw

1шт.

15

A23598

VALVE SPRING

SPRING - relief, oil pump

1шт.

16

A22566

PLUNGER

- relief, oil pump

1шт.

17

178-40

SET SCREW,Hex Soc, 5/16"-18 x 3/8"

SCREW - set, 5/16 x 3/8" cone pt., sckt. hd.

1шт.

18

A22564

GEAR

- drive, oil pump (Splined)

1шт.

19

A22555

GEAR

ASSY. - idler, oil pump, w/bushing

1шт.

20

A22565

COVER ASSY

COVER - oil pump

1шт.

21

193-29

LOCK WASHER,Int Tooth, 5/16"

WASHER, LOCK, Int Tooth, 5/16"

5шт.

22

13-532

BOLT,Hex, 5/16" - 18 x 2", Gr 5

Cover Hex, 5/16"-18 x 2", G5

2шт.

23

13-514

BOLT,Hex, 5/16" - 18 x 7/8", Gr 5

Cover Hex, 5/16"-18 x 7/8", G5, Full Thd

3шт.

24

222-23

FITTING,1/2"-24 x 1/4" NPTF w/Nut

CONNECTOR ASSY. - 1/4" tube, 1/4" P.T., Includes: Ref. 25 and 26

1шт.

25

222-102

SLEEVE,1/4" Tube

1шт.

26

87017024

TUBE NUT,1/2"-24

NUT - for 1/4" tube

1шт.

27

222-31

HYD CONNECTOR,1"-18 x 1/2" NPTF w/Nut

CONNECTOR ASSY. - 5/8" tube, 1/2" P.T., Includes: Ref. 28 and 29

1шт.

28

222-106

SLEEVE,5/8" Tube

- for 5/8" Tube

1шт.

29

222-116

TUBE NUT,1"-18

NUT - for 5/8" tube

1шт.

35

A22670

SHIM,.005" Thk

Hsg. to cyl. block .005" Thk

1шт.

35

A22671

SHIM,.010" Thk

Hsg. to cyl. block .010" Thk

1шт.

36

A22590

FILTER SCREEN

SCREEN - oil inlet

1шт.

37

A62745

TUBE

- oil pump to filter, 5/8" tube

1шт.

38

221-31

DRAIN PLUG,Sq Soc, 1/4"-18 NPTF

CONNECTOR ASSY. - 5/8" tube, 1/2" P.T., Includes: Ref. 39 and 40

1шт.

39

222-106

SLEEVE,5/8" Tube

- for 5/8" Tube

1шт.

40

222-116

TUBE NUT,1"-18

NUT - for 5/8" tube

1шт.

41

A57075

PLUG

- oil gallery, cylinder block

1шт.

42

A27355

O-RING,0.139" Thk x 1.17" ID, -217, Cl 5, 75 Duro

"O" RING - plug, 1-3/16 x 1-7/16 x 1/8"

1шт.

43

A22593

SET SCREW,1/4" - 18 x 7/8"

- set plug

1шт.

44

92-8

LOCK WASHER,1/2"

4шт.

45

13-824

BOLT,Hex, 1/2" - 13 x 1-1/2", Gr 5, Full Thd

Balancer to block Hex, 1/2"-13 x 1 1/2", G5, Full Thd

4шт.

46

222-22

FITTING,1/2"-24 x 1/8" NPTF w/Nut

CONNECTOR ASSY. - 1/4" tube, 1/8" P.T., Includes: Ref. 47 and 48

1шт.

47

222-102

SLEEVE,1/4" Tube

1шт.

48

87017024

TUBE NUT,1/2"-24

NUT - for 1/4" tube

1шт.

49

A22596

TUBE

- oil gallery to balancer shaft, 1/4" tube

1шт.

50

A20541

CLIP

- oil tube

1шт.

Выбрано товаров: 45