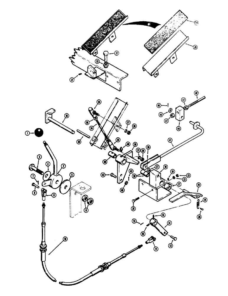
Запчасти Case 680CK (055C) - THROTTLE CONTROL LINKAGE, TRACTOR S/N 9103854 TO 9103967 (10) - ENGINE

Схема запчастей Case 680CK - (055C) - THROTTLE CONTROL LINKAGE, TRACTOR S/N 9103854 TO 9103967 (10) - ENGINE
FIT
1:1
100%

Артикул

Название

Примечание

Количество

1

A19416

BALL

KNOB - throttle lever (When stock is exhausted, order 31375 lever for service)

1шт.

1

CAS31375

KNOB

- throttle lever

1шт.

2

L41891

LEVER - throttle control

1шт.

3

13-836

BOLT,Hex, 1/2" - 13 x 2-1/4", Gr 5

HHCS - 1/2"-13 NC x 2-1/4"

1шт.

4

R14771

WASHER

- special

1шт.

5

R15071

DISC

- friction

1шт.

6

25-148

JAM NUT,Jam, 1/2"-13, G5

- hex, jam (1/2"-13 NC)

2шт.

7

132-5

COTTER PIN,1/16" x 1/2"

Pin, Split (Cotter), 1/16" x 1/2"

1шт.

8

141-2

CLEVIS PIN,1/4" x .770"

PIN - clevis (1/4" dia.)

1шт.

9

213-2

ADJUSTABLE CLEVIS,1/4"-28 x 2"

CLEVIS - adjustable (1/4")

1шт.

10

L42534

CABLE PULLING GRIP

CABLE - throttle control, backhoe

1шт.

11

213-2

ADJUSTABLE CLEVIS,1/4"-28 x 2"

YOKE - cable to throttle arm

1шт.

12

141-2

CLEVIS PIN,1/4" x .770"

PIN - clevis

1шт.

13

132-5

COTTER PIN,1/16" x 1/2"

Pin, Split (Cotter), 1/16" x 1/2"

1шт.

14

L26355

LEVER - linkage, hand throttle

1шт.

15

85-48

SET SCREW,Sq Hd, 1/4"-20 x 1/2"

SCREW - set, square head (1/4"-20 NC x 1/2") Cup point

2шт.

16

L26335

SHAFT - pivot, throttle

1шт.

17

L15114

COLLAR - throttle shaft

1шт.

18

83-44

SET SCREW,Hex Soc, 1/4"-20 x 1/4"

SCREW - set, hex. socket head (1/4"-20 NC x 1/4") Cup point

1шт.

L15113

SUPPORT ASSEMBLY - throttle linkage, Includes: Ref. 19 and 20

1шт.

19

NSS

NOT SOLD SEPARAT

SUPPORT - throttle linkage

1шт.

20

L10818

BUSHING

- support

2шт.

21

13-620

BOLT,Hex, 3/8" - 16 x 1-1/4", Gr 5, Full Thd

2шт.

22

92-6

LOCK WASHER,3/8"

2шт.

23

25-106

NUT,3/8"-16, G5

- hex. (3/8"-16 NC)

2шт.

24

L26390

PEDAL - fuel shutoff

1шт.

25

T34032

VALVE SPRING

SPRING - pedal return

1шт.

26

132-89

COTTER PIN,3/16" x 3/4"

Pin, Split (Cotter), 3/16" x 3/4"

1шт.

27

95-5

WASHER,3/8" x 7/8" x .083"

- plain (5/16")

1шт.

28

132-9

COTTER PIN

PIN - cotter, 1/16" dia. x 1"

1шт.

29

L26351

PEDAL - foot accelerator (When stock is exhausted, order L26313 pedal and L12421 pad for service)

1шт.

29

L26313

PEDAL ASSY.

PEDAL - foot accelerator

1шт.

29b

L12421

PAD

- foot accelerator pedal

1шт.

30

L12427

PIN

- pivot, accelerator

1шт.

31

138-90

LOCK PIN,Sl Spring, 3/16" x 5/8", Hvy

Pin, 3/16" x 5/8", Slotted

1шт.

32

113-409

BOLT,Hex, 1/2" - 13 x 4", Gr 5

STOP BOLT - accelerator pedal (1/2"-13 NC x 4")

1шт.

33

25-148

JAM NUT,Jam, 1/2"-13, G5

- hex, jam (1/2"-13 NC)

1шт.

34

L17602

STUD - accelerator link

1шт.

35

D38296

JOINT

BALL JOINT - accelerator link

2шт.

36

25-156

JAM NUT,Jam, 3/8"-24, G5

- hex., jam (3/8"-24 NF)

4шт.

37

92-6

LOCK WASHER,3/8"

2шт.

L10824

ARM ASSEMBLY - accelerator pedal to throttle rod, Includes: Ref. 38 and 39

1шт.

38

NSS

NOT SOLD SEPARAT

ARM - pedal to throttle rod

1шт.

39

A29946

BUSHING

- arm

1шт.

40

219-8

LUBE NIPPLE,1/4" - 28 NPTF

NIPPLE, LUBE, , straight, taper, If used 1/4"-28 NPT x .54" lg

1шт.

41

L12298

ROD - throttle control

1шт.

42

141-4

CLEVIS PIN,3/8" x 1.060"

PIN, CLEVIS, , Rod to arm 3/8" x 1.060"

1шт.

43

132-27

COTTER PIN,3/32" x 7/8"

Pin, Split (Cotter), 3/32" x 7/8"

1шт.

44

L40018

ADAPTER BLOCK - throttle linkage

1шт.

45

195-28

WASHER,3/8"

- plain () 3/8"

2шт.

46

132-46

COTTER PIN,1/8" x 3/4"

Pin, Split (Cotter), 1/8" x 3/4"

1шт.

47

25-156

JAM NUT,Jam, 3/8"-24, G5

- hex., jam (3/8"-24 NF)

2шт.

48

A34709

ROD - throttle, to fuel injection pump

1шт.

Выбрано товаров: 53