Запчасти Case 680CK (086) - FRONT AXLE, SPINDLES AND TIE RODS (25) - FRONT AXLE SYSTEM

Схема запчастей Case 680CK - (086) - FRONT AXLE, SPINDLES AND TIE RODS (25) - FRONT AXLE SYSTEM
FIT
1:1
100%

Артикул

Название

Примечание

Количество

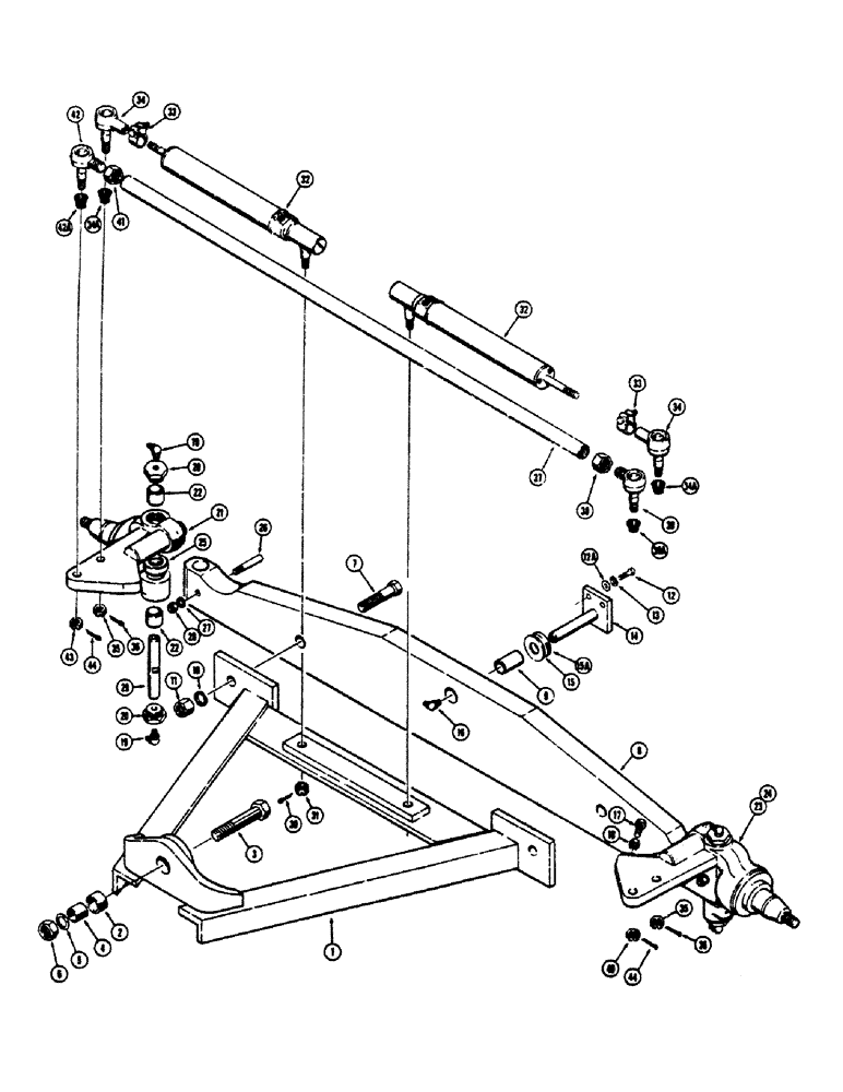
1

L25034

BLADE

RADIUS ROD ASSEMBLY - front axle, Includes: Ref. 2

1шт.

2

L26402

BUSHING

- radius rod

1шт.

3

13-1688

BOLT,Hex, 1" - 8 x 5-1/2", Gr 5

1шт.

4

L26403

BUSHING

- radius rod pivot

1шт.

5

195-2106

WASHER - plain (1")

1шт.

6

131-82

NUT,1"-8

NUT - hex., lock ( NC) 1"-8

1шт.

7

A26659

STEP BOLT

BOLT - special, radius frame to front axle

2шт.

8

L13397

AXLE ASSEMBLY - front, Includes: Ref. 9

1шт.

9

L1411

BUSHING - axle

1шт.

10

92-16

LOCK WASHER,1"

WASHER, LOCK, 1"

2шт.

11

25-1116

NUT,1"-14, G5

- hex. (1"-14 NF)

2шт.

12

13-820

BOLT,Hex, 1/2" - 13 x 1-1/4", Gr 5, Full Thd

2шт.

12a

95-8

WASHER,1/2"

- standard wrot 1/2"

2шт.

13

92-8

LOCK WASHER,1/2"

2шт.

14

L16604

AXLE PIN

PIN - front axle pivot

1шт.

15

A12089

WASHER,38.89mm ID x 76.2mm OD x 1.9mm Thk

- thrust, axle pivot pin

1шт.

15a

R13195

WASHER

- thrust

1шт.

16

219-55

LUBE NIPPLE,90 Degree Elbow, 1/8" - 27 NPTF

NIPPLE, LUBE, 90º, 1/8" NPT x .84" lg

1шт.

17

13-1028

BOLT,Hex, 5/8" - 11 x 1-3/4", Gr 5, Full Thd

2шт.

18

425-1410

JAM NUT,Jam, 5/8"-11, G5

- hex., jam (5/8"-11 NC)

2шт.

19

219-36

LUBE NIPPLE,45 Degree Elbow, 1/8" - 27 NPTF

FITTING - grease, 45 degrees (1/8" NPT)

4шт.

20

A27825

PLUG

- spindle

4шт.

21

L12344

SPINDLE

ASSEMBLY - steering, L.H., Includes: Ref. 22

1шт.

22

L15250

BUSHING

- spindle, kingpin

2шт.

23

L12343

SPINDLE

ASSEMBLY - steering, R.H., Includes: Ref. 24

1шт.

24

L15250

BUSHING

- spindle, kingpin

2шт.

25

A26658

THRUST BEARING,1.26" ID x 2.1875" OD x 0.63"

BEARING - thrust, front axle spindle

2шт.

26

CASL45343

LOCK

- kingpin

2шт.

27

92-8

LOCK WASHER,1/2"

2шт.

28

25-118

NUT,1/2"-20, G5

- hex. (1/2"-20 NF)

2шт.

29

L12264

AXLE PIN

KINGPIN - steering spindle

2шт.

30

132-48

COTTER PIN,1/8" x 1"

Pin, Split (Cotter), 1/8" x 1"

4шт.

31

25-1310

SLOTTED NUT,5/8"-18, G5

NUT - hex., slotted (5/8"-18 NF)

2шт.

32

A55158

CYLINDER BLOCK

CYLINDER - hydraulic, steering (1-3/4" I.D. x 9" stroke) Figure 92

2шт.

33

A27080

CLAMP

- cylinder

2шт.

34

A17137

BALL JOINT

- steering cylinder to spindle (When stock is exhausted, order L40710 ball joint for service), Includes: Ref. 34A and 35

2шт.

34

L40710

BALL

JOINT - steering cylinder to spindle, Includes: Ref. 34A and 35

2шт.

34a

A41424

SEAL

- boot, ball joint

1шт.

35

25-1310

SLOTTED NUT,5/8"-18, G5

NUT - hex, slotted (5/8"-18 NF)

1шт.

36

132-48

COTTER PIN,1/8" x 1"

Pin, Split (Cotter), 1/8" x 1"

2шт.

37

L13422

TUBE - tie rod 1.25" OD x 52.31" L

1шт.

38

A41511

NUT

- lock, special (R.H. thread)

1шт.

39

L13421

BALL

JOINT - tie rod to spindle (R.H. thread), Includes: Ref. 39A and 40

1шт.

39a

A41515

SEAL

- boot, ball joint

1шт.

40

25-1310

SLOTTED NUT,5/8"-18, G5

NUT - hex, slotted (5/8"-18 NF)

1шт.

41

L13419

NUT

- lock, special (L.H. thread)

1шт.

42

L13420

BALL JOINT

- tie rod to spindle (L.H. thread), Includes: Ref. 42A and 43

1шт.

42a

A41515

SEAL

- boot, ball joint

1шт.

43

25-1310

SLOTTED NUT,5/8"-18, G5

NUT - hex., slotted (5/8"-18 NF)

1шт.

44

132-48

COTTER PIN,1/8" x 1"

Pin, Split (Cotter), 1/8" x 1"

2шт.

Выбрано товаров: 50