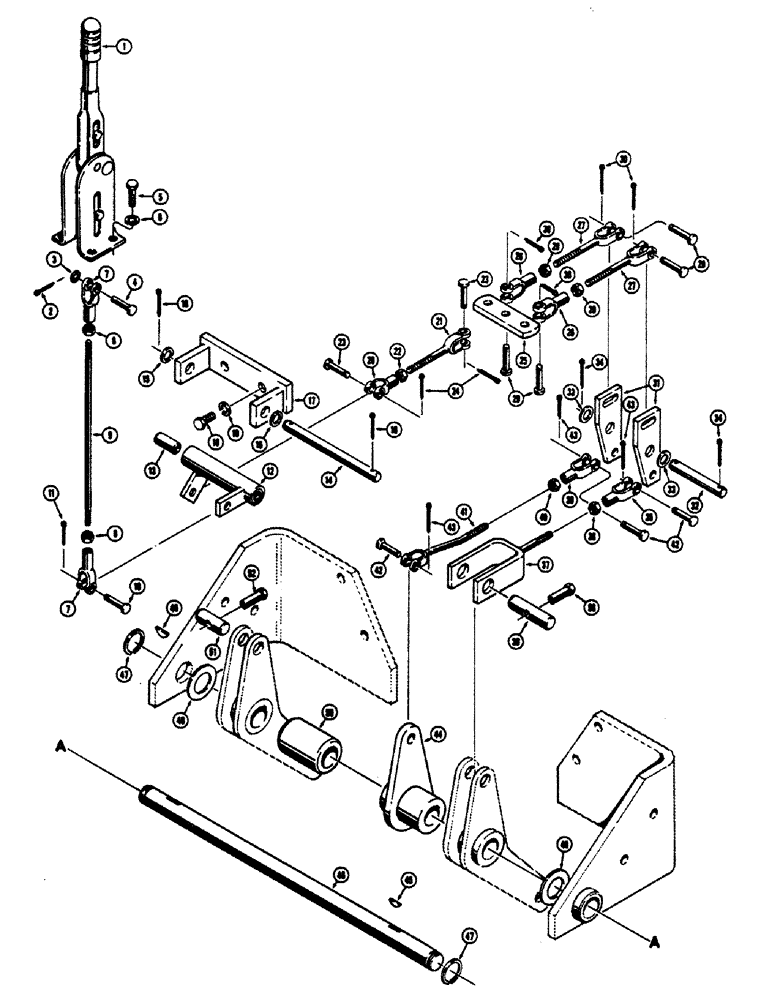
Запчасти Case 680CK (084) - PARKING BRAKE AND LINKAGE (33) - BRAKES & CONTROLS

Схема запчастей Case 680CK - (084) - PARKING BRAKE AND LINKAGE (33) - BRAKES & CONTROLS
FIT
1:1
100%

Артикул

Название

Примечание

Количество

1

A17214

LEVER

ASSEMBLY - parking brake, Includes: Ref. 2 - 4

1шт.

2

132-26

COTTER PIN

Pin, Split (Cotter), 3/32" x 3/4"

1шт.

3

95-5

WASHER,3/8" x 7/8" x .083"

- plain (5/16")

1шт.

4

L30975

AXLE PIN,7.82mm OD x 39.69mm L

PIN - parking brake to control rod

1шт.

5

13-424

BOLT,Hex, 1/4" - 20 x 1-1/2", Gr 5

Hex, 1/4"-20 x 1 1/2", G5

4шт.

6

92-4

LOCK WASHER,1/4"

WASHER, LOCK, 1/4"

4шт.

7

213-3

ADJUSTABLE CLEVIS,5/16"-24

YOKE - rod end, adjustable

2шт.

8

25-115

NUT,5/16"-24, G5

- hex (5/16"-24 NF)

2шт.

9

L26218

ROD

- parking brake

1шт.

10

141-3

CLEVIS PIN,5/16" x .940"

PIN, CLEVIS, 5/16" x .940"

1шт.

11

132-7

COTTER PIN,1/16" x 3/4"

Pin, Split (Cotter), 1/16" x 3/4"

1шт.

12

L26418

BELLCRANK - parking brake, upper, Includes: Ref. 13

1шт.

13

F60721

BUSHING - bellcrank

2шт.

14

L26431

SHAFT - bellcrank pivot

1шт.

15

195-33

WASHER,1/2"

- plain () 1/2"

2шт.

16

132-48

COTTER PIN,1/8" x 1"

Pin, Split (Cotter), 1/8" x 1"

2шт.

17

L26436

BRACKET - bellcrank support, upper

1шт.

18

13-614

BOLT,Hex, 3/8" - 16 x 7/8", Gr 5, Full Thd

2шт.

19

92-6

LOCK WASHER,3/8"

2шт.

20

213-3

ADJUSTABLE CLEVIS,5/16"-24

YOKE - rod end

1шт.

21

G10928

YOKE

ROD - bellcrank to equalizer link

1шт.

22

25-155

JAM NUT,Jam, 5/16"-24, G5

- hex., jam (5/16"-24 NF)

1шт.

23

141-3

CLEVIS PIN,5/16" x .940"

PIN, CLEVIS, 5/16" x .940"

2шт.

24

132-7

COTTER PIN,1/16" x 3/4"

Pin, Split (Cotter), 1/16" x 3/4"

2шт.

25

L25720

LINK - equalizer

1шт.

26

213-3

ADJUSTABLE CLEVIS,5/16"-24

YOKE - rod end

2шт.

27

G10928

YOKE

ROD - equalizer, Serial Range: link-bellcrank

2шт.

28

25-155

JAM NUT,Jam, 5/16"-24, G5

- hex., jam (5/16"- 24 NF)

2шт.

29

141-3

CLEVIS PIN,5/16" x .940"

PIN, CLEVIS, 5/16" x .940"

4шт.

30

132-7

COTTER PIN,1/16" x 3/4"

Pin, Split (Cotter), 1/16" x 3/4"

4шт.

31

L26428

BELLCRANK - parking brake, lower

2шт.

32

T32219

SHAFT - bellcrank pivot

1шт.

33

195-33

WASHER,1/2"

- plain () 1/2"

2шт.

34

132-28

COTTER PIN,3/32" x 1"

Pin, Split (Cotter), 3/32" x 1"

2шт.

35

213-3

ADJUSTABLE CLEVIS,5/16"-24

YOKE - rod end

1шт.

36

25-155

JAM NUT,Jam, 5/16"-24, G5

- hex., jam (5/16"- 24 NF)

1шт.

37

L26438

YOKE - bellcrank to R.H. differential brake

1шт.

38

L25736

TRUNNION - brake, R.H.

1шт.

39

213-3

ADJUSTABLE CLEVIS,5/16"-24

YOKE - rod end

1шт.

40

25-155

JAM NUT,Jam, 5/16"-24, G5

- hex., jam (5/16"-24 NF)

1шт.

41

A30642

ROD

- bellcrank to L.H. differential brake

1шт.

42

141-3

CLEVIS PIN,5/16" x .940"

PIN, CLEVIS, 5/16" x .940"

3шт.

43

132-7

COTTER PIN,1/16" x 3/4"

Pin, Split (Cotter), 1/16" x 3/4"

3шт.

44

L25528

BELLCRANK - parking brake to L.H. differential brake, at pivot shaft

1шт.

45

126-24

WOODRUFF KEY,#15, 1/4" x 1"

1шт.

46

L25738

SHAFT

- bellcrank pivot

1шт.

47

F62093

RING, SNAP

RING - snap

2шт.

48

195-79

WASHER - plain (1-3/16")

2шт.

49

126-24

WOODRUFF KEY,#15, 1/4" x 1"

1шт.

50

L25579

SPACER -, Serial Range: bellcrank-differential

1шт.

51

L25907

TRUNNION - brake, L.H.

1шт.

52

A27686

NUT

- retaining, differential, Serial Range: rod-trunnion

2шт.

Выбрано товаров: 52