Запчасти Case 680CK (158) - EQUIPMENT HYDRAULICS, OIL COOLER AND RETURN HYDRAULICS (35) - HYDRAULIC SYSTEMS

Схема запчастей Case 680CK - (158) - EQUIPMENT HYDRAULICS, OIL COOLER AND RETURN HYDRAULICS (35) - HYDRAULIC SYSTEMS
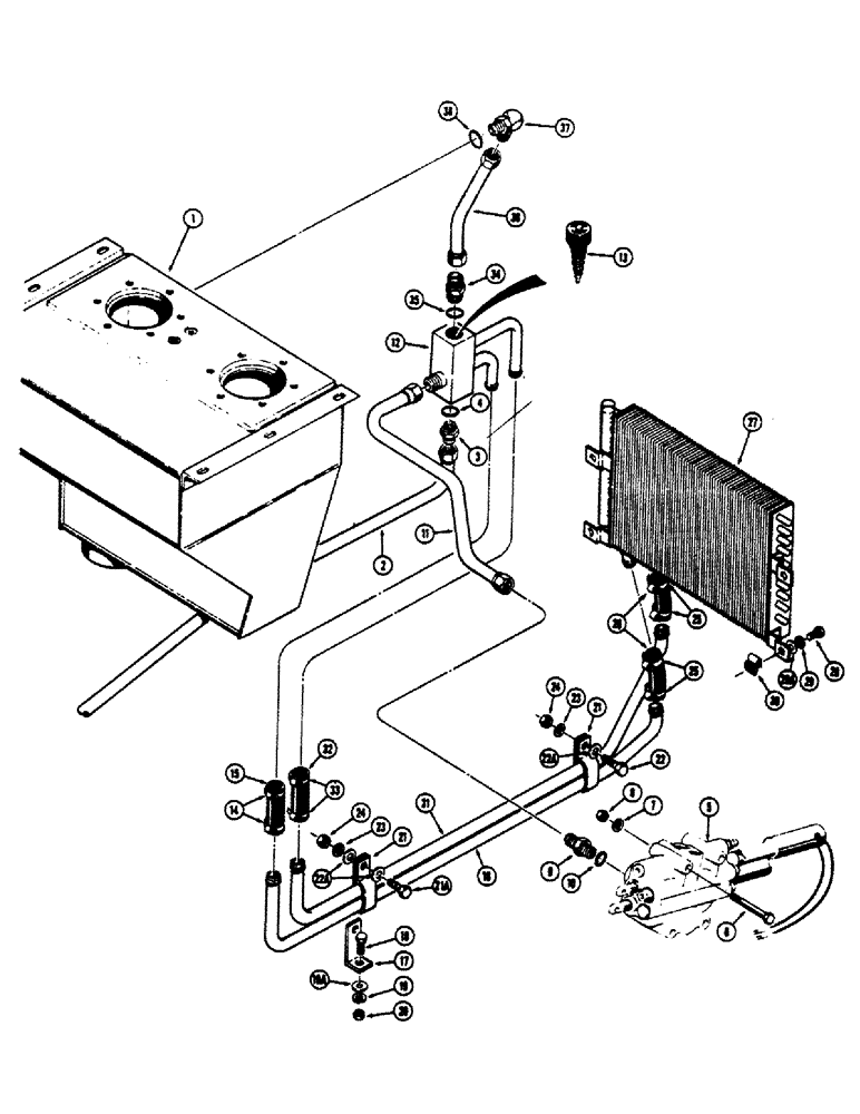
FIT
1:1
100%

Артикул

Название

Примечание

Количество

1

REF

INSTRUCTION

TANK - hydraulic oil reservoir (See Figure 104 for service and related parts)

1шт.

2

L25919

TUBE - return, backhoe valve outlet to manifold 1.25" OD x 68.8, 8.6" L

1шт.

3

218-5072

HYD CONNECTOR,1-5/8" - 12 Male JIC x 1-5/8" - 12 Male ORB

CONNECTOR - male, straight, Includes: Ref. 4

1шт.

4

218-5011

O-RING,0.118" Thk x 1.475" ID, -920, Cl 6, 90 Duro

SEAL - "O" ring

1шт.

5

REF

INSTRUCTION

VALVE - hydraulic, loader control (See Figure 178 (1) for proper valve)

1шт.

6

13-672

BOLT,Hex, 3/8" - 16 x 4-1/2", Gr 5

HHCS - 3/8"-16 NC x 4-1/2"

3шт.

7

92-6

LOCK WASHER,3/8"

3шт.

8

25-106

NUT,3/8"-16, G5

- hex. (3/8"-16 NC)

3шт.

9

218-5050

HYD CONNECTOR,1-5/16" - 12 Male JIC x 1-1/16" - 12 Male ORB

CONNECTOR, HYD., male, straight (Special), Incl. Ref. 10

1шт.

10

218-5008

O-RING,0.116" Thk x 0.924" ID, -912, Cl 6, 90 Duro

SEAL - "O" ring

1шт.

11

L25789

TUBE - return, loader valve to manifold 20.5, 11.1" L

1шт.

12

L24325

MANIFOLD - oil cooler

1шт.

13

L13790

LOCK VALVE

VALVE - relief, oil cooler

1шт.

14

214-256

HOSE CLAMP,#20, 0.81" - 1.75", Type F Worm

CLAMP - hose

2шт.

15

L13707

HOSE,0.75" ID x 1.25" OD

0.75" ID x 5.00", SAE 100R2, Tube Connector

1шт.

16

L17472

TUBE - manifold to cooler 0.75" OD

1шт.

17

L17509

TEE

BRACKET - cooler tube clamp

1шт.

18

13-620

BOLT,Hex, 3/8" - 16 x 1-1/4", Gr 5, Full Thd

1шт.

19

92-6

LOCK WASHER,3/8"

1шт.

19a

95-6

WASHER,3/8"

- plain () 3/8"

1шт.

20

25-106

NUT,3/8"-16, G5

- hex. (3/8"-16 NC)

1шт.

21

L17508

CLAMP

- cooler tube

2шт.

21a

13-512

BOLT,Hex, 5/16" - 18 x 3/4", Gr 5

1шт.

22

13-516

BOLT,Hex, 5/16" - 18 x 1", Gr 5

1шт.

22a

95-5

WASHER,3/8" x 7/8" x .083"

- standard wrot (5/16")

3шт.

23

92-5

LOCK WASHER,5/16"

2шт.

24

9635082

NUT,5/16" - 18, Gr 5

- hex. (5/16"-18 NC)

2шт.

25

214-256

HOSE CLAMP,#20, 0.81" - 1.75", Type F Worm

CLAMP - hose

4шт.

26

L13707

HOSE,0.75" ID x 1.25" OD

0.75" ID x 5.00", SAE 100R2, Tube Connector

2шт.

27

A57183

COOLER ASSY.

COOLER - hydraulic oil

1шт.

28

13-510

BOLT,Hex, 5/16" - 18 x 5/8", Gr 5, Full Thd

4шт.

29

92-5

LOCK WASHER,5/16"

4шт.

29a

195-21

WASHER,5/16"

- plain () 5/16"

4шт.

30

131-607

NUT

- Tinnerman (5/16"-18 NC)

4шт.

31

L17680

TUBE - return, cooler to manifold 0.75" OD

1шт.

32

L13707

HOSE,0.75" ID x 1.25" OD

0.75" ID x 5.00", SAE 100R2, Tube Connector

1шт.

33

214-256

HOSE CLAMP,#20, 0.81" - 1.75", Type F Worm

CLAMP - hose

2шт.

34

218-5072

HYD CONNECTOR,1-5/8" - 12 Male JIC x 1-5/8" - 12 Male ORB

CONNECTOR - male, straight, Includes: Ref. 35

1шт.

35

218-5011

O-RING,0.118" Thk x 1.475" ID, -920, Cl 6, 90 Duro

SEAL - "O" ring

1шт.

36

L25792

TUBE - return, Serial Range: manifold-reservoir

1шт.

37

218-5112

ELBOW,90 Degree Elbow, 1-5/8" - 12 Male JIC x 1-5/8" - 12 Male ORB

- adjustable, 90 degrees, Includes: Ref. 38

1шт.

38

218-5010

O-RING,0.116" Thk x 1.171" ID, -916, Cl 6, 90 Duro

SEAL - "O" ring

1шт.

Выбрано товаров: 42