Запчасти Case 680CK (153A) - REAR COUNTERWEIGHT AND RELATED PARTS (39) - FRAMES AND BALLASTING

Схема запчастей Case 680CK - (153A) - REAR COUNTERWEIGHT AND RELATED PARTS (39) - FRAMES AND BALLASTING
FIT
1:1
100%

Артикул

Название

Примечание

Количество

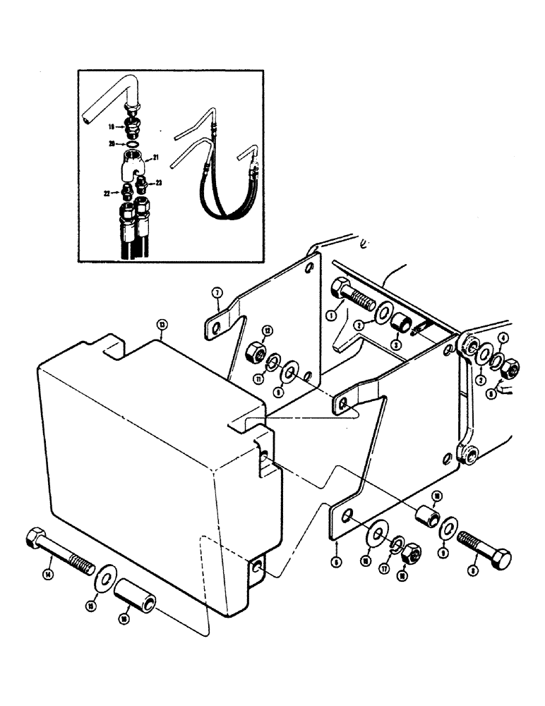
1

13-1656

BOLT,Hex, 1" - 8 x 3-1/2", Gr 5

HHCS - 1"-8 NC x 3-1/2" (Frame to side plate)

4шт.

2

A30849

WASHER - special

8шт.

3

L19640

BUSHING -, Serial Range: plate-frame

4шт.

4

192-171

LOCK WASHER,1"

WASHER, LOCK, 1"

4шт.

4

192-171

LOCK WASHER,1"

WASHER, LOCK, 1"

4шт.

5

25-1016

NUT,1"-8, G5

4шт.

6

L19658

PLATE - side, counterweight mounting (R.H.)

1шт.

7

L19657

PLATE - side, counterweight mounting (L.H.)

1шт.

8

13-1680

CAPSCREW,Hex, 1" - 8 x 5", Gr 5

BOLT, (Side plate to counterweight, upper) Hex, 1"-8 x 5", G5

2шт.

9

A30849

WASHER - special

4шт.

10

L19641

BUSHING - upper counterweight mounting

2шт.

11

192-171

LOCK WASHER,1"

WASHER, LOCK, 1"

2шт.

12

25-1016

NUT,1"-8, G5

2шт.

13

L10906

COUNTERWEIGHT - rear (2800 lbs.)

1шт.

14

13-16120

SCREW,Hex, 1" - 8 x 7 1/2", Gr 5

BOLT, (Side plate to counterweight, lower) Hex, 1"-8 x 7 1/2", G5

2шт.

15

L42515

WASHER

- special

4шт.

16

L19642

BUSHING - lower counterweight mounting

2шт.

17

192-171

LOCK WASHER,1"

WASHER, LOCK, 1"

2шт.

18

25-1016

NUT,1"-8, G5

2шт.

19

L19599

FITTING

- swivel, straight, cross over hydraulics used on models without backhoe, Includes: Ref. 20

1шт.

20

218-5011

O-RING,0.118" Thk x 1.475" ID, -920, Cl 6, 90 Duro

SEAL - "O" ring, cross over hydraulics used on models without backhoe

1шт.

21

L19608

CONNECTOR, ELEC

JUNCTION - return (With backhoe removed), cross over hydraulics used on models without backhoe

1шт.

22

218-1027

HYD CONNECTOR,1 1/16"-12, 37 Degree x 1"-11 1/2, NPTF

ADAPTER - straight (Junction to center inlet hose), cross over hydraulics used on models without backhoe

1шт.

23

218-448

HYD CONNECTOR,1-5/16" - 12 Male JIC x 1" - 11-1/2 Male NPTF

ADAPTER - straight (Junction to end inlet hose), cross over hydraulics used on models without backhoe

1шт.

Выбрано товаров: 24