Запчасти Case 680CK (110) - L17373 POWER STEERING PUMP (41) - STEERING

Схема запчастей Case 680CK - (110) - L17373 POWER STEERING PUMP (41) - STEERING
FIT
1:1
100%

Артикул

Название

Примечание

Количество

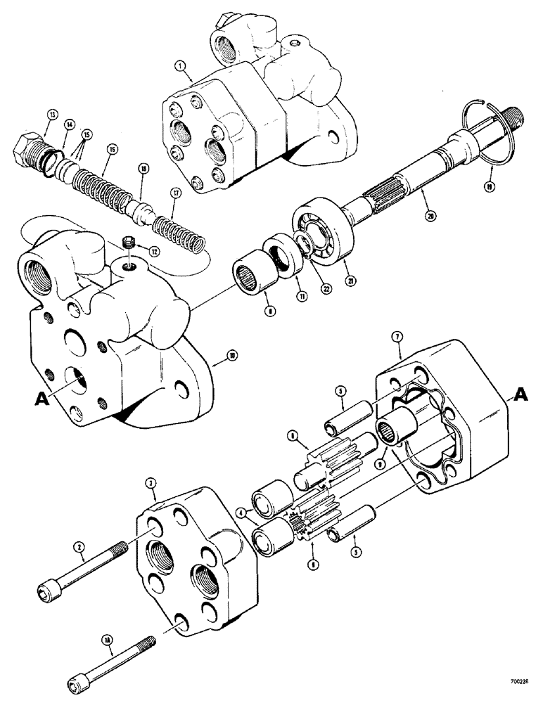
1

L17373

PUMP

ASSEMBLY - power steering, Includes: Ref. 1A - 22

1шт.

1a

61-436

HEX SOC SCREW,1/4"-20 x 2 1/4"

SCREW - hex. socket head (1/4"-20 NC x 2-1/4")

2шт.

2

61-536

HEX SOC SCREW,5/16"-18 x 2 1/4"

SCREW - hex. socket head (5/16" - 18 NC x 2-1/4")

4шт.

L32758

COVER ASSEMBLY - pump, rear, Includes: Ref. 3 and 4

1шт.

3

NSS

NOT SOLD SEPARAT

COVER - pump, rear

1шт.

4

L32759

BEARING

- needle

2шт.

5

NLS

NO LONGER SERVICED

PIN - dowel, 1-1/4" long

2шт.

6

L32850

GEAR SET - matched, drive and driven

1шт.

7

L32771

HOUSING - gear

1шт.

L32760

BODY ASSEMBLY - pump, power steering, Includes: Ref. 8 - 18

1шт.

L32851

PACKAGE, REPAIR

KIT - pump body, power steering, Includes: Ref. 8 - 10

1шт.

8

A30586

NEEDLE BEARING

BEARING - needle, shaft

1шт.

9

L32759

BEARING

- needle, driven gear

1шт.

10

NSS

NOT SOLD SEPARAT

BODY - pump, power steering

1шт.

11

L32761

OIL RESERVOIR

SEAL - oil, shaft

1шт.

12

221-849

PLUG,Hex Soc, 1/8"-27

- pipe, hex. socket head (1/8" NPT)

1шт.

13

L32764

PLUG - special (3/4" - 16 NF)

1шт.

14

A7982

O-RING,0.103" Thk x 0.612" ID, -114, Cl 5, 75 Duro

SEAL - "O" ring

1шт.

15

L32766

SHIM

- spacer, .0075" thick

1шт.

15

L32765

SHIM - spacer, .0149" thick

1шт.

15

L32767

SHIM

- spzcer, .090" thick

1шт.

16

L32763

VALVE SPRING

SPRING - tension, outer

1шт.

17

L32768

VALVE SPRING

SPRING - tension, inner

1шт.

18

L32762

SCREW

POPPET - valve type

1шт.

19

T28736

SNAP RING,1.562", Int, #156

Ring, Snap, , shaft 1.562", Int, #156

1шт.

20

L32769

SHAFT

- drive, pump

1шт.

21

A43356

BEARING ASSY

BEARING - ball

1шт.

22

C15585

RING, SNAP

RING - retaining, bearing

1шт.

Выбрано товаров: 28