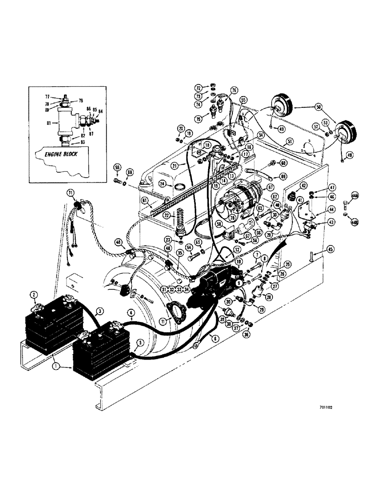
Запчасти Case 680CK (042) - ELECTRICAL SYSTEM, FRONT HARNESS (55) - ELECTRICAL SYSTEMS

Схема запчастей Case 680CK - (042) - ELECTRICAL SYSTEM, FRONT HARNESS (55) - ELECTRICAL SYSTEMS
FIT
1:1
100%

Артикул

Название

Примечание

Количество

1

A8325

BATTERY - dry type, 6 volt (When stock is exhausted, order F53478 batttery for service)

2шт.

1

F53478

DRY BATTERY

- dry type, 6 volt

2шт.

2

L17227

CABLE - jumper (19" long)

1шт.

3

L17229

CABLE - battery, negative terminal to ground (49" long)

1шт.

4

L17228

CABLE - battery, positive terminal to solenoid (42" long)

1шт.

5

A22880

CLIP

CLAMP - cable

1шт.

6

L26443

CABLE - ground, starter to frame (26" long)

1шт.

7

13-844

BOLT,Hex, 1/2" - 13 x 2-3/4", Gr 5

Hex, 1/2"-13 x 2 3/4", G5

1шт.

8

A10009

SCREW,Stud, Hex, 1/2" - 13 x 1 1/4", Nylon Insert

BOLT - special

2шт.

9

92-8

LOCK WASHER,1/2"

med. sect. 1/2"

3шт.

10

A59217

STARTER MOTOR

STARTER - engine (See Figures 60 & 62)

1шт.

11

A27933

GASKET

- starter

1шт.

12

A24093

CABLE PULLING GRIP

CABLE - starter to solenoid (20" long)

1шт.

13

113-3

BOLT,Hex, 1/4" - 20 x 3/4", Gr 5

2шт.

14

195-518

WASHER,1/4", SAE

- plain (1/4") Zinc plated

2шт.

15

A57069

SOLENOID

- manifold heater, 12 volt, Includes: Ref. 16 and 17

1шт.

16

92-3

LOCK WASHER,#10

WASHER, LOCK, #10

1шт.

17

129-27

NUT,Hex, #10 - 32

- hex. (#10 - 32 NF)

1шт.

18

L11520

BRACKET - solenoid mounting

1шт.

19

192-19

LOCK WASHER,Helical Spring, 0.256" ID, CST, ZND

WASHER, LOCK, 1/4"

2шт.

20

7770

NUT,Hex, 1/4 - 20, Cl 5

1/4"-20, G5

2шт.

21

L11368

CABLE

- solenoid to heater (20" long)

1шт.

22

A37775

HEATER

- manifold, Includes: Ref. 23

1шт.

23

129-503

NUT,1/4"-20, Brass

1шт.

24

A20916

MANIFOLD GASKET

GASKET - manifold heater

1шт.

25

129-37

NUT,#10-32

1шт.

26

192-18

LOCK WASHER,Helical Spring, #10, 0.196" ID, CST, ZND

WASHER, LOCK, #10

1шт.

27

195-512

WASHER,#10

- plain () Zinc plated #10

1шт.

28

A35031

SENDER UNIT

SENDING UNIT - engine oil pressure gauge

1шт.

29

221-1411

ELBOW,90 Degree, 1/8"-27, NPT

- street, 90 degrees (Galvanized)

2шт.

30

221-1052

PLUG

BUSHING - hex. reducing (3/8" x 1/8")

2шт.

31

13-612

BOLT,Hex, 3/8" - 16 x 3/4", Gr 5, Full Thd

1шт.

32

92-6

LOCK WASHER,3/8"

med. sect. 3/8"

1шт.

33

195-25

WASHER,3/8"

1шт.

34

A22880

CLIP

- harness (If used)

1шт.

35

L19036

HARNESS- main wiring, front

1шт.

36

129-37

NUT,#10-32

1шт.

37

192-18

LOCK WASHER,Helical Spring, #10, 0.196" ID, CST, ZND

WASHER, LOCK, #10

1шт.

38

195-512

WASHER,#10

- plain () Zinc plated #10

1шт.

39

A13794

TRANSMITTER

SENDING UNIT - oil pressure indicator light, Includes: Ref. 39A and 39B

1шт.

39a

L15347

WIRE - switch to heater (Not shown)

1шт.

39b

L11778

CONNECTOR, ELEC

TERMINAL - electrical, bullet type (Not shown)

1шт.

40

D28798

SWITCH

- pressure, Includes: Ref. 41

1шт.

41

D28797

ELECTRICAL WIRE

WIRE - switch

1шт.

42

L13821

BOOT

- protective, switch

1шт.

43

L11343

BREAKER

CIRCUIT BREAKER - electrical, 60 amp

1шт.

44

L18960

BRACKET

- mounting, circuit breaker

1шт.

44a

13-612

BOLT,Hex, 3/8" - 16 x 3/4", Gr 5, Full Thd

1шт.

44b

92-6

LOCK WASHER,3/8"

med. sect. 3/8"

1шт.

45

173-97

SCREW,Sl Rnd Hd, #10 - 24 x 1/2"

RHMS - #10 - 24 NC x 1/2"

2шт.

46

92-3

LOCK WASHER,#10

WASHER, LOCK, #10

2шт.

47

129-17

NUT,Hex, #10 - 24

NUT - hex. (#10 - 24 NC)

2шт.

48

A22880

CLIP

- harness, at flywheel housing

2шт.

49

A15941

ELECTRICAL WIRE

WIRE - ground, headlight

2шт.

50

D30243

LAMP

HEADLIGHT ASSEMBLY - 12 volt (Parts list Figure 50)

2шт.

51

L11352

ELECTRICAL WIRE

WIRE - headlight connecting

1шт.

52

129-7

NUT,Hex, #10 - 24

- hex. (#10 - 24 NC)

6шт.

53

193-6

LOCK WASHER,Ext Tooth, #10

WASHER, LOCK, Ext Tooth, #10

6шт.

54

A7922

CLIP

- harness, at radiator mount

1шт.

55

A22880

CLIP

- harness, at water manifold

1шт.

56

165-20

HEX SOC SCREW,#10 - 24 x 3/8"

CAP SCREW - hex. socket head (#10 - 24 NC x 3/8")

3шт.

57

92-3

LOCK WASHER,#10

WASHER, LOCK, #10

3шт.

58

L11351

REGULATOR

- voltage

1шт.

59

13-58

BOLT,Hex, 5/16" - 18 x 1/2", Gr 5

2шт.

60

92-5

LOCK WASHER,5/16"

med. sect. 5/16"

2шт.

61

A7532

CONDUIT - wire

1шт.

62

13-652

BOLT,Hex, 3/8" - 16 x 3-1/4", Gr 5

HHCS - 3/8" - 16 NC x 3-1/4"

1шт.

63

92-6

LOCK WASHER,3/8"

med. sect. 3/8"

1шт.

64

13-1244

BOLT,Hex, 3/4" - 10 x 2-3/4", Gr 5

1шт.

65

92-12

LOCK WASHER,3/4"

WASHER, LOCK, 3/4"

1шт.

66

A38492

BRACKET

- alternator mounting

1шт.

67

A41340

ALTERNATOR

- electrical, 55 amp. (Parts list Figure 58)

1шт.

68

193-514

SCREW,SEMS, Hex Hd, 5/16"-18 x 3/4"

AND LOCKWASHER - 5/16" - 18 NC x 3/4"

1шт.

69

L41455

STRAP

- alternator adjusting

1шт.

70

129-17

NUT,Hex, #10 - 24

NUT - hex. #10 - 24 NC (Zinc plated)

3шт.

71

L17604

GROMMET

- rubber, at fire wall

1шт.

72

129-16

NUT,#8-32

Models with water temperature sending units not mounted in pipe tee #8-32

2шт.

73

192-16

LOCK WASHER,Helical Spring, #8, 0.17" ID, CST, ZND

Washer, Lock, , Models with water temperature sending units not mounted in pipe tee #8

2шт.

74

195-509

WASHER,3/16"

- plain (#8) Zinc plated, models with water temperature sending units not mounted in pipe tee

2шт.

75

L11350

SENDER UNIT

SENDING UNIT - water temperature indicator light, models with sending units not mounted in pipe tee

1шт.

76

A21462

SENDER UNIT

SENDING UNIT - water temperature gauge, models with sending units not mounted in pipe tee

1шт.

77

129-37

NUT,#10-32

Models with water temperature sending units mounted in pipe tee in cylinder head #10-32

1шт.

78

129-37

NUT,#10-32

Models with water temperature sending units mounted in pipe tee in cylinder head #10-32

1шт.

79

195-512

WASHER,#10

- plain () Zinc plated, models with water temperature sending units mounted in pipe tee in cylinder head #10

1шт.

80

A21462

SENDER UNIT

SENDING UNIT - water temperature gauge, models with water temperature sending units mounted in pipe tee in cylinder head

1шт.

81

221-1424

TEE,Pipe, 1/2" NPT

- pipe (1/2" NPT), models with water temperature sending units mounted in pipe tee in cylinder head

1шт.

82

221-1056

BUSHING

- reducing (1/2" NPT to 3/8" NPT), models with water temperature sending units mounted in pipe tee in cylinder head

2шт.

83

221-1160

FITTING

NIPPLE - pipe (3/8" NPT), models with water temperature sending units mounted in pipe tee in cylinder head

1шт.

84

129-16

NUT,#8-32

Models with water temperature sending units mounted in pipe tee in cylinder head #8-32

1шт.

85

192-16

LOCK WASHER,Helical Spring, #8, 0.17" ID, CST, ZND

Washer, Lock, , Models with water temperature sending units mounted in pipe tee in cylinder head #8

1шт.

86

195-509

WASHER,3/16"

- plain (#8) Zinc plated, models with water temperature sending units mounted in pipe tee in cylinder head

1шт.

87

L11350

SENDER UNIT

SENDING UNIT - water temperature indicator light, models with water temperature sending units mounted in pipe tee in cylinder head

1шт.

Выбрано товаров: 92