Запчасти Case 680CK (052) - INSTRUMENT PANEL (55) - ELECTRICAL SYSTEMS

Схема запчастей Case 680CK - (052) - INSTRUMENT PANEL (55) - ELECTRICAL SYSTEMS
FIT
1:1
100%

Артикул

Название

Примечание

Количество

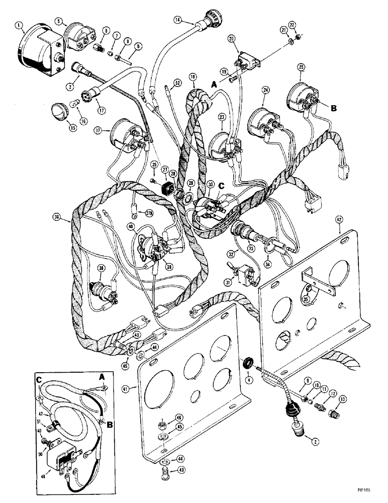
1

A11190

TACHOMETER

- engine speed (R.P.M.)

1шт.

2

L11334

CABLE

- tachometer, Includes: Ref. 3

1шт.

3

A24523

KIT

CABLE KIT - tachometer drive (Not illustrated)

1шт.

4

L17604

GROMMET

- tachometer cable at fire wall

1шт.

5

A56447

ELECTRICAL GAUGE

GAUGE - clutch oil pressure

1шт.

222-681

FITTING,5/16"-24 x 1/8" NPT Fem, Comp

COUPLING ASSEMBLY - female (1/8" tube O.D.), Includes: Ref. 6 - 8

1шт.

6

NSS

NOT SOLD SEPARAT

COUPLING - female

1шт.

7

222-650

SLEEVE,1/8" Tube, Comp

Coupling 1/8" Tube, Comp

1шт.

8

222-660

FLANGE NUT,5/16"-24, 45 Degree Fl, Comp

- coupling 5/16"-24, 45º Fl, Comp

1шт.

9

L11335

TUBE,60" L

- clutch oil pressure gauge to forward and reverse transmission housing

1шт.

222-600

FITTING,5/16"-24 x 1/8 NPT, Comp

CONNECTOR ASSEMBLY - male (1/8" tube O.D.), Includes: Ref. 10 - 12

1шт.

10

222-660

FLANGE NUT,5/16"-24, 45 Degree Fl, Comp

- connector 5/16"-24, 45º Fl, Comp

1шт.

11

222-650

SLEEVE,1/8" Tube, Comp

Connector 1/8" Tube, Comp

1шт.

12

NSS

NOT SOLD SEPARAT

CONNECTOR - male

1шт.

13

221-1051

REDUCER,Hex, 1/4" x 1/8" NPT

REDUCING BUSHING - hex., pipe (1/4" x 1/8" NPT)

1шт.

14

L11347

LIGHT

ASSEMBLY - instrument panel, Includes: Ref. 15 - 17

2шт.

15

L30467

LENS

- light

1шт.

16

L30466

LAMP

BULB - light

1шт.

17

L30509

SOCKET

- light

1шт.

18

L43433

HARNESS - wiring, L.H. panel

1шт.

19

173-226

SCREW,Sl Rnd Hd, #8 - 32 x 3/8"

RHMS - #8 - 32 NC x 3/8" (Zinc plated)

2шт.

20

L11342

BREAKER

CIRCUIT BREAKER - electrical, 25 amp

1шт.

21

192-16

LOCK WASHER,Helical Spring, #8, 0.17" ID, CST, ZND

Washer, Lock, #8

2шт.

22

129-16

NUT,#8-32

2шт.

23

A55699

ELECTRICAL GAUGE

GAUGE - ammeter, alternator amperage

1шт.

24

A19347

ELECTRICAL GAUGE

GAUGE - engine water temperature

1шт.

25

A19346

ELECTRICAL GAUGE

GAUGE - engine oil pressure

1шт.

L10376

SWITCH

ASSEMBLY - lights, Includes: Ref. 26 - 30

1шт.

26

A20468

SCREW,Spcl, #8 - 32 x 5/16"

- special

1шт.

27

A20465

KNOB

- switch

1шт.

28

A20467

NUT

- special

1шт.

29

193-63

LOCK WASHER,Int Tooth, 5/8"

WASHER - lock, internal tooth (5/8")

1шт.

30

NSS

NOT SOLD SEPARAT

SWITCH - lights

1шт.

31

T31464

SWITCH

- toggle, rear flood light

1шт.

32

L25840

WIRE - connector, toggle switch to master light switch

1шт.

33

L11344

WARNING LIGHT

- engine, low or no oil pressure or high coolant temperature

1шт.

34

L11345

GASKET

- warning light

1шт.

35

205-17

PLUG - button type, 1/2" dia.

1шт.

36

L15362

HARNESS - wiring, R.H. instrument panel

1шт.

37

A13756

GAUGE

- torque converter oil temperature

1шт.

37a

A18311

ELECTRICAL WIRE

WIRE - ground, oil temperature gauge

1шт.

38

D34924

SWITCH

- starter, push button

1шт.

L17820

SWITCH

AND KEY - electrical, Includes: Ref. 39 and 40

1шт.

39

NSS

NOT SOLD SEPARAT

SWITCH - electrical

1шт.

40

A20346

KEY

- switch, ignition

1шт.

41

L26213

PANEL - instrument, R.H.

1шт.

42

L26220

PANEL - instrument, L.H.

1шт.

43

173-214

SCREW,Phil Rnd Hd, 1/4" - 20 x 3/4"

RHMS - 1/4" - 20 NC x 3/4" (Phillips head) Zinc plated

8шт.

44

195-518

WASHER,1/4", SAE

- plain (1/4") Zinc plated

8шт.

45

192-19

LOCK WASHER,Helical Spring, 0.256" ID, CST, ZND

WASHER, LOCK, 1/4"

8шт.

46

7770

NUT,Hex, 1/4 - 20, Cl 5

1/4"-20, G5, If Used

4шт.

47

L43408

HARNESS

- light relay

1шт.

48

L11508

RELAY

- light

1шт.

49

13-48

BOLT,Hex, 1/4" - 20 x 1/2", Gr 5

2шт.

50

92-4

LOCK WASHER,1/4"

WASHER, LOCK, 1/4"

2шт.

51

515-2348

CLAMP,4.8mm ID, 10.3mm Bolt Hole, P Type

- wiring harness

1шт.

52

L17981

WIRE - signal and flasher switch extension

1шт.

Выбрано товаров: 57