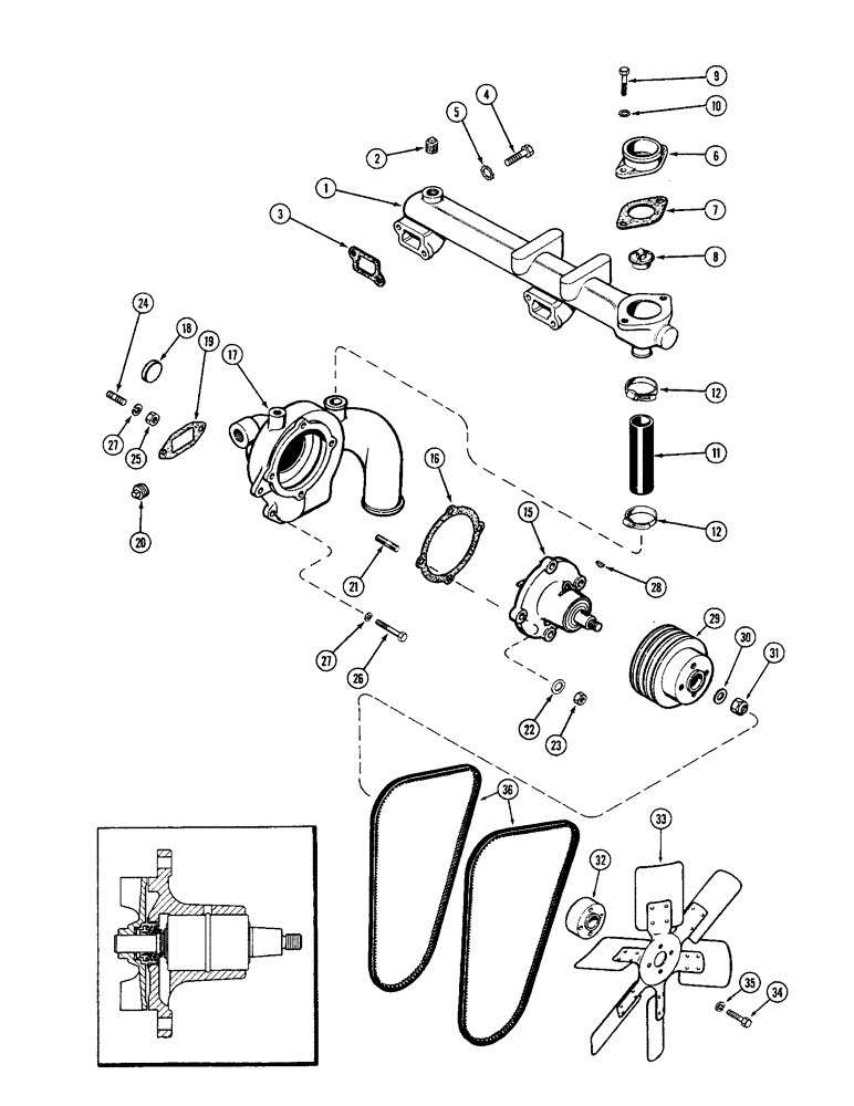
Запчасти Case 680CK (008) - WATER PUMP AND ATTACHING PARTS, (267B) DIESEL ENGINE (10) - ENGINE

Схема запчастей Case 680CK - (008) - WATER PUMP AND ATTACHING PARTS, (267B) DIESEL ENGINE (10) - ENGINE
FIT
1:1
100%

Артикул

Название

Примечание

Количество

1

A58735

MANIFOLD

- water

1шт.

2

221-4

DRAIN PLUG,Sq Hd, 1/2"-14 NPTF

PLUG - pipe (1/2" square head)

1шт.

3

A58637

MANIFOLD GASKET

- water manifold

2шт.

4

13-624

BOLT,Hex, 3/8" - 16 x 1-1/2", Gr 5

- hex. hd. (3/8 x 1-1/2" N.C.)

2шт.

4

413-632

BOLT,Hex, 3/8" - 16 x 2", Gr 5

- 3/8" x 2" N.C. hex.

2шт.

5

193-10

LOCK WASHER,Ext Tooth, 0.391" ID x 0.682" OD, STL, PLN

WASHER, LOCK, Ext Tooth, 3/8"

4шт.

6

A58736

HOUSING

- thermostat

1шт.

7

G46907

GASKET

- thermostat housing

1шт.

8

A57641

THERMOSTAT

1шт.

9

13-614

BOLT,Hex, 3/8" - 16 x 7/8", Gr 5, Full Thd

2шт.

10

193-10

LOCK WASHER,Ext Tooth, 0.391" ID x 0.682" OD, STL, PLN

WASHER, LOCK, Ext Tooth, 3/8"

2шт.

11

A60449

HOSE

- water pump by-pass

1шт.

12

214-256

HOSE CLAMP,#20, 0.81" - 1.75", Type F Worm

CLAMP - by-pass hose (1-3/16 to 1-3/4")

2шт.

15

A61266

PUMP

ASSY. - water

1шт.

16

A58646

GASKET

-, Serial Range: pump-body

1шт.

17

A59220

BODY

ASSY. - water pump, Includes: Ref. 18

1шт.

18

A58568

PLUG,Cup, 1 3/8", Stainless

- (1-3/8" cup type)

1шт.

19

A58649

GASKET

-, Serial Range: body-block

1шт.

20

221-5

DRAIN PLUG,Sq Hd, 1/4"-14 NPTF

PLUG - pipe (3/4" square head)

2шт.

21

A62234

STUD

-, Serial Range: pump-body

4шт.

22

193-30

LOCK WASHER,Int Tooth, 3/8"

WASHER, LOCK, Int Tooth, 3/8"

4шт.

23

25-146

JAM NUT,Jam, 3/8"-16, G5

- hex. (3/8" N.C. jam)

4шт.

24

G11204

STUD

- water pump, Serial Range: body-block

2шт.

25

25-106

NUT,3/8"-16, G5

- hex. (3/8" N.C.)

2шт.

26

13-618

BOLT,Hex, 3/8" - 16 x 1-1/8", Gr 5

2шт.

27

92-6

LOCK WASHER,3/8"

4шт.

28

126-116

WOODRUFF KEY,#9, 3/16" x 3/4", HT

1шт.

29

A60457

PULLEY - fan driven

1шт.

30

A58651

WASHER

- fan driven pulley

1шт.

31

131-1106

LOCK NUT,1/2"-20, GB

NUT, LOCK, , Fan pulley to water pump shaft 1/2"-20, GB

1шт.

32

A14887

SPACER - fan (11/16" wide)

1шт.

33

L13551

FAN

- radiator (suction type)

1шт.

33

A17509

FAN

- radiator (pusher type)

1шт.

34

13-628

BOLT,Hex, 3/8" - 16 x 1-3/4", Gr 5

Fan Hex, 3/8"-16 x 1 3/4", G5

4шт.

35

92-6

LOCK WASHER,3/8"

4шт.

36

L19082

BELT

Fan (Set of 2)

1шт.

Выбрано товаров: 36