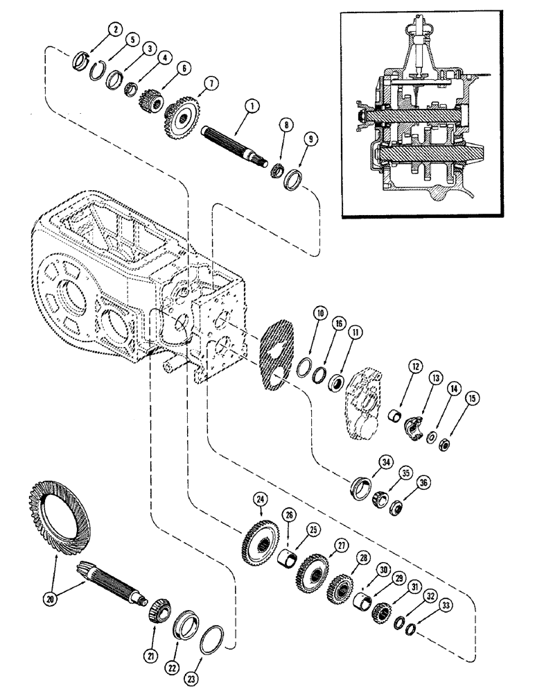
Запчасти Case 680CK (086) - MANUAL TRANSMISSION, MAINSHAFT, COUNTERSHAFT (21) - TRANSMISSION

Схема запчастей Case 680CK - (086) - MANUAL TRANSMISSION, MAINSHAFT, COUNTERSHAFT (21) - TRANSMISSION
FIT
1:1
100%

Артикул

Название

Примечание

Количество

1

A13626

SHAFT - main

1шт.

2

G10616

CUP

- main shaft front oil

1шт.

3

A29977

BEARING CUP

CUP - bearing, rear

1шт.

4

A29976

ROLLER BEARING

CONE - bearing, rear

1шт.

5

A29971

RING

- snap, rear bearing retaining

1шт.

6

A38482

GEAR - 1st & 2nd (16 & 21 teeth)

1шт.

7

G17161

GEAR - 3rd & 4th (33 & 44 teeth)

1шт.

8

G10424

CONE

- bearing, front

1шт.

9

G10425

CUP

- bearing, front

1шт.

10

G10341

SHIM,.005" Thk

Front bearing .005" Thk

1шт.

10

G10340

SHIM,.007" Thk

Front bearing .007" Thk

1шт.

11

G13821

OIL RESERVOIR

SEAL - oil, yoke, 1-9/16 x 2-7/16 x 11/16"

1шт.

12

A13627

COLLAR

- front, oil seal sleeve, 1-1/4 x 1-9/16 x 1"

1шт.

13

A13629

YOKE

- torque tube (splined)

1шт.

14

F62073

WASHER

- yoke

1шт.

15

131-583

LOCK NUT,1"-14

NUT - 1" N.F. flex. loc

1шт.

16

G10311

COLLAR

- front cover pilot

1шт.

20

G14420

GEAR

COUNTERSHAFT - w/differential gear, countershaft

1шт.

21

G15217

CONE

- bearing, rear, countershaft

1шт.

22

G15206

BEARING CUP

CUP - bearing, rear, countershaft

1шт.

23

G17117

SHIM,.016" Thk

Pinion bearing, Countershaft .016" Thk

1шт.

23

G17045

SHIM,.018" Thk

Pinion bearing, Countershaft .018" Thk

1шт.

23

G17046

SHIM,.020" Thk

Pinion bearing, Countershaft .020" Thk

1шт.

23

G17047

SHIM,.022" Thk

Pinion bearing, Countershaft .022" Thk

1шт.

23

G17048

SHIM,.025" Thk

Pinion bearing, Countershaft .025" Thk

1шт.

23

G17049

SHIM - pinion bearing (.028"), countershaft

1шт.

23

G17050

SHIM - pinion bearing (.031"), countershaft

1шт.

24

A38155

GEAR - 1st (47 teeth), countershaft

1шт.

25

G14413

SPACER ASSY. - 1st & 2nd gear, 1-7/8 x 2-1/4 x 1-5/8", countershaft, Includes: Ref. 26

1шт.

26

138-16

LOCK PIN,5/64" x 1/4", Slotted

PIN - spacer, 5/16 x 1/4" roll, countershaft

1шт.

27

G17163

GEAR - 2nd (42 teeth), countershaft

1шт.

28

G17164

GEAR WHEEL

GEAR - 3rd (30 teeth), countershaft

1шт.

29

G14412

SPACER ASSY. - 3rd & 4th gear, 1-7/8 x 2-1/4 x 1-7/16", countershaft

1шт.

30

138-16

LOCK PIN,5/64" x 1/4", Slotted

PIN - spacer, 5/16 x 1/4" roll, countershaft

1шт.

31

G17165

GEAR - 4th (19 teeth), countershaft

1шт.

32

G17151

SPACER - bevel, gear akjustment (.125"), countershaft

1шт.

32

G17152

SPACER

- bevel, gear adjustment (.131"), countershaft

1шт.

32

G17153

SPACER

- bevel, gear adjustment (.137"), countershaft

1шт.

33

G17154

SPACER

- gear adjustment (.150"), countershaft

1шт.

33

G17155

SPACER

- gear adjustment (.168"), countershaft

1шт.

33

G17156

SPACER

- gear adjustment (.186"), countershaft

1шт.

33

G17157

SPACER

- gear adjustment (.204"), countershaft

1шт.

34

G15220

BEARING CUP

CUP - bearing, front, countershaft

1шт.

35

G15221

ROLLER BEARING

CONE - bearing, front, countershaft

1шт.

36

A38954

NUT

- shaft retainer, countershaft

1шт.

Выбрано товаров: 45