Запчасти Case 680CK (236) - THREE POSITION SPOOLS - DOUBLE ACTING, USED WITH 2 AND 3 SPOOL LOADER VALVES (35) - HYDRAULIC SYSTEMS

Схема запчастей Case 680CK - (236) - THREE POSITION SPOOLS - DOUBLE ACTING, USED WITH 2 AND 3 SPOOL LOADER VALVES (35) - HYDRAULIC SYSTEMS
FIT
1:1
100%

Артикул

Название

Примечание

Количество

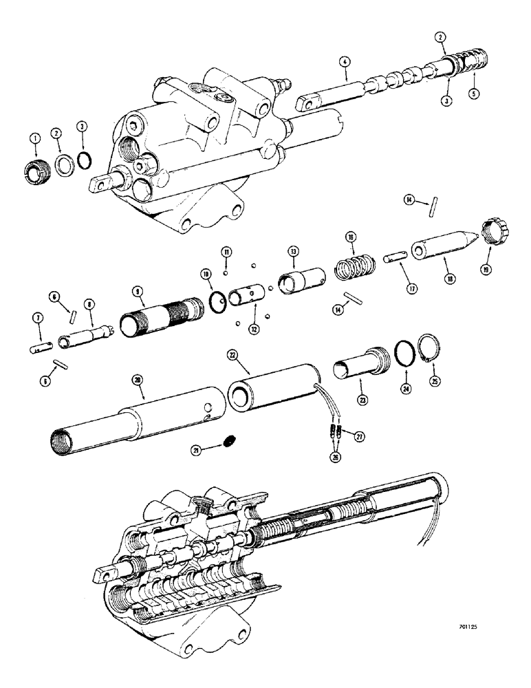
L30954

SPOOL

ASSEMBLY - three position (Color code - black or letter code - W) .73700" to .73709", Includes: Ref. 1 - 25

1шт.

L30640

SPOOL ASSEMBLY - three position (Color code - blue or letter code - X) .73710" to .73719", Includes: Ref. 1 - 25

1шт.

L30955

SPOOL

ASSEMBLY - three position (Color code - yellow or letter code - Y) .73720" to .73729", Includes: Ref. 1 - 25

1шт.

L30956

SPOOL

ASSEMBLY - three position (Color code - green or letter code - Z) .73730" to .73740", Includes: Ref. 1 - 25

1шт.

1

L30744

GLAND

AND WIPER - spool:

1шт.

2

A14535

RETAINER

- seal

2шт.

3

R17547

O-RING,0.103" Thk x 0.75" ID, -116, Cl 5, 75 Duro

SEAL - "O" ring, spool

2шт.

L30984

SET OF PARTS

SPOOL KIT - L30954 spool assembly only, Includes: Ref. 4 - 8

1шт.

L30985

SET OF PARTS

SPOOL KIT - L30640 spool assembly only, Includes: Ref. 4 - 8

1шт.

L30986

SET OF PARTS

SPOOL KIT - L30955 spool assembly only, Includes: Ref. 4 - 8

1шт.

L30987

SET OF PARTS

SPOOL KIT - L30956 spool assembly only, Includes: Ref. 4 - 8

1шт.

4

NSS

NOT SOLD SEPARAT

SPOOL ASSEMBLY - three position

1шт.

5

A14534

SPRING

- centering

1шт.

6

138-2012

PIN,1/8" x 1/2", Coiled

Link to spool and detent barrel 1/8" x 1/2", Coiled

2шт.

7

D33858

LINK

- spool to detent barrel

1шт.

8

L30642

CYLINDER

DETENT BARREL - spool

1шт.

9

L30643

HOUSING - detent

1шт.

10

L30644

O-RING,1.114" ID x 1.254" OD x 0.07"

SEAL - "O" ring

1шт.

11

211-5

BALL,3/16" Dia

- detent, . 3/16" Dia

6шт.

12

L30645

RETAINER

- detent balls

1шт.

13

L30760

HOLDER

- detent cam

1шт.

14

138-2035

PIN,1/8" x 11/16", Coiled

Link to cam holder and solenoid plunger 1/8" x 11/16", Coiled

2шт.

16

L30646

SPRING

- detent

1шт.

17

D33858

LINK

- detent cam to solenoid plunger

1шт.

18

L30649

PLUNGER - solenoid

1шт.

19

L30650

NUT - special, lock

1шт.

20

D46040

HOUSING - solenoid

1шт.

21

L30759

GROMMET

- solenoid housing

2шт.

22

L30652

COIL

- solenoid

1шт.

23

L30653

STOP

- solenoid plunger

1шт.

24

T13224

O-RING,1.484" ID x 1.762" OD x 0.139"

SEAL - "O" ring, plunger stop at housing

1шт.

25

L30654

RING, SNAP

SNAP RING - stop retaining

1шт.

26

L11778

CONNECTOR, ELEC

TERMINAL - electrical, bullet type

2шт.

27

L11779

TUBE,0.187" ID x 0.187" OD x 1" L

TUBING - insulation

2шт.

Выбрано товаров: 34