Запчасти Case 680CK (104) - STEERING WHEEL AND POWER STEERING HYDRAULICS (41) - STEERING

Схема запчастей Case 680CK - (104) - STEERING WHEEL AND POWER STEERING HYDRAULICS (41) - STEERING
FIT
1:1
100%

Артикул

Название

Примечание

Количество

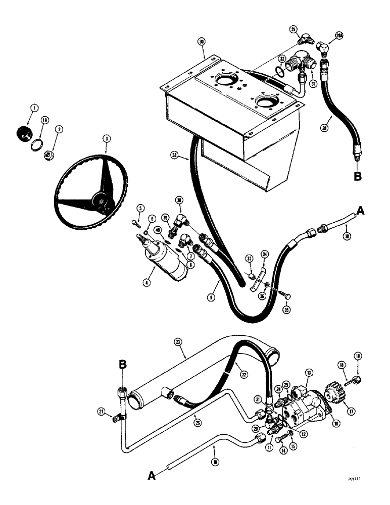
1

L15282

CAP

- steering wheel (Used with A37261 wheel only)

1шт.

1

A62210

PLUG

CAP - steering wheel (Used with A61007 wheel only)

1шт.

1a

A29884

O-RING,0.139" Thk x 2.359" ID, -229, Cl 5, 75 Duro

RETAINER - cap, "O" ring (A62210 cap only)

1шт.

2

F19646

LOCK NUT,13/16"-20, Thin

NUT - steering wheel to manual pump

1шт.

3

A37261

X

WHEEL - steering, 15" O.D. (Used with L15282 snap in wheel cap (When stock is exhausted, order A61007 wheel, A62210 cap and A29884 retainer for service)

1шт.

3

A61007

RIM

WHEEL - steering, 15-1/4" O.D. (Used with "O" ring retained, A62210 wheel cap)

1шт.

4

L13405

PUMP, HYDRAULIC

PUMP ASSEMBLY - steering, manual (Parts list Figure 108)

1шт.

5

13-512

BOLT,Hex, 5/16" - 18 x 3/4", Gr 5

3шт.

6

92-5

LOCK WASHER,5/16"

med. sect. 5/16"

3шт.

7

218-5106

90 ELBOW,90 Degree Elbow, 3/4" - 16 Male JIC x 3/4" - 16 Male ORB

Adjustable, Includes: Ref. 8 90º, 3/4"-16, 37º x 3/4"-16, O-Ring

1шт.

8

218-5006

O-RING,0.087" Thk x 0.644" ID, -908, Cl 6, 90 Duro

8-1, 90 Duro, .644" ID x .087" Thk

1шт.

9

L18753

HOSE - manual steering pump to power steering pump (29-1/2" long)

1шт.

10

L18754

TUBE,0.625" OD

- pressure, manual steering pump to power steering pump

1шт.

11

218-5062

HYD CONNECTOR,7/8"-14, 37 Degree x 7/8"-14, O-Ring

CONNECTOR - male, straight, Includes: Ref. 12

1шт.

12

237-6010

O-RING,0.097" Thk x 0.755" ID, -910, Cl 6, 90 Duro

10-1, 90 Duro, .755" ID x .097" Thk

1шт.

13

L17373

PUMP

- power steering (Parts list Figure 110)

1шт.

14

13-824

BOLT,Hex, 1/2" - 13 x 1-1/2", Gr 5, Full Thd

2шт.

15

92-8

LOCK WASHER,1/2"

med. sect. 1/2"

2шт.

16

A58617

GASKET

- pump

1шт.

17

L43703

GEAR

- pump drive

1шт.

18

L43842

KEY

- special, gear retaining

1шт.

19

131-9

LOCK NUT,Prev Torque, Hex, 1/2" - 20, Gr B

NUT - hex., lock (1/2" - 20 NF)

1шт.

20

218-5107

90 ELBOW,90 Degree Elbow, 7/8" - 14 Male JIC x 7/8" - 14 Male ORB

- adjustable, 90 degrees, Incl. Ref. 21

1шт.

21

237-6010

O-RING,0.097" Thk x 0.755" ID, -910, Cl 6, 90 Duro

10-1, 90 Duro, .755" ID x .097" Thk

1шт.

22

L18691

HOSE ASSY.

HOSE - supply tube to power steering pump (45" long)

1шт.

23

L17964

TUBE - junction, suction tube to equipment pump 8.7" L

1шт.

24

218-5062

HYD CONNECTOR,7/8"-14, 37 Degree x 7/8"-14, O-Ring

CONNECTOR - male, straight, Includes: Ref. 25

1шт.

25

237-6010

O-RING,0.097" Thk x 0.755" ID, -910, Cl 6, 90 Duro

10-1, 90 Duro, .755" ID x .097" Thk

1шт.

26

L18792

TUBE - return, power steering pump to manual steering pump 0.625" OD

1шт.

27

NLS

NO LONGER SERVICED

- tube

1шт.

28

L18746

HOSE ASSY.

HOSE - return, power steering pump to manual steering pump (19" long)

1шт.

28a

218-981

X

ELBOW - female, swivel (90 degrees)

1шт.

29

218-499

ELBOW - male, 90 degrees

1шт.

30

REF

INSTRUCTION

TANK - hydraulic oil reservoir (See Figure 122 for service)

1шт.

31

L42736

JUNCTION - hydraulic oil return, Includes: Ref. 32

1шт.

32

218-5011

O-RING,0.118" Thk x 1.475" ID, -920, Cl 6, 90 Duro

SEAL - "O" ring

1шт.

33

L18747

HOSE - return, hydraulic tank to manual steering pump (53" long)

1шт.

34

L17475

CLAMP - hose

1шт.

35

13-524

BOLT,Hex, 5/16" - 18 x 1-1/2", Gr 5

1шт.

36

92-5

LOCK WASHER,5/16"

1шт.

37

D34244

SPACER

- hose clamp

1шт.

38

218-981

X

ELBOW - swivel, 90 degrees

1шт.

39

218-5059

HYD CONNECTOR,3/4"-16, 37 Degree x 3/4"-16, O-Ring

CONNECTOR, HYD., , Male, Straight, Incl. Ref 40 3/4"-16, 37º x 3/4"-16, O-Ring

1шт.

40

218-5006

O-RING,0.087" Thk x 0.644" ID, -908, Cl 6, 90 Duro

8-1, 90 Duro, .644" ID x .087" Thk

1шт.

Выбрано товаров: 44