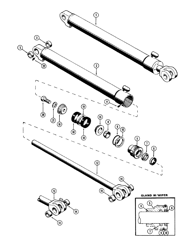
Запчасти Case 680CK (290) - G32139 & G32164 LOADER LIFT CYLINDERS, 3-1/2" DIA. CYLINDER WITH 31" STROKE WITHOUT GLAND I.D. RING (35) - HYDRAULIC SYSTEMS

Схема запчастей Case 680CK - (290) - G32139 & G32164 LOADER LIFT CYLINDERS, 3-1/2" DIA. CYLINDER WITH 31" STROKE WITHOUT GLAND I.D. RING (35) - HYDRAULIC SYSTEMS
FIT
1:1
100%

Артикул

Название

Примечание

Количество

1

G32139

CYLINDER ASSY. - lift, left hand, Includes: Ref. 2 - 22

1шт.

1

G32164

CYLINDER

ASSY. - lift, right hand, Includes: Ref. 2 - 22

1шт.

2

D35063

TUBE

ASSY. - cyl. body, left hand, Includes: Ref. 3

1шт.

2

D35064

TUBE

ASSY. - cyl. body, right hand, Includes: Ref. 3

1шт.

3

D35071

BUSHING

- tube

2шт.

G32736

GLAND

ASSY. - w/inner wiper (See inset). Includes: Ref. 5 - 10

1шт.

5

NSS

NOT SOLD SEPARAT

GLAND - (Without identification ring)

1шт.

6

D95144

WIPER SEAL,50.77mm ID x 63.52mm OD x 7.92mm Thk

Wiper - piston rod, outer (2 x 2-1/2 x 5/16")

1шт.

Part of seal kit P/N G32290

1шт.

7

D36971

RING

SEAL - piston rod (2 x 2-1/2 x 13/32")

1шт.

Part of seal kit P/N G32290

1шт.

8

D27380

SCRAPER RING

WIPER - piston rod, inner

1шт.

Part of seal kit P/N G32290

1шт.

9

G15457

O-RING,0.139" Thk x 3.484" ID, -238, Cl 5, 75 Duro

"O" RING - gland (3-1/2 x 3-3/4 x 1/8")

1шт.

Part of seal kit P/N G32290

1шт.

10

G32126

BACK-UP RING,89.28mm ID x 95.38mm OD x 1.4mm Thk

- gland "O" ring back-up

1шт.

Part of seal kit P/N G32290

1шт.

11

187-1031

SELF-TAP SCREW,Pan, 0.164"-32 x 1/4"

SCREW - gland lock (#8-32 x 1/4" self-tapping)

1шт.

12

D35057

PISTON ROD

ROD ASSY. - piston (Used w/G32139 L.H. cyl.) (2" dia.) (w/out identification ring)

1шт.

13

D42739

ROD ASSY.

- piston (Used w/G32164 R.H. cyl.) (2" dia.) (w/out identification ring), Includes: Ref. 14

1шт.

14

D33047

BUSHING,44.68mm ID x 53.98mm OD x 22.23mm L

- piston rod

2шт.

15

D28368

PISTON

- (Rod end) (w/o identification ring)

1шт.

16

D28367

PISTON

- split (Bolt end)

1шт.

G33237

PACKING

ASSY. - piston, Includes: Ref. 18 and 19

1шт.

Part of seal kit P/N G32290

1шт.

18

NSS

NOT SOLD SEPARAT

PACKING ASSY. - "V" type

2шт.

19

NSS

NOT SOLD SEPARAT

RING - center bearing

1шт.

20

28-1640

BOLT,Hex, 1" - 14 x 2-1/2", Gr 8

Piston Hex, 1"-14 x 2 1/2", G8, Full Thd

1шт.

21

G32303

WASHER,26.97mm ID x 47.63mm OD x 3.58mm Thk

- piston belt (1-7/64 x 1-7/8 x 9/64")

1шт.

22

219-1

LUBE NIPPLE,1/8" - 27 NPTF

FITTING - grease (1/8" P.T., str.)

1шт.

G32290

SEAL

KIT - cylinder repair, Incl. Refs. 6, 7, 8, 9, 10 and G33237

1шт.

Выбрано товаров: 31