Запчасти Case 680CK (038) - STARTER, (301B) DIESEL ENGINE (55) - ELECTRICAL SYSTEMS

Схема запчастей Case 680CK - (038) - STARTER, (301B) DIESEL ENGINE (55) - ELECTRICAL SYSTEMS
FIT
1:1
100%

Артикул

Название

Примечание

Количество

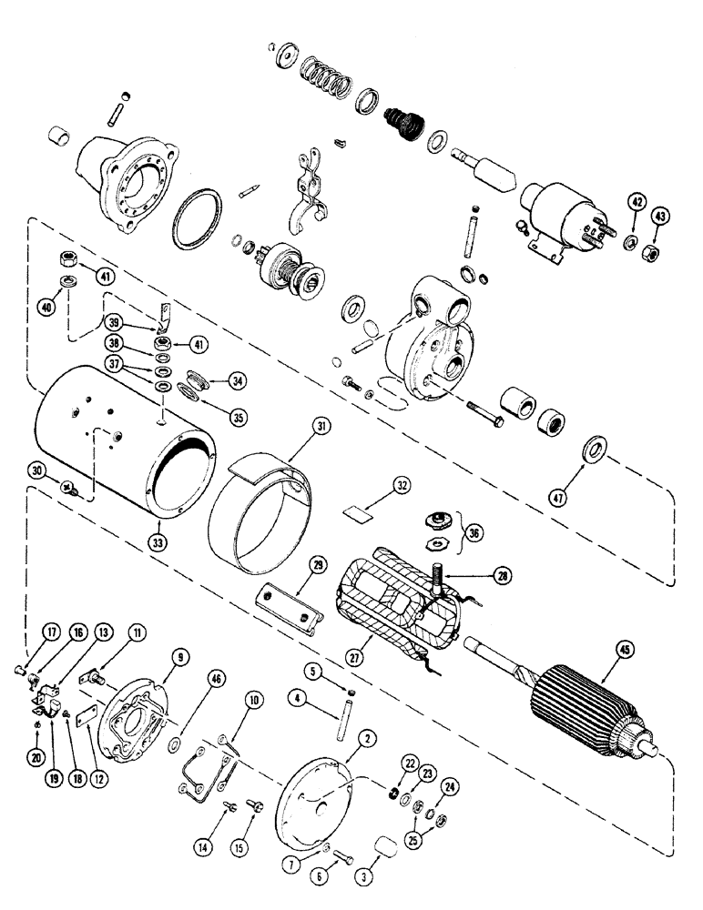
A59217

STARTER MOTOR

STARTER ASSY. - (Delco #1113689), Includes: Ref. 2 - 19

1шт.

104212A2R

REMAN-STARTER

Remanufactured Starter

1шт.

104212A1C

CORE-STARTER

Return Part Number

1шт.

2

A42341

FRAME

SPARE PART FRAME ASSY. - commutator end, Includes: Ref. 3 - 5

1шт.

3

A42323

BUSHING

BUSHING - frame, 9/16 x 11/16 x 57/64"

1шт.

4

R15023

WICK

WICK - oil

1шт.

5

221-1031

DRAIN PLUG,Sq Soc, 1/4"-18 NPTF

PLUG - oil wick hole

1шт.

6

114-1

BOLT,Hex, 1/4" - 28 x 1", Gr 5

BOLT, Hex, 1/4"-28 x 1", G5

4шт.

7

192-19

LOCK WASHER,Helical Spring, 0.256" ID, CST, ZND

WASHER, LOCK, 1/4"

4шт.

9

A42786

LARGE PLATE

PLATE, LARGE PLATE ASSY. - brush, Includes: Ref. 10 - 18

1шт.

10

NSS

NOT SOLD SEPARAT

CONNECTOR - brush strap

3шт.

11

NSS

NOT SOLD SEPARAT

TERMINAL ASSY. - commutator end

1шт.

12

NSS

NOT SOLD SEPARAT

PLATE - brush holder

3шт.

13

NSS

NOT SOLD SEPARAT

HOLDER - brush

4шт.

14

A42786

LARGE PLATE

PLATE, LARGE SCREW ASSY. - brush holder mounting

4шт.

15

A42338

SCREW,#10 - 32 x 3/4"

SCREW ASSY. - brush spring pin attaching

4шт.

16

A42333

SPRING

SPRING - brush

4шт.

17

NSS

NOT SOLD SEPARAT

PIN - brush spring mounting

4шт.

18

187-1051

SPARE PART SCREW - brush plate mounting

1шт.

19

A40891

BRUSH, COMMUTATOR

BRUSH BRUSH ASSY.

4шт.

20

174-211

SCREW,Sl Rnd Hd, #8 - 32 x 5/16"

SCREW - brush, #8 x 5/16" N.C. rd. hd. mach.

4шт.

22

A42085

BUSHING

WASHER - commutator end terminal (Rubber)

1шт.

23

R15013

WASHER

WASHER - 25/64 x 11/16 x 1/16"

1шт.

24

192-21

LOCK WASHER,3/8"

WASHER, LOCK, 3/8"

1шт.

25

87016560

JAM NUT,Jam, 3/8"-16, G5

NUT, Jam, 3/8"-16, G5

2шт.

27

A42332

COIL

COIL ASSY. - field, Includes: Ref. 28

1шт.

28

A40896

STUD

STUD - starter terminal

1шт.

29

R15115

SHOE

SHOE - pole

4шт.

30

A42127

SCREW,3/8" - 24 x 0.20"

SCREW - pole shoes

8шт.

31

A42342

INSULATOR

INSULATION - field coil

1шт.

32

A42327

INSULATOR

INSULATION - field coil

2шт.

33

NSS

NOT SOLD SEPARAT

FRAME - field

1шт.

34

R21587

PLUG

PLUG - brush inspection

1шт.

35

A41924

GASKET

GASKET - inspection

2шт.

36

A41925

BUSHING

BUSHING PACKAGE - terminal stud

1шт.

37

D30005

INSULATOR

WASHER - insulator, field terminal stud

2шт.

38

D30006

WASHER

WASHER - field terminal stud

1шт.

39

A42343

CONNECTOR, ELEC

CONNECTOR CONNECTOR - field terminal, Serial Range: stud-solenoid

1шт.

40

192-113

LOCK WASHER,1/2"

WASHER - lock, 1/2"

1шт.

41

129-145

JAM NUT,Jam, 1/2"-13, G5

NUT, Jam, 1/2"-13, G5

2шт.

42

192-21

LOCK WASHER,3/8"

WASHER, LOCK, 3/8"

1шт.

43

B90397

NUT

NUT - 3/8" N.C. hex.

1шт.

45

A40800

ARMATURE

ARMATURE - starter

1шт.

46

A41917

WASHER,14.25mm ID x 24.89mm OD x 1.57mm Thk

WASHER - armature, commutator end

1шт.

47

A42202

WASHER

WASHER - armature spacer, 49/64 x 1-3/4 x 19/64"

1шт.

Выбрано товаров: 45