Запчасти Case 680CK (040) - STARTER, (301B) DIESEL ENGINE) (55) - ELECTRICAL SYSTEMS

Схема запчастей Case 680CK - (040) - STARTER, (301B) DIESEL ENGINE) (55) - ELECTRICAL SYSTEMS
FIT
1:1
100%

Артикул

Название

Примечание

Количество

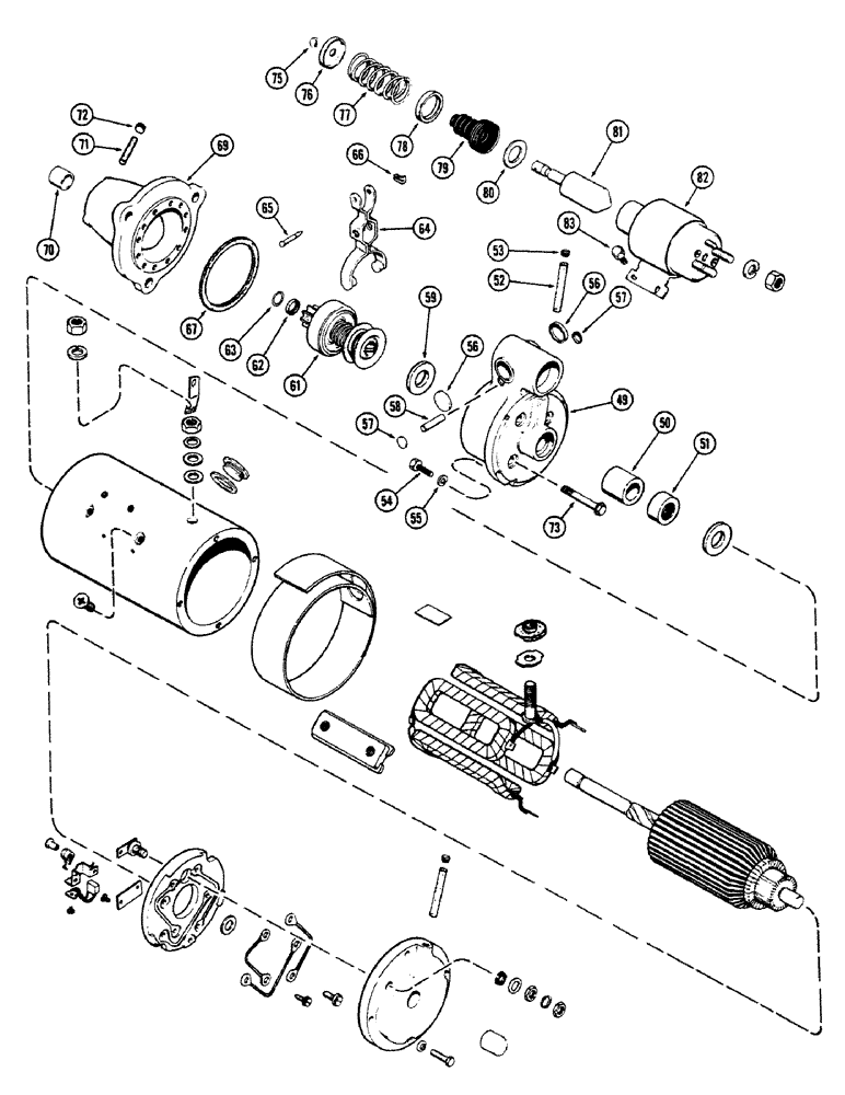
A59217

STARTER MOTOR

STARTER ASSY. - (Continued from Figure 38), Includes: Ref. 49 - 53

1шт.

49

A42325

HOUSING ASSY. - shift lever, Includes: Ref. 50 - 53

1шт.

50

A40944

BUSHING

- lever housing, 47/64 x 57/64 x 3/4"

1шт.

51

A25407

OIL SEAL

OIL SEAL - lever housing, 21/32 x 1-3/8 x 25/64"

1шт.

52

A41417

WICK

- oil

1шт.

53

221-1849

PLUG

- oil wick hole

1шт.

54

114-1

BOLT,Hex, 1/4" - 28 x 1", Gr 5

5шт.

55

192-19

LOCK WASHER,Helical Spring, 0.256" ID, CST, ZND

WASHER, LOCK, 1/4"

5шт.

56

A42013

PLUG

- 1-3/16" expansion

2шт.

57

A42064

PLUG

- 5/8" expansion

2шт.

58

A25402

STUD

SHAFT - shift lever

1шт.

59

R15043

WASHER

- brake, lever housing, 25/32 x 2 x 3/32"

1шт.

61

A42331

DRIVE

ASSY. - starter

1шт.

62

R15049

COLLAR

- pinion stop

1шт.

63

R15048

RING

- pinion stop retainer

1шт.

64

A25398

LEVER

- shift

1шт.

65

A25400

PIN

- shift lever to solenoid plunger

1шт.

66

A25406

OIL SEAL

RETAINER - shift lever pin

1шт.

67

A41508

GASKET

- lever housing to drive housing

1шт.

69

A25347

HOUSING ASSY. - drive end, Includes: Ref. 70 - 72

1шт.

70

A40868

BUSHING

- drive housing, 9/16 x 3/4 x 3/4"

1шт.

71

R15023

WICK

- oil

1шт.

72

221-1041

PLUG

- oil wick hole

1шт.

73

A42012

BOLT (SPREADER),5/16" x 2 13/32"

SCREW ASSY. - lever housing to drive housing

4шт.

75

G46146

SNAP RING,#37, Ext

Ring, Snap, , plunger retaining #37, Ext

1шт.

76

R21571

RETAINER

- spring, w/13/32" hole

1шт.

77

A41242

SPRING

- plunger return

1шт.

78

R21572

RETAINER

- spring, w/1-13/64" hole

1шт.

79

A42308

BOOT

- solenoid

1шт.

80

A42008

WASHER

- retaining, 31/32 x 1-7/16 x 1/32"

1шт.

81

A25394

PLUNGER

- solenoid

1шт.

82

A42326

SOLENOID

ASSY. - (See Figure 42)

1шт.

83

R15159

SCREW,Hex, 1/4" - 20 x 3/8", w/ LW

- solenoid attaching

4шт.

Выбрано товаров: 33