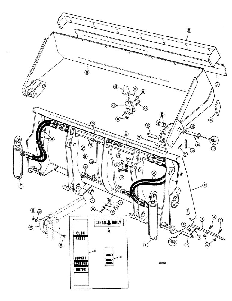
Запчасти Case 680CK (180) - L15296 DROTT 4-IN-1 BUCKET, BUCKET TEETH OPTIONAL (82) - FRONT LOADER & BUCKET

Схема запчастей Case 680CK - (180) - L15296 DROTT 4-IN-1 BUCKET, BUCKET TEETH OPTIONAL (82) - FRONT LOADER & BUCKET
FIT
1:1
100%

Артикул

Название

Примечание

Количество

L15296

BUCKET - Drott, without teeth (1 cu. yd.) Machinery item, Includes: Ref. 1 - 38

1шт.

1

A18679

CYLINDER

- clam (Parts list Figure 294)

2шт.

L32006

BLADE ASSEMBLY - bucket, Includes: Ref. 2 - 15

1шт.

2

NSS

NOT SOLD SEPARAT

BLADE - busket

1шт.

3

A18658

EDGE

CUTTING EDGE - blade assembly

1шт.

4

19-1232

CARRIAGE BOLT,#3, 3/4" - 10 x 2", Gr 5

BOLT - plow (3/4" - 10 NC x 2")

12шт.

5

19-1236

CARRIAGE BOLT,#3, 3/4" - 10 x 2 1/4", Gr 5

BOLT - plow (3/4" - 10 NC x 2-1/4")

2шт.

6

25-1012

NUT,3/4"-10, G5

14шт.

7

A18665

PIN

-, Serial Range: cylinder-blade

2шт.

8

A18664

CLEVIS PIN

PIN - clevis (3/8" x 2-3/8")

2шт.

9

132-48

COTTER PIN,1/8" x 1"

Pin, Split (Cotter), 1/8" x 1"

2шт.

10

A18663

PIN

-, Serial Range: clam-blade

2шт.

11

219-1

LUBE NIPPLE,1/8" - 27 NPTF

FITTING - grease, straight (1/8" NPT)

1шт.

12

A18666

PIN

- clevis (1/2" x 4")

2шт.

13

132-46

COTTER PIN,1/8" x 3/4"

PIN, Split (Cotter), 1/8" x 3/4"

2шт.

14

D33678

BUSHING,51.02mm ID x 63.5mm OD x 22.3mm L

- lift arm mounting pins (Lower)

4шт.

15

D32865

BUSHING,38.33mm ID x 47.63mm OD x 22.35mm L

- lift arm mounting pins (Upper)

4шт.

16

A17688

LINK

ELBOW - swivel, 90 degrees

2шт.

17

L32013

TUBE - control valve to clam cylinders, rod end

1шт.

18

L32015

TUBE - control valve to clam cylinders, closed end 0.75" OD x 20.45, 5" L

1шт.

19

A17698

CLAMP - tube

2шт.

20

13-616

BOLT,Hex, 3/8" - 16 x 1", Gr 5, Full Thd

2шт.

21

92-6

LOCK WASHER,3/8"

med. sect. 3/8"

2шт.

22

95-6

WASHER,3/8"

- plain () 3/8"

2шт.

23

L32017

TUBE - valve to clam cylinder, R.H. cylinder rod end - L.H. cylinder closed end 0.625" OD x 19.1" L

2шт.

24

L32019

TUBE,0.625" OD x 25.875" L

- valve to clam cylinder, R.H. cylinder closed end - L.H. cylinder rod end

2шт.

25

A17696

COLLAR CLAMP

CLAMP - tube

2шт.

26

92-6

LOCK WASHER,3/8"

med. sect. 3/8"

2шт.

27

25-106

NUT,3/8"-16, G5

- hex. (3/8" - 16 NC)

2шт.

28

D25670

FLEXIBLE HOSE

HOSE - valve to clam cylinder, at cylinder (26" long)

4шт.

A18659

CLAW

CLAM CYLINDER - bucket, Includes: Ref. 29 - 36

1шт.

29

NSS

NOT SOLD SEPARAT

CLAM - bucket

1шт.

30

A18660

BLADE

CUTTING EDGE - clam

1шт.

31

A18661

PLATE

WEAR PLATE - clam

1шт.

32

D38842

HOOK

GRAB HOOK - clam

2шт.

33

A18662

BUSHING

-, Serial Range: clam-tube

6шт.

34

A18667

PIN

-, Serial Range: clam-cylinder

2шт.

35

A18666

PIN

- clevis (1/2" x 4")

2шт.

36

132-48

COTTER PIN,1/8" x 1"

Pin, Split (Cotter), 1/8" x 1"

2шт.

37

A18673

DECAL

- cleanout

1шт.

38

A18489

DECAL

- clam opening

1шт.

39

321-1225

DECAL - bucket position

1шт.

40

L15299

BRACKET - mounting, bucket position decal

1шт.

41

13-516

BOLT,Hex, 5/16" - 18 x 1", Gr 5

2шт.

42

92-5

LOCK WASHER,5/16"

med sect. 5/16"

2шт.

43

9635082

NUT,5/16" - 18, Gr 5

- hex. (5/16" - 18 NC)

2шт.

A18668

TOOTH

- bucket, optional, Includes: Ref. 44 - 49

7шт.

44

NSS

NOT SOLD SEPARAT

SHANK - tooth

1шт.

45

13-844

BOLT,Hex, 1/2" - 13 x 2-3/4", Gr 5

Hex, 1/2"-13 x 2 3/4", G5

1шт.

46

13-840

BOLT,Hex, 1/2" - 13 x 2-1/2", Gr 5

HHCS - 1/2" - 13 NC x 2-1/2"

1шт.

47

25-108

NUT,1/2"-13, G5

- hex. (1/2" - 13 NC)

2шт.

48

A18670

POINT

- tooth

1шт.

49

138-178

LOCK PIN,3/8" x 2 1/4", Slotted

PIN, 3/8" x 2 1/4", Slotted

1шт.

Выбрано товаров: 0