Запчасти Case 680CK (390) - LOCKUP PARTS, INSTRUMENT PANEL LOCKUP, FUEL LOCKUP (90) - PLATFORM, CAB, BODYWORK AND DECALS

Схема запчастей Case 680CK - (390) - LOCKUP PARTS, INSTRUMENT PANEL LOCKUP, FUEL LOCKUP (90) - PLATFORM, CAB, BODYWORK AND DECALS
FIT
1:1
100%

Артикул

Название

Примечание

Количество

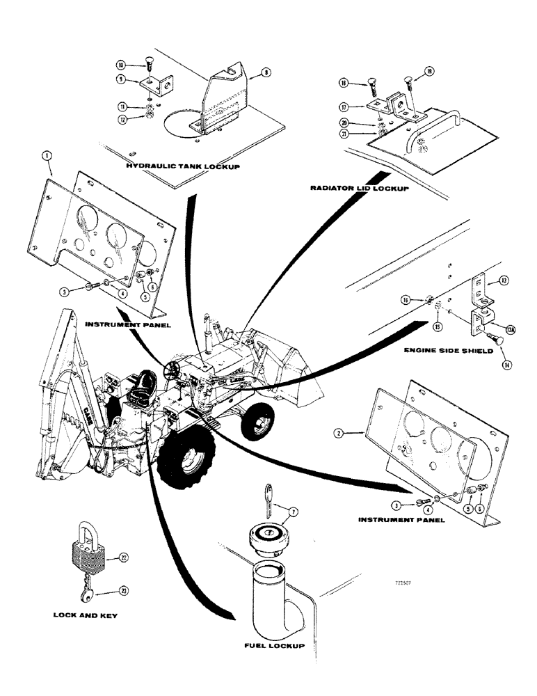
1

L50365

COVER - instrument panel, L.H.

1шт.

2

L50364

COVER - instrument panel, R.H.

1шт.

3

182-208

SCREW,Slotted Pan Hd, 1/4"-20 X 1 1/4"

- machine, pan head (1/4" - 20 NC x 1-1/4")

10шт.

4

92-4

LOCK WASHER,1/4"

WASHER, LOCK, 1/4"

10шт.

5

A31224

SPACER

10шт.

6

151-300

NUT - rivet (1/4" - 20 NC)

10шт.

7

A32120

CAP

AND KEY ASSEMBLY - complete, fuel lockup

1шт.

8

L50391

LID ASSEMBLY - hydraulic oil, tank lockup

1шт.

9

L50251

BRACKET - lock retaining, hydraulic tank lockup

1шт.

10

111-102

CARRIAGE BOLT,Short NK, 1/4"-20 x 5/8", G2

BOLT - square shoulder (1/4" - 20 NC x 5/8"), hydraulic tank lockup

4шт.

11

92-4

LOCK WASHER,1/4"

WASHER, LOCK, , Hydraulic tank lockup 1/4"

4шт.

12

25-104

NUT,1/4"-20, G5

Hydraulic tank lockup 1/4"-20, G5

4шт.

13

L50251

BRACKET - lock retaining, upper, engine side shield lockup

2шт.

13a

L53151

BRACKET - lock retaining, lower, engine side shield lockup

2шт.

14

111-102

CARRIAGE BOLT,Short NK, 1/4"-20 x 5/8", G2

BOLT - square shoulder (1/4" - 20 NC x 5/8"), engine side shield lockup

8шт.

15

92-4

LOCK WASHER,1/4"

WASHER, LOCK, , Engine side shield lockup 1/4"

8шт.

16

25-104

NUT,1/4"-20, G5

Engine side shield lockup 1/4"-20, G5

8шт.

17

L50251

BRACKET - lock retaining, radiator lid lockup

2шт.

18

11-416

BOLT (MACHINE)

BOLT - square shoulder (1/4" - 20 NC x 1"), radiator lid lockup

2шт.

19

111-102

CARRIAGE BOLT,Short NK, 1/4"-20 x 5/8", G2

BOLT - square shoulder (1/4" - 20 NC x 5/8"), radiator lid lockup

2шт.

20

92-4

LOCK WASHER,1/4"

WASHER, LOCK, , Radiator lid lockup 1/4"

4шт.

21

25-104

NUT,1/4"-20, G5

Radiator lid lockup 1/4"-20, G5

4шт.

22

D40678

LOCK

- padlock, lock and key

4шт.

23

D40679

KEY

- padlock, lock and key

2шт.

Выбрано товаров: 24