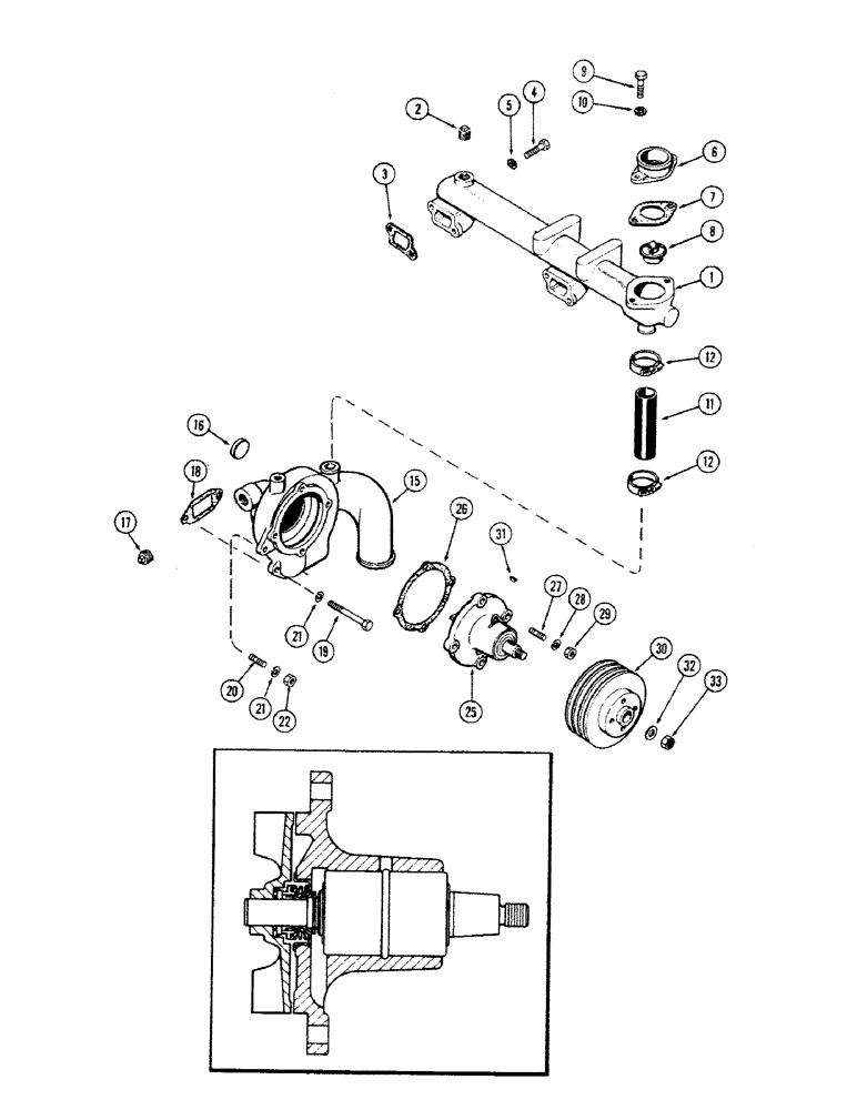
Запчасти Case 680CK (008) - WATER PUMP AND ATTACHING PARTS, (301B) DIESEL ENGINE (10) - ENGINE

Схема запчастей Case 680CK - (008) - WATER PUMP AND ATTACHING PARTS, (301B) DIESEL ENGINE (10) - ENGINE
FIT
1:1
100%

Артикул

Название

Примечание

Количество

1

A58735

MANIFOLD

- water

1шт.

2

221-1004

DRAIN PLUG,Sq Hd, 1/2"-14 NPTF

PLUG - pipe, 1/2" sq. hd.

1шт.

3

A58637

MANIFOLD GASKET

- water manifold

2шт.

4

13-624

BOLT,Hex, 3/8" - 16 x 1-1/2", Gr 5

- 3/8 x 1-1/2" N.C. hex.

2шт.

4

413-632

BOLT,Hex, 3/8" - 16 x 2", Gr 5

2шт.

5

193-10

LOCK WASHER,Ext Tooth, 0.391" ID x 0.682" OD, STL, PLN

WASHER, LOCK, Ext Tooth, 3/8"

4шт.

6

A58736

HOUSING

- thermostat

1шт.

7

G46907

GASKET

- thermostat housing

1шт.

8

A57641

THERMOSTAT

1шт.

9

13-614

BOLT,Hex, 3/8" - 16 x 7/8", Gr 5, Full Thd

2шт.

10

193-10

LOCK WASHER,Ext Tooth, 0.391" ID x 0.682" OD, STL, PLN

WASHER, LOCK, Ext Tooth, 3/8"

2шт.

11

A58737

HOSE,30.99mm ID x 134.62mm L, SAE 20R4

- manifold to pump, 1-1/4 x 5" (Replaces A60449)

1шт.

12

214-256

HOSE CLAMP,#20, 0.81" - 1.75", Type F Worm

CLAMP - hose, 1-3/16 x 1-3/4"

2шт.

15

A59220

BODY

ASSY. - water pump, Includes: Ref. 16

1шт.

16

A58568

PLUG,Cup, 1 3/8", Stainless

- 1-3/8" cup type

1шт.

17

221-1005

PLUG - pipe, 3/8" P.T. sq. hd.

1шт.

18

A58649

GASKET

-, Serial Range: body-block

1шт.

19

13-618

BOLT,Hex, 3/8" - 16 x 1-1/8", Gr 5

- 3/8 x 1-1/4" N.C. hex.

2шт.

20

G11204

STUD

- 3/8" N.C. x 1-7/16"

2шт.

21

92-6

LOCK WASHER,3/8"

4шт.

22

25-106

NUT,3/8"-16, G5

- 3/8" N.C. hex.

2шт.

25

A61266

PUMP

ASSY. - water

1шт.

26

A58646

GASKET

-, Serial Range: pump-body

1шт.

27

A62234

STUD

- 3/8" N.C. x 1-5/16"

4шт.

28

193-30

LOCK WASHER,Int Tooth, 3/8"

WASHER, LOCK, Int Tooth, 3/8"

4шт.

29

25-146

JAM NUT,Jam, 3/8"-16, G5

- 3/8" N.C. hex., jam

4шт.

30

A60690

PULLEY

- fan driven

1шт.

31

126-116

WOODRUFF KEY,#9, 3/16" x 3/4", HT

Pulley to pump shaft #9, 3/16" x 3/4", HT

1шт.

32

A58651

WASHER

- 17/32 x 1-1/16 x 3/32"

1шт.

33

131-1106

LOCK NUT,1/2"-20, GB

NUT, LOCK, 1/2"-20, GB

1шт.

Выбрано товаров: 30