Запчасти Case 680CK (010) - MANIFOLDS, (301B) DIESEL ENGINE (10) - ENGINE

Схема запчастей Case 680CK - (010) - MANIFOLDS, (301B) DIESEL ENGINE (10) - ENGINE
FIT
1:1
100%

Артикул

Название

Примечание

Количество

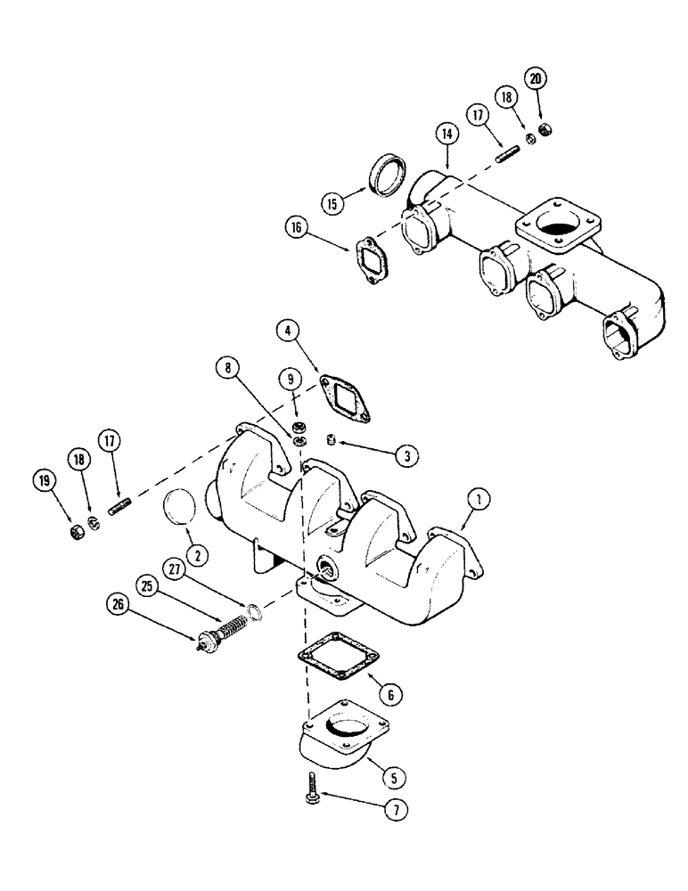
1

A59225

MANIFOLD

ASSY. - intake, Includes: Ref. 2

1шт.

2

41-1042

PLUG,Cup, 2 5/8"

- 2-5/8" cup type

1шт.

3

221-1840

PLUG

- 1/8" P.T. sckt. hd.

1шт.

4

A58662

MANIFOLD GASKET

- intake manifold

4шт.

5

A60458

ELBOW

- intake manifold

1шт.

6

A58910

GASKET

- elbow

1шт.

7

13-626

BOLT,Hex, 3/8" - 16 x 1-5/8", Gr 5

4шт.

8

92-6

LOCK WASHER,3/8"

4шт.

9

25-106

NUT,3/8"-16, G5

- 3/8" N.C. hex.

4шт.

14

A64967

MANIFOLD

ASSY. - exhaust (Replaces A62290), Includes: Ref. 15

1шт.

15

A58750

PLUG,Cup, 3 1/4", Stainless

- 3-1/4" cup type

1шт.

16

A58666

MANIFOLD GASKET

- exhaust manifold

4шт.

17

A59077

STUD

- 3/8" N.C. x 1-13/16"

16шт.

18

92-6

LOCK WASHER,3/8"

16шт.

19

25-106

NUT,3/8"-16, G5

- 3/8" N.C. hex., intake manifold

8шт.

20

131-903

NUT,3/8"-16

NUT - 3/8" N.C. hex., Seez-Pruf., exhaust manifold

8шт.

25

A37775

HEATER

ASSY. - intake manifold (12 V.), Includes: Ref. 26

1шт.

26

129-503

NUT,1/4"-20, Brass

1шт.

27

A20916

MANIFOLD GASKET

GASKET - heater

1шт.

Выбрано товаров: 19