Запчасти Case 680CK (062) - ENGINE CONTROLS, FUEL SHUTOFF AND HAND THROTTLE (10) - ENGINE

Схема запчастей Case 680CK - (062) - ENGINE CONTROLS, FUEL SHUTOFF AND HAND THROTTLE (10) - ENGINE
FIT
1:1
100%

Артикул

Название

Примечание

Количество

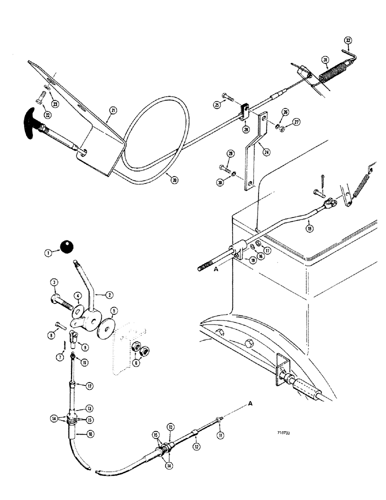
1

CAS31375

KNOB

- hand throttle lever

1шт.

2

L41891

LEVER - hand throttle

1шт.

3

13-836

BOLT,Hex, 1/2" - 13 x 2-1/4", Gr 5

HHCS - 1/2" - 13 NC x 2-1/4"

1шт.

4

R14771

WASHER

- special

1шт.

5

R15071

DISC

- friction

1шт.

6

25-148

JAM NUT,Jam, 1/2"-13, G5

- hex, jam (1/2"-13 NC)

2шт.

7

132-5

COTTER PIN,1/16" x 1/2"

Pin, Split (Cotter), 1/16" x 1/2"

1шт.

8

141-2

CLEVIS PIN,1/4" x .770"

PIN - clevis (1/4")

1шт.

9

213-2

ADJUSTABLE CLEVIS,1/4"-28 x 2"

CLEVIS - adjustable (1/4")

1шт.

L42992

CABLE

ASSEMBLY - backhoe throttle, Includes: Ref. 10 - 15

1шт.

10

NSS

NOT SOLD SEPARAT

CABLE - throttle control

1шт.

11

425-154

JAM NUT,Jam, 1/4"-28, G5

2шт.

12

L32683

SEAL

- rod

2шт.

13

L32682

SEAL

SEAL - sleeve

2шт.

14

129-167

JAM NUT,Jam, 5/8"-18, G5

- hex., jam (5/8" - 18 NF)

4шт.

15

195-541

WASHER,5/8", SAE

- plain (5/8")

4шт.

16

92-4

LOCK WASHER,1/4"

WASHER, LOCK, 1/4"

1шт.

17

25-114

NUT,1/4"-28, G5

- hex. (1/4" - 28 NF)

1шт.

18

L40640

THROTTLE

LINK - backhoe throttle control

1шт.

19

L19542

ROD

- throttle control, front

1шт.

20

A38454

CONTROL LEVER

CABLE - control, fuel shutoff

1шт.

21

L47781

SHELL

BRACKET - control cable

1шт.

22

13-616

BOLT,Hex, 3/8" - 16 x 1", Gr 5, Full Thd

1шт.

23

92-6

LOCK WASHER,3/8"

med. sect. 3/8"

1шт.

24

L40891

SUPPORT

BRACKET - support, fuel shutoff

1шт.

25

13-612

BOLT,Hex, 3/8" - 16 x 3/4", Gr 5, Full Thd

1шт.

26

92-6

LOCK WASHER,3/8"

med. sect. 3/8"

1шт.

27

25-106

NUT,3/8"-16, G5

- hex. (3/8" - 16 NC)

1шт.

28

80049853

YOKE

- cable

1шт.

29

13-68

SCREW,Hex, 3/8" - 16 x 1/2", Gr 5

HHCS - 3/8" - 16 NC x 1"

1шт.

30

92-6

LOCK WASHER,3/8"

med. sect. 3/8"

1шт.

31

L45037

SPRING

- return, fuel shutoff

1шт.

32

L46009

PIN

- return spring

1шт.

Выбрано товаров: 33