Запчасти Case 680CK (064) - AIR CLEANER AND MUFFLER (10) - ENGINE

Схема запчастей Case 680CK - (064) - AIR CLEANER AND MUFFLER (10) - ENGINE
FIT
1:1
100%

Артикул

Название

Примечание

Количество

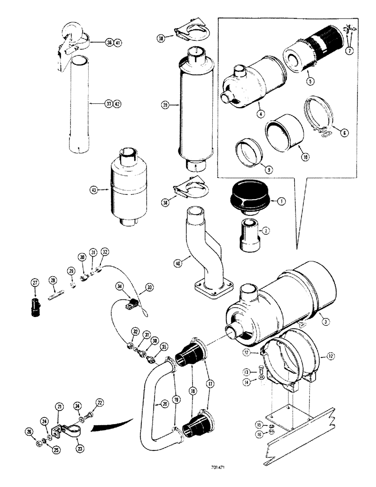
1

A61277

CAP

- air cleaner

1шт.

2

L17169

CABLE EXTENSION

STACK - extension, air cleaner (Used before tractor ser. no. 9108413 only)

1шт.

3

D36261

CLEANER

AIR CLEANER - dry type, Includes: Ref. 4 - 11

1шт.

4

NSS

NOT SOLD SEPARAT

BODY - air cleaner

1шт.

5

D37975

FILTER

ELEMENT - air cleaner

1шт.

6

R15731

CLAMP

- air cleaner

1шт.

7

F91761

WING NUT

AND WASHER - retainer

1шт.

8

RESERVED

1шт.

9

D37979

BAFFLE

- air cleaner

1шт.

10

D37980

CUP

- air cleaner

1шт.

11

D37974

DECAL

- service instructions (Not illustrated)

1шт.

12

70973

BRACKET

CLAMP - air cleaner mounting

2шт.

13

13-516

BOLT,Hex, 5/16" - 18 x 1", Gr 5

4шт.

14

95-5

WASHER,3/8" x 7/8" x .083"

- plain (5/16")

4шт.

15

92-5

LOCK WASHER,5/16"

med sect. 5/16"

4шт.

16

9635082

NUT,5/16" - 18, Gr 5

- hex. (5/16" - 18 NC)

4шт.

17

214-264

HOSE CLAMP,#52, 2.81" - 3.75", Type F Worm

CLAMP - air cleaner and manifold to adapter

2шт.

18

L18992

TUBE NUT

ADAPTER - air cleaner and, Serial Range: manifold-tube

2шт.

19

214-260

HOSE CLAMP,#36, 1.81" - 2.75", Type F Worm

- adapter to intake tube #36, 1.81/2.75 Type F Worm

2шт.

20

L46436

TUBE - air, Serial Range: cleaner-manifold

1шт.

21

L18959

BRACKET - mounting, air cleaner tube (If used)

1шт.

22

13-516

BOLT,Hex, 5/16" - 18 x 1", Gr 5

(If used) Hex, 5/16"-18 x 1", G5, Full Thd

1шт.

23

A12383

CLAMP

- air cleaner tube (If used)

1шт.

24

95-5

WASHER,3/8" x 7/8" x .083"

- plain (5/16")

2шт.

25

92-5

LOCK WASHER,5/16"

med sect. 5/16"

1шт.

26

9635082

NUT,5/16" - 18, Gr 5

- hex. (5/16" - 18 NC)

1шт.

27

L40280

DIPSTICK

GAUGE - air cleaner restriction

1шт.

28

L13267

NIPPLE -, Serial Range: gauge-coupling

1шт.

29

L13268

LOCK NUT

- jam, nipple retaining

1шт.

222-681

FITTING,5/16"-24 x 1/8" NPT Fem, Comp

COUPLING ASSEMBLY - female, Includes: Ref. 30 - 32

2шт.

30

NSS

NOT SOLD SEPARAT

COUPLING - female

1шт.

31

222-650

SLEEVE,1/8" Tube, Comp

1шт.

32

222-660

FLANGE NUT,5/16"-24, 45 Degree Fl, Comp

1шт.

33

L11335

TUBE,60" L

- gauge to air intake tube

1шт.

34

515-2363

CLAMP,M6.3, Insul, 3/8" Bolt

- tube to hood bracket

1шт.

35

D36264

FITTING

CONNECTOR - special, filter type

1шт.

36

A7479

CAP

- exhaust pipe

1шт.

37

L13824

EXTENSION

PIPE - exhaust, upper (Used on models without spark arrester muffler)

1шт.

38

A13240

CLAMP,2-5/8" ID

- mufler

2шт.

39

A15163

MUFFLER

- exhaust (Standard)

1шт.

40

L19092

PIPE, EXHAUST SYSTEM

PIPE - exhaust, lower (When stock is exhausted, order L53192 pipe)

1шт.

40

L53192

EXHAUST SYSTEM PIPE

PIPE - exhaust, lower

1шт.

41

D28028

CAP

- exhaust pipe (Spark arrester muffler)

1шт.

42

L15259

PIPE

- exhaust, upper (Spark arrester muffler)

1шт.

43

L15256

MUFFLER - spark arrester

1шт.

Выбрано товаров: 45