Запчасти Case 680CK (068) - TRANSMISSION AND RELATED PARTS (21) - TRANSMISSION

Схема запчастей Case 680CK - (068) - TRANSMISSION AND RELATED PARTS (21) - TRANSMISSION
FIT
1:1
100%

Артикул

Название

Примечание

Количество

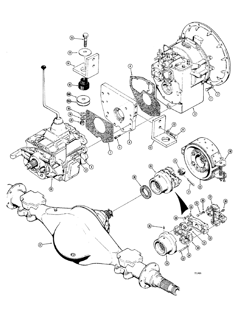
1

13-616

BOLT,Hex, 3/8" - 16 x 1", Gr 5, Full Thd

Transmission to flywheel housing

12шт.

2

92-6

LOCK WASHER,3/8"

12шт.

3

REF

INSTRUCTION

TRANSMISSION ASSEMBLY - forward and reverse (Parts list Figures 70 thru 76)

1шт.

4

L47759

GASKET

Forward-reverse transmission to adapter plate

1шт.

5

61-524

HEX SOC SCREW,5/16"-18 x 1 1/2"

Grade 8

9шт.

6

L45279

PLATE

Adapter, forward-reverse to four speed transmission

1шт.

6a

138-127

LOCK PIN,1/4" x 1/2", Slotted

1шт.

7

L47760

GASKET

SPARE PART Adapter plate to four speed transmission

1шт.

8

13-924

BOLT,Hex, 9/16" - 12 x 1-1/2", Gr 5

4шт.

9

92-9

BEARING WASHER,9/16"

4шт.

10

L47203

SPARE PART ASSEMBLY - four speed (Parts list Figures 80 thru 84); Transmission Housing Stamped With No. T19-148F

1шт.

11

13-1040

BOLT,Hex, 5/8" - 11 x 2-1/2", Gr 5

4шт.

12

92-10

LOCK WASHER,5/8"

4шт.

12a

195-903

WASHER

Bevel (5/8")

4шт.

13

L47375

BRACKET - mounting, adapter plate to chassis (RH)

1шт.

14

L47376

SPARE PART BRACKET - mounting, adapter plate to chassis (LH)

1шт.

15

13-1264

BOLT,Hex, 3/4" - 10 x 4", Gr 5

2шт.

16

A19066

MOUNTING PARTS

Rubber, transmission

2шт.

16a

L50197

SHIM

16 gauge

1шт.

16b

L50194

SHIM

12 gauge

1шт.

17

A19068

WASHER

Special, rubber mount

2шт.

18

95-12

WASHER,3/4"

2шт.

19

92-12

LOCK WASHER,3/4"

2шт.

20

25-1012

NUT,3/4"-10, G5

2шт.

21

132-54

COTTER PIN,1/8" x 1 3/4"

1шт.

22

L48339

NUT

Transmission shaft to brake drum

1шт.

23

REF

INSTRUCTION

DRUM ASSEMBLY - transmission parking brake (See Figure 80 for parts list and related components)

1шт.

24

L48288

SPARE PART DRIVE, ASSEMBLY - parking brake flange to rear axle, Includes Ref. 25 - 36

1шт.

25

L31781

BOLT

Special, front spider and bearing to brake flange (3/8"-24 NF x 1-7/8")

4шт.

26

L32430

LOCK WASHER

Lock, special, Includes Ref. 27 and 28

4шт.

L32423

KIT

SPIDER AND BEARING ASSEMBLY - front

1шт.

27

NSS

NOT SOLD SEPARAT

SPIDER AND BEARING - front

1шт.

28

219-1

LUBE NIPPLE,1/8" - 27 NPTF

Straight (1/8" NPT)

1шт.

29

L48345

PLATE

COUPLING - center, spider and bearing

1шт.

L31776

SPIDER

SPIDER AND BEARING ASSEMBLY - rear, Includes Ref. 30 and 31

1шт.

30

NSS

NOT SOLD SEPARAT

SPIDER AND BEARING - rear

1шт.

31

219-1

LUBE NIPPLE,1/8" - 27 NPTF

Straight (1/8" NPT)

1шт.

32

28-648

BOLT,Hex, 3/8" - 24 x 3", Gr 8

Special, spider and bearing assemblies to center coupling

4шт.

33

L33426

SCREW

Special, rear spider and bearing to splined yoke (3/8"-24 NF x 1-3/4")

4шт.

34

L32430

LOCK WASHER

Lock, special

8шт.

35

L48242

YOKE

UNIVERSAL JOINT YOKE Splined, at adapter

1шт.

36

219-1

LUBE NIPPLE,1/8" - 27 NPTF

Straight (1/8" NPT)

1шт.

37

REF

INSTRUCTION

AXLE ASSEMBLY - rear drive (Parts list Figures 90 - 110)

1шт.

38

L48498

SEAL

SPARE PART Drive shaft, at splined yoke

1шт.

Выбрано товаров: 44