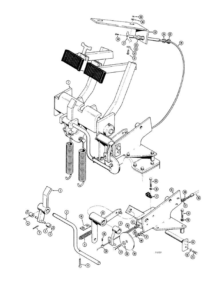
Запчасти Case 680CK (090) - TRANSMISSION CONTROLS, CLUTCH CUTOUT PARTS (21) - TRANSMISSION

Схема запчастей Case 680CK - (090) - TRANSMISSION CONTROLS, CLUTCH CUTOUT PARTS (21) - TRANSMISSION
FIT
1:1
100%

Артикул

Название

Примечание

Количество

1

REF

INSTRUCTION

BRAKE PEDALS AND MOUNTING BRACKET - tractor (See Figure 112 for components)

1шт.

2

L46620

ARM - clutch disconnect

1шт.

3

L46811

PEDAL - disconnect arm actuating

1шт.

4

83-56

SET SCREW,Hex Soc, 5/16"-18 x 3/8"

SCREW - set, hex. socket head (5/16" - 18 NC x 3/8") cup point

2шт.

5

L16410

ROLLER

- lever, brake pedal

2шт.

6

A26584

WASHER

- plain, roller retaining

2шт.

7

132-26

COTTER PIN

PIN, Split (Cotter), 3/32" x 3/4"

2шт.

8

132-52

COTTER PIN,1/8" x 1 1/2"

PIN, Split (Cotter), 1/8" x 1 1/2"

1шт.

9

A31080

VALVE SPRING

SPRING - arm return

1шт.

10

L47555

BRACKET - return spring

1шт.

11

L26238

ARM - clutch disconnect, cable control

1шт.

12

L26366

BELLCRANK - shuttle shift

1шт.

13

L26254

BRACKET - shift bellcrank and disconnect arm mounting

1шт.

14

L11107

SHAFT

- bellcrank and disconnect arm pivot

1шт.

15

13-48

BOLT,Hex, 1/4" - 20 x 1/2", Gr 5

1шт.

16

92-4

LOCK WASHER,1/4"

WASHER, LOCK, 1/4"

1шт.

17

49853

TOOL

-, Serial Range: cable-bracket

1шт.

18

13-536

BOLT,Hex, 5/16" - 18 x 2-1/4", Gr 5

5шт.

19

92-5

LOCK WASHER,5/16"

med sect. 5/16"

5шт.

L13593

CABLE

ASSEMBLY - clutch disconnect, Includes: Ref. 20 - 30

1шт.

20

L32204

SCREW

- locking, Phillips head (#10 - 32 NF x 5/8")

1шт.

21

L32205

HANDLE

- disconnect control

1шт.

22

L32206

SEAL

- cable

1шт.

23

L32207

NUT

RETAINER - seal

1шт.

24

193-63

LOCK WASHER,Int Tooth, 5/8"

WASHER - lock, internal tooth (5/8") zinc plated

1шт.

25

129-167

JAM NUT,Jam, 5/8"-18, G5

- hex., jam (5/8" - 18 NF) zinc plated

1шт.

26

NSS

NOT SOLD SEPARAT

CABLE - disconnect control

1шт.

27

195-520

WASHER,1/4"

- plain (5/16") zinc plated

2шт.

28

86637933

JAM NUT,5/16" - 24, Gr 5

2шт.

L32208

CLAMP

COLLAR ASSEMBLY - cable, Includes: Ref. 29 and 30

1шт.

29

NSS

NOT SOLD SEPARAT

COLLAR - cable

1шт.

30

173-224

SCREW,Sl Rnd Hd, #8 - 32 x 1/4"

- machine, round head (#8 - 32 NC x 1/4")

1шт.

31

173-239

SCREW

- round head machine (1/4" - 20 NC x 1") zinc plated

2шт.

32

195-518

WASHER,1/4", SAE

- plain (1/4") zinc plated

2шт.

33

L47782

BRACKET - cable mounting, at dash

1шт.

34

192-19

LOCK WASHER,Helical Spring, 0.256" ID, CST, ZND

WASHER, LOCK, 1/4"

2шт.

35

7770

NUT,Hex, 1/4 - 20, Cl 5

1/4"-20, G5

2шт.

36

A37580

VALVE SPRING

SPRING - disconnect cable

1шт.

37

14-520

BOLT,Hex, 5/16" - 24 x 1-1/4", Gr 5

1шт.

38

95-5

WASHER,3/8" x 7/8" x .083"

- plain (5/16")

1шт.

39

L13586

DISC - clutch disconnect

1шт.

40

92-5

LOCK WASHER,5/16"

med sect. 5/16"

1шт.

41

25-155

JAM NUT,Jam, 5/16"-24, G5

- hex., jam (5/16" - 24 NF)

2шт.

Выбрано товаров: 43