Запчасти Case 680CK (116) - BRAKE SYSTEM, HYDROVAC CYLINDER GUARDS, (EARLY PRODUCTION), (33) - BRAKES & CONTROLS

Схема запчастей Case 680CK - (116) - BRAKE SYSTEM, HYDROVAC CYLINDER GUARDS, (EARLY PRODUCTION), (33) - BRAKES & CONTROLS
FIT
1:1
100%

Артикул

Название

Примечание

Количество

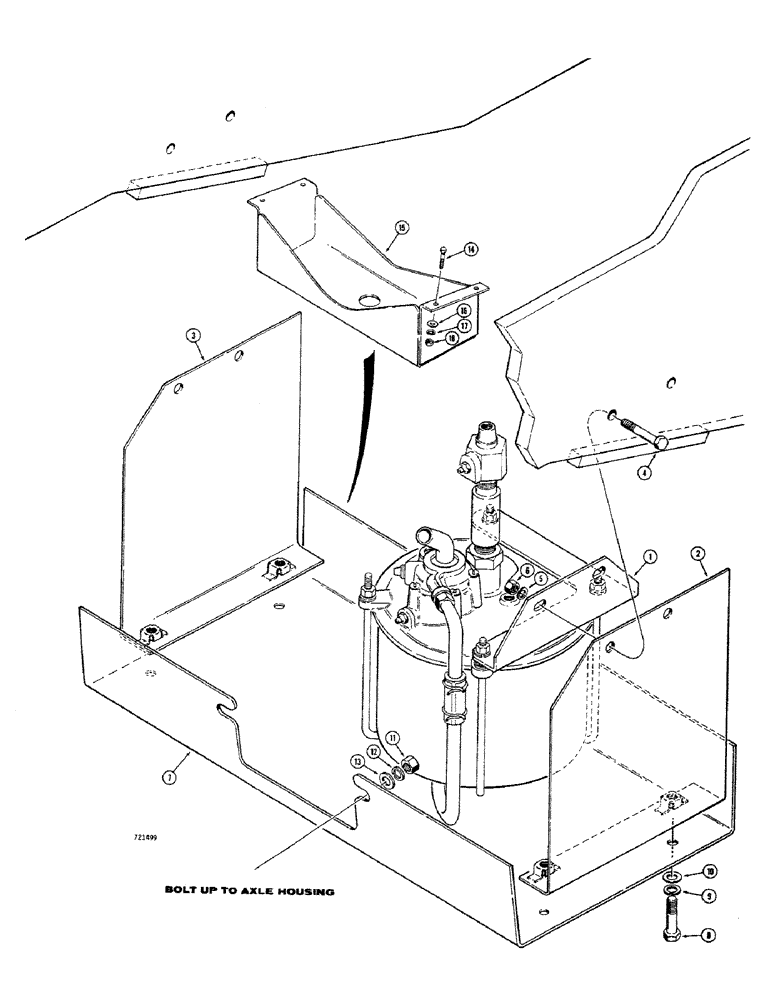
1

L46427

BRACKET - mounting, hydrovac cylinder and guards

2шт.

2

L50458

GUARD

- side, R.H.

1шт.

3

L50457

GUARD

- side, L.H.

1шт.

4

13-626

BOLT,Hex, 3/8" - 16 x 1-5/8", Gr 5

4шт.

5

92-6

LOCK WASHER,3/8"

med. sect. 3/8"

4шт.

6

25-106

NUT,3/8"-16, G5

- hex. (3/8" - 16 NC)

4шт.

7

L50459

GUARD

- bottom

1шт.

8

13-832

BOLT,Hex, 1/2" - 13 x 2", Gr 5

4шт.

9

92-8

LOCK WASHER,1/2"

med. sect. 1/2"

4шт.

10

95-8

WASHER,1/2"

- plain 1/2"

4шт.

11

25-178

NUT,1/2"-20, G5, Hvy

- hex. (7/16" - 20 NF)

2шт.

12

92-7

LOCK WASHER,7/16"

WASHER - med. sect. lock, 7/16"

2шт.

13

95-7

WASHER,7/16"

- plain () 7/16"

2шт.

14

28-1032

BOLT,Hex, 5/8" - 18 x 2", Gr 8

HHCS - 5/8" - 11 NC x 2" (Grade 8)

4шт.

15

L52023

GUARD

- hydrovac cylinder

1шт.

16

95-10

WASHER,5/8"

- plain () 5/8"

4шт.

17

92-10

LOCK WASHER,5/8"

WASHER, LOCK, 5/8"

4шт.

18

25-1010

NUT,5/8"-11, G5

4шт.

Выбрано товаров: 18