Запчасти Case 680CK (128) - BRAKE SYSTEM, PARKING BRAKE LEVER AND LINKAGE (33) - BRAKES & CONTROLS

Схема запчастей Case 680CK - (128) - BRAKE SYSTEM, PARKING BRAKE LEVER AND LINKAGE (33) - BRAKES & CONTROLS
FIT
1:1
100%

Артикул

Название

Примечание

Количество

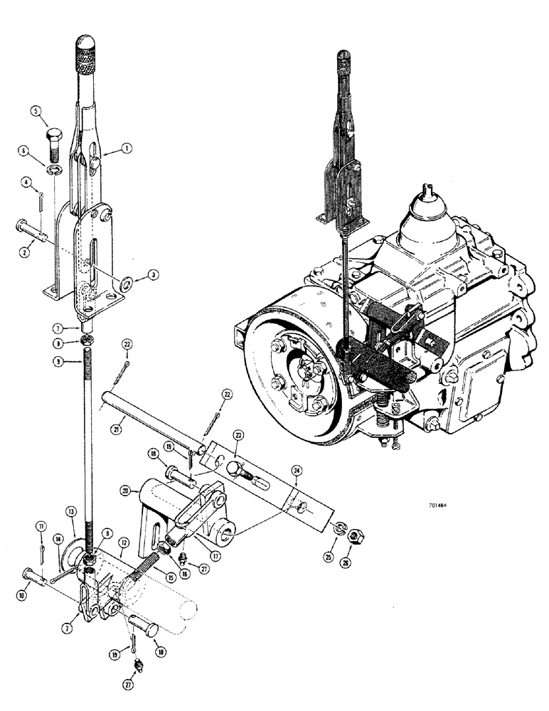
A17214

LEVER

ASSEMBLY - hand brake, Includes: Ref. 1 - 4

1шт.

1

NSS

NOT SOLD SEPARAT

LEVER - hand brake

1шт.

2

L30975

AXLE PIN,7.82mm OD x 39.69mm L

PIN - clevis

1шт.

3

95-5

WASHER,3/8" x 7/8" x .083"

- plain (5/16")

1шт.

4

132-26

COTTER PIN

PIN, Split (Cotter), 3/32" x 3/4"

1шт.

5

13-612

BOLT,Hex, 3/8" - 16 x 3/4", Gr 5, Full Thd

4шт.

6

92-6

LOCK WASHER,3/8"

med. sect. 3/8"

4шт.

7

213-3

ADJUSTABLE CLEVIS,5/16"-24

YOKE - rod end (5/16")

2шт.

8

25-115

NUT,5/16"-24, G5

- hex, jam (5/16"-24 NF)

2шт.

9

L47038

ROD

- connecting, brake, Serial Range: lever-bellcrank

1шт.

10

141-3

CLEVIS PIN,5/16" x .940"

PIN, CLEVIS, , Yoke 5/16" x .940"

1шт.

11

132-25

COTTER PIN,3/32" x 5/8"

PIN, Split (Cotter), 3/32" x 5/8"

1шт.

12

L47655

BELLCRANK - parking lever, upper

1шт.

13

95-14

WASHER,7/8"

- plain () 7/8"

1шт.

14

132-71

COTTER PIN,5/32" x 1 1/4"

PIN, Split (Cotter), 5/32" x 1 1/4"

1шт.

15

VR2694

ROD AND YOKE - lever

1шт.

16

25-156

JAM NUT,Jam, 3/8"-24, G5

- hex., jam (3/8" - 24 NF)

1шт.

17

213-4

ADJUSTABLE CLEVIS,3/8"-24 x 2 1/2"

YOKE - rod end (3/8")

1шт.

18

141-4

CLEVIS PIN,3/8" x 1.060"

PIN, CLEVIS, 3/8" x 1.060"

2шт.

19

132-25

COTTER PIN,3/32" x 5/8"

PIN, Split (Cotter), 3/32" x 5/8"

2шт.

20

L47550

BELLCRANK - parking lever, lower

1шт.

21

L47558

SHAFT - pivot, lower bellcrank

1шт.

22

132-71

COTTER PIN,5/32" x 1 1/4"

PIN, Split (Cotter), 5/32" x 1 1/4"

2шт.

23

13-620

BOLT,Hex, 3/8" - 16 x 1-1/4", Gr 5, Full Thd

2шт.

24

L47546

BRACKET - mounting, bellcrank

1шт.

25

92-6

LOCK WASHER,3/8"

med. sect. 3/8"

2шт.

26

25-106

NUT,3/8"-16, G5

- hex. (3/8" - 16 NC)

2шт.

27

219-1

LUBE NIPPLE,1/8" - 27 NPTF

FITTING - grease, straight (1/8" NPT)

2шт.

Выбрано товаров: 28