Запчасти Case 680CK (215A) - LOADER CONTROL VALVE, TILT SPOOL (35) - HYDRAULIC SYSTEMS

Схема запчастей Case 680CK - (215A) - LOADER CONTROL VALVE, TILT SPOOL (35) - HYDRAULIC SYSTEMS
FIT
1:1
100%

Артикул

Название

Примечание

Количество

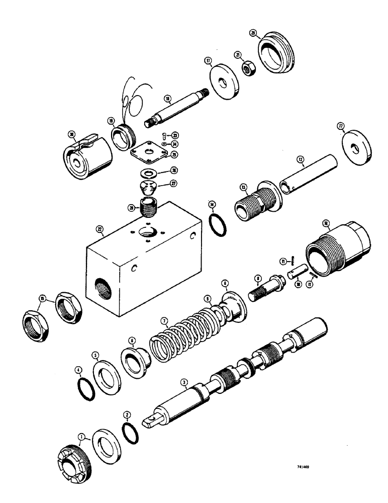
L35090

SPOOL

ASSEMBLY - tilt, Includes: Ref. 1 - 29

1шт.

1

L30744

GLAND

AND WIPER - spool

1шт.

2

R17547

O-RING,0.103" Thk x 0.75" ID, -116, Cl 5, 75 Duro

SEAL - "O"ring

1шт.

3

L36051

SPOOL

- tilt control

1шт.

4

R17547

O-RING,0.103" Thk x 0.75" ID, -116, Cl 5, 75 Duro

SEAL - "O"ring

1шт.

5

A14535

RETAINER

- seal

1шт.

6

A14533

BRONZE BUSHING

RETAINER - spring

2шт.

7

A25285

SPRING

- spool

1шт.

8

L36048

PLUG

- spool

1шт.

9

A25286

WASHER

- spacer

1шт.

10

D33858

LINK

- spool detent

1шт.

11

138-2012

PIN,1/8" x 1/2", Coiled

2шт.

12

L36049

SPACER

- detent link

1шт.

13

L36046

CONNECTOR, ELEC

CONNECTOR - spool end and detent

1шт.

14

F62114

O-RING,0.103" Thk x 0.674" ID, -115, Cl 5, 75 Duro

SEAL - "O"ring

1шт.

15

L36045

NUT

- hex., jam

2шт.

16

L36047

CAP

- spool

1шт.

17

L36038

CLAMP

CLAPPER - magnetic detent

2шт.

18

L36050

BUSHING

SPACER - clapper

1шт.

19

L36147

COIL

- magnetic detent

1шт.

20

L36041

SLEEVE

- coil

1шт.

21

25-114

NUT,1/4"-28, G5

- hex. (1/4" - 28 NF)

1шт.

22

L36040

CAP

TUBE - magnetic detent

1шт.

23

173-26

SCREW,Sl Rnd Hd, #4 - 40 x 5/16"

- round head machine (#4 - 40 NC x 5/16")

4шт.

24

192-53

LOCK WASHER,#4

WASHER, LOCK, #4

4шт.

25

L36145

PLATE

- cover

1шт.

26

L36146

WASHER

- spacer

1шт.

27

L33782

SEAL

- moisture

1шт.

28

L36042

TUBE

- spacer

1шт.

29

L36039

CAP

- magnetic detent spool

1шт.

Выбрано товаров: 30