Запчасти Case 680CK (280) - G34452 SWING SECTION (35) - HYDRAULIC SYSTEMS

Схема запчастей Case 680CK - (280) - G34452 SWING SECTION (35) - HYDRAULIC SYSTEMS
FIT
1:1
100%

Артикул

Название

Примечание

Количество

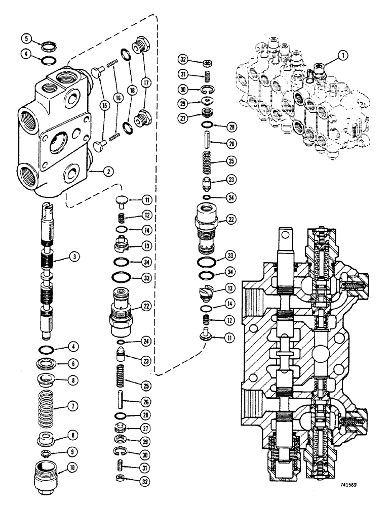
1

G34452

VALVE BLOCK

VALVE ASSY. - swing section, Includes: Ref. 2 - 34

1шт.

2

NSS

NOT SOLD SEPARAT

BODY - swing valve

1шт.

3

NSS

NOT SOLD SEPARAT

SPOOL - swing valve

1шт.

4

A27365

O-RING,0.103" Thk x 0.75" ID, -116, Cl 5, 75 Duro

"O" RING - body (3/4 x 15/16 x 3/32")

2шт.

5

A32309

SEAL,18.8mm ID x 25.5mm OD x 3.1mm Thk

- valve spool (3/4 x 1 x 1/8")

1шт.

6

G33803

RETAINER

- body "O" ring

1шт.

7

G34463

SPRING

- spool centering (2-9/32" free length)

1шт.

8

G33075

RETAINER,12.2mm ID, 27.9mm OD

- centering spring

2шт.

9

G33077

SNAP RING,#47, Ext

Ring, Snap, , retainer to spool #47, Ext

1шт.

10

P0033080G

SCREW

- centering spring

1шт.

11

G33081

VALVE POPPET

POPPET - load check valve

2шт.

12

G33573

SPRING

- load check valve (11/16" free length)

2шт.

13

G33084

PLUG

- load check valve

2шт.

14

G33686

O-RING,0.07" Thk x 0.61" ID

"O" RING - plug (5/8 x 3/4 x 1/16")

2шт.

15

G34456

VALVE POPPET

POPPET - anit-cavity valve

2шт.

16

G34458

SPRING,Compression, 5.08mm OD x 27.56mm L

- anti-cavity valve (1-3/32" free length)

2шт.

17

G34457

PLUG

- anti-cavity valve

2шт.

18

237-6010

O-RING,0.097" Thk x 0.755" ID, -910, Cl 6, 90 Duro

"O" RING - plug (3/4 x 15/16 x 3/32")

2шт.

G34454

VALVE

ASSY. - relief (2050 P.S.I.), Includes: Ref. 22 - 34

2шт.

22

NSS

NOT SOLD SEPARAT

BODY - relief valve

1шт.

23

G33089

VALVE

POPPET - relief valve

1шт.

24

A28090

O-RING,0.301" ID x 0.441" OD x 0.07"

-011, 70 Duro, .301" ID x .070" Thk - Poppet

1шт.

25

G33090

SPRING

- relief valve (1-25/32" free length)

1шт.

26

G34455

PIN

- stop, relief valve spring

1шт.

27

G33091

PISTON

- relief valve

1шт.

28

D31409

O-RING,0.07" Thk x 0.489" ID, -14, Cl 6, 90 Duro

"O" RING - piston (1/2 x 5/8 x 1/16")

1шт.

29

G33092

RETAINER

- relief valve

1шт.

30

G46150

SNAP RING,0.75", Int, #75

Ring, Snap, 0.75", Int, #75

1шт.

31

178-630

SET SCREW,Hex Soc, 1/4"-20 x 3/4"

SCREW - set, piston adjusting (1/4 x 3/4" N.C., hex. sckt. headless, oval pt.)

1шт.

32

25-144

JAM NUT,Jam, 1/4"-20, G5

- lock, set screw (1/4 N.C. hex., jam)

1шт.

33

218-5008

O-RING,0.116" Thk x 0.924" ID, -912, Cl 6, 90 Duro

"O" RING - valve body (15/16 x 1-1/8 x 1/8")

1шт.

34

G33093

O-RING

"O" RING - valve body (3/4 x 7/8 x 1/16")

1шт.

Выбрано товаров: 32