Запчасти Case 680CK (181A) - DIPPER LIGHT, USED WITH FOUR FOOT EXTENDABLE DIPPER (55) - ELECTRICAL SYSTEMS

Схема запчастей Case 680CK - (181A) - DIPPER LIGHT, USED WITH FOUR FOOT EXTENDABLE DIPPER (55) - ELECTRICAL SYSTEMS
FIT
1:1
100%

Артикул

Название

Примечание

Количество

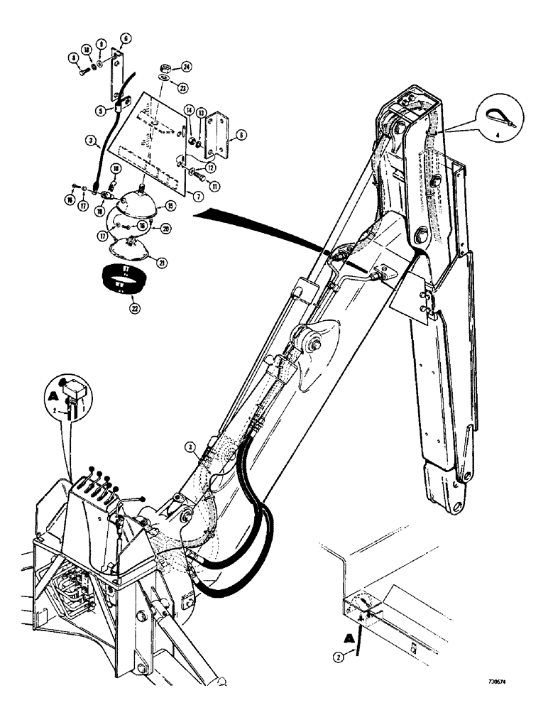
1

G13142

IGNITION SWITCH

SWITCH - dipper light

1шт.

2

L53995

WIRE - rear wiring harness to switch (63" long)

1шт.

3

L55370

WIRE - dipper light (266" long)

1шт.

4

L11541

CABLE TIE,203.2mm L, Nylon

STRAP - wire

14шт.

5

51200330

CLAMP

- wire (At dipper light)

3шт.

6

L55366

ANGLE - dipper light bracket

2шт.

7

D41427

SHIELD

- dipper light

1шт.

8

26-624

BOLT,Hex, 3/8" - 16 x 1-1/2", Gr 8

HHCS - 3/8" - 16 NC x 1-1/2" (Grade 8)

4шт.

9

195-104

WASHER,3/8"

- flat () zinc plated 3/8"

4шт.

10

192-21

LOCK WASHER,3/8"

WASHER, LOCK, 3/8"

4шт.

11

13-820

BOLT,Hex, 1/2" - 13 x 1-1/4", Gr 5, Full Thd

4шт.

12

95-8

WASHER,1/2"

- flat 1/2"

4шт.

13

92-8

LOCK WASHER,1/2"

med. sect. 1/2"

4шт.

14

25-108

NUT,1/2"-13, G5

- hex. (1/2" - 13 NC)

4шт.

D37811

LAMP

LIGHT ASSEMBLY - dipper arm, Includes: Ref. 18 - 22

1шт.

15

NSS

NOT SOLD SEPARAT

BODY - light

1шт.

16

173-73

SCREW,Sl Rnd Hd, #8 - 32 x 1/4"

- machine, round head (#8 - 32 NC x 1/4")

2шт.

17

193-25

LOCK WASHER,Int Tooth, 0.172" ID x 0.332" OD, STL, PLN

WASHER - lock, #8 (External tooth Shakeproof)

2шт.

18

10927

SPRING

- light

1шт.

19

B50293

TERMINAL CONNECTOR

- light

1шт.

20

A25262

ELECTRICAL WIRE

WIRE - light

1шт.

21

D33182

LAMP

LIGHT - sealed beam

1шт.

22

D31441

RETAINER

- light

1шт.

23

195-33

WASHER,1/2"

- plain () 1/2"

1шт.

24

131-354

LOCK NUT,1/2"-13, GA

NUT - hex., lock (1/2" - 13 NC)

1шт.

Выбрано товаров: 25