Запчасти Case 680CK (148) - D15611 4-IN-1 BUCKET, OPTIONAL BUCKET TEETH (82) - FRONT LOADER & BUCKET

Схема запчастей Case 680CK - (148) - D15611 4-IN-1 BUCKET, OPTIONAL BUCKET TEETH (82) - FRONT LOADER & BUCKET
FIT
1:1
100%

Артикул

Название

Примечание

Количество

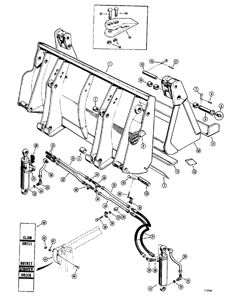
D15611

BUCKET - without teeth (1 yd.) Machinery item, Includes: Ref. 1 - 14

1шт.

D49623

BLADE ASSEMBLY - bucket, Includes: Ref. 1 - 4

1шт.

1

NSS

NOT SOLD SEPARAT

BLADE - bucket

1шт.

2

D95182

EDGE, CUTTING

CUTTING EDGE - blade

1шт.

3

D32919

BUSHING,38.4mm ID x 47.63mm OD x 19.05mm L

- upper

4шт.

4

D33659

BUSHING,51.02mm ID x 63.5mm OD x 19.1mm L

- lower

4шт.

5

D46917

PIN

-, Serial Range: blade-clam

2шт.

6

219-1

LUBE NIPPLE,1/8" - 27 NPTF

FITTING - grease, straight (1/8" NPT)

2шт.

7

D46973

PIN

- clevis

2шт.

8

132-48

COTTER PIN,1/8" x 1"

Pin, Split (Cotter), 1/8" x 1"

2шт.

9

D46913

PLATE

BLOCK - stop

2шт.

D49616

CLAW

CLAM ASSEMBLY - bucket, Includes: Ref. 10 - 14

1шт.

10

NSS

NOT SOLD SEPARAT

CLAM - bucket

1шт.

11

D49617

EDGE

CUTTING EDGE - clam

1шт.

12

D49618

PLATE

WEAR PLATE - clam

1шт.

13

D46914

PLATE

GRAB HOOK

2шт.

14

D31140

BUSHING,38.33mm ID x 47.63mm OD x 25.4mm L

- hinge

6шт.

15

D39311

PIN

- upper, Serial Range: cylinder-blade

2шт.

16

D47252

PIN

- clevis

2шт.

17

132-48

COTTER PIN,1/8" x 1"

Pin, Split (Cotter), , Lower, cylinder to blade 1/8" x 1"

2шт.

18

D39306

PIN

- lower, Serial Range: cylinder-blade

2шт.

19

D47251

PIN

- clevis

2шт.

20

132-48

COTTER PIN,1/8" x 1"

Pin, Split (Cotter), 1/8" x 1"

2шт.

21

G33770

HYDRAULIC CYLINDER

CYLINDER - clam, R.H., Parts list Figures 258 and 259A

1шт.

22

G33771

CYLINDER BLOCK

CYLINDER - clam, L.H., Parts list Figures 258 and 259A

1шт.

23

218-5107

90 ELBOW,90 Degree Elbow, 7/8" - 14 Male JIC x 7/8" - 14 Male ORB

- 90 degree, Incl. Ref. 24

2шт.

24

237-6010

O-RING,0.097" Thk x 0.755" ID, -910, Cl 6, 90 Duro

SEAL - "O"ring

1шт.

25

D46957

TUBE

- closed end cylinder (R.H.)

1шт.

26

D46955

TUBE

- closed end cylinder (L.H.)

1шт.

27

214-267

HOSE CLAMP,#64, 3.56" - 4.5", Type F Worm

CLAMP - tube

2шт.

28

D38648

BLOCK

SADDLE - rubber, clamp

2шт.

29

218-5137

ELBOW,45 Degree Elbow, 7/8" - 14 Male JIC x 7/8" - 14 Male ORB

Incl. Ref 30 45º, 7/8"-14 x 7/8"-14, O-Ring

2шт.

30

237-6010

O-RING,0.097" Thk x 0.755" ID, -910, Cl 6, 90 Duro

SEAL - "O"ring

1шт.

31

36547

HOSE

- tube to cylinder (19" long)

4шт.

32

D49631

TUBE - tee to cylinder, L.H. lower - R.H. upper

2шт.

33

D49632

TUBE - tee to cylinder, L.H. upper - R.H. lower

2шт.

34

50875

NUT

- bulkhead

2шт.

35

D46898

3 WAY CONNECTION

TEE - bulkhead

2шт.

36

13-628

BOLT,Hex, 3/8" - 16 x 1-3/4", Gr 5

2шт.

37

92-6

LOCK WASHER,3/8"

med. sect. 3/8"

2шт.

38

D40236

CLAMP

- tube

4шт.

39

D33552

BUSHING

SPACER - clamp

2шт.

40

13-516

BOLT,Hex, 5/16" - 18 x 1", Gr 5

2шт.

41

L15299

BRACKET - decal mounting

1шт.

42

92-5

LOCK WASHER,5/16"

med. sect. 5/16"

2шт.

43

9635082

NUT,5/16" - 18, Gr 5

- hex. (5/16" - 18 NC)

2шт.

44

321-1225

DECAL - bucket position

1шт.

45

D46885

TOOTH

- bucket, optional

7шт.

46

13-832

BOLT,Hex, 1/2" - 13 x 2", Gr 5

Optional bucket teeth Hex, 1/2"-13 x 2", G5

7шт.

47

13-836

BOLT,Hex, 1/2" - 13 x 2-1/4", Gr 5

HHCS - 1/2" - 13 NC x 2-1/4", optional bucket teeth

7шт.

48

25-106

NUT,3/8"-16, G5

- hex. (1/2" - 13 NC), optional bucket teeth

7шт.

Выбрано товаров: 51