Запчасти Case 680CK (066) - TRANSMISSION AND RELATED PARTS (21) - TRANSMISSION

Схема запчастей Case 680CK - (066) - TRANSMISSION AND RELATED PARTS (21) - TRANSMISSION
FIT
1:1
100%

Артикул

Название

Примечание

Количество

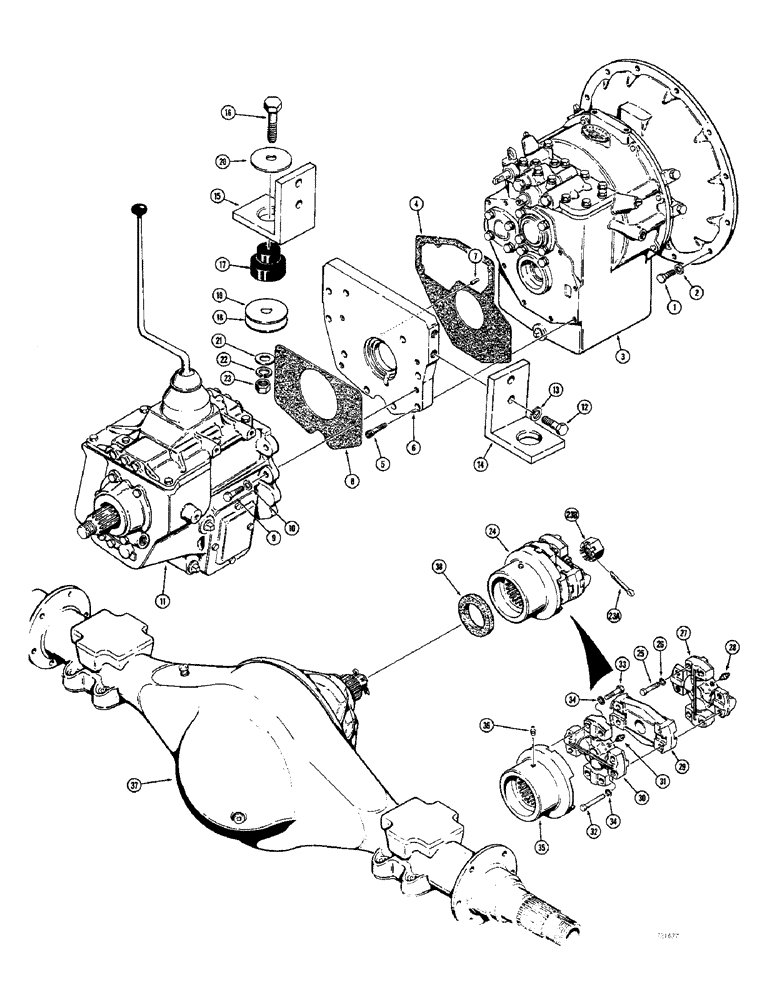
1

13-616

BOLT,Hex, 3/8" - 16 x 1", Gr 5, Full Thd

Transmission to flywheel housing Hex, 3/8"-16 x 1", G5, Full Thd

12шт.

2

92-6

LOCK WASHER,3/8"

med. sect. 3/8"

12шт.

3

L35677

TRANSMISSION

ASSEMBLY - forward and reverse, Parts list Figures 68 thru 74

1шт.

4

L47759

GASKET

- forward-reverse transmission to adapter plate

1шт.

5

D66411

SCREW

CAP SCREW - sealing, 5/16" - 18 NC x 1-1/2"

9шт.

6

L45279

PLATE

- adapter, forward-reverse to four speed transmission

1шт.

7

138-127

LOCK PIN,1/4" x 1/2", Slotted

PIN, 1/4" x 1/2", Slotted

1шт.

8

L47760

GASKET

- adapter plate to four speed transmission

1шт.

9

13-924

BOLT,Hex, 9/16" - 12 x 1-1/2", Gr 5

HHCS - 9/16" - 12 NC x 1-1/2"

1шт.

9

13-928

BOLT,Hex, 9/16" - 12 x 1-3/4", Gr 5

HHCS - 9/16" - 12 NC x 1-3/4"

3шт.

10

92-9

BEARING WASHER,9/16"

med. sect. 9/16"

4шт.

11

L54268

TRANSMISSION

ASSEMBLY - four speed, Parts list Figures 78 thru 84

1шт.

12

13-1028

BOLT,Hex, 5/8" - 11 x 1-3/4", Gr 5, Full Thd

4шт.

13

92-10

LOCK WASHER,5/8"

WASHER, LOCK, 5/8"

4шт.

14

L47375

BRACKET - mounting, adapter plate to chassis (R.H.)

1шт.

15

L47376

BRACKET - mounting, adapter plate to chassis (L.H.)

1шт.

16

13-1264

BOLT,Hex, 3/4" - 10 x 4", Gr 5

2шт.

17

A19066

MOUNTING PARTS

MOUNT - rubber, transmission

2шт.

18

L50197

SHIM

- 16 gauge

1шт.

19

L50194

SHIM

- 12 gauge

1шт.

20

A19068

WASHER

- special, rubber mount

2шт.

21

95-12

WASHER,3/4"

- plain () 3/4"

2шт.

22

92-12

LOCK WASHER,3/4"

WASHER, LOCK, 3/4"

2шт.

23

25-1012

NUT,3/4"-10, G5

2шт.

23b

L48339

NUT

- transmission shaft to brake drum

1шт.

24

L48288

DRIVE SHAFT ASSEMBLY - four speed transmission to rear axle, Inlcudes: Ref. 25 - 31

1шт.

25

L31781

BOLT

BOLT - special, front spider and bearing to brake flange (3/8" - 24 NF x 1-7/8")

4шт.

26

192-161

LOCK WASHER,3/8"

WASHER, LOCK, 3/8"

4шт.

L32423

KIT

SPIDER AND BEARING ASSEMBLY - front, Inlcudes: Ref. 27 and 28

1шт.

27

NSS

NOT SOLD SEPARAT

SPIDER AND BEARING - front

1шт.

28

219-1

LUBE NIPPLE,1/8" - 27 NPTF

FITTING - grease, straight (1/8" NPT)

1шт.

29

L48345

PLATE

COUPLING - center, spider and bearing

1шт.

L31776

SPIDER

SPIDER AND BEARING ASSEMBLY - rear

1шт.

30

NSS

NOT SOLD SEPARAT

SPIDER AND BEARING - rear

1шт.

31

219-1

LUBE NIPPLE,1/8" - 27 NPTF

FITTING - grease, straight (1/8" NPT)

1шт.

32

28-648

BOLT,Hex, 3/8" - 24 x 3", Gr 8

- special, spider and bearing assemblies to center couplings (3/8" - 24 NF x 3")

4шт.

33

L33426

SCREW

BOLT - special, rear spider and bearing to splined yoke (3/8" - 24 NF x 1-3/4")

4шт.

34

192-161

LOCK WASHER,3/8"

WASHER, LOCK, 3/8"

8шт.

35

L48242

YOKE

- splined, at adapter

1шт.

36

219-1

LUBE NIPPLE,1/8" - 27 NPTF

FITTING - grease, straight (1/8" NPT)

1шт.

37

L54078

AXLE ASSEMBLY - rear drive (Parts list pages 88 thru 95C)

1шт.

38

L48498

SEAL

- drive shaft, at splined yoke

1шт.

23a

132-54

COTTER PIN,1/8" x 1 3/4"

Pin, Split (Cotter), 1/8" x 1 3/4"

1шт.

Выбрано товаров: 43