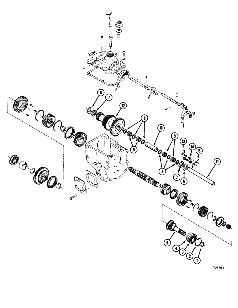
Запчасти Case 680CK (082) - TRANSMISSION, INPUT, IDLER GEAR AND COUNTERSHAFT (21) - TRANSMISSION

Схема запчастей Case 680CK - (082) - TRANSMISSION, INPUT, IDLER GEAR AND COUNTERSHAFT (21) - TRANSMISSION
FIT
1:1
100%

Артикул

Название

Примечание

Количество

L54268

TRANSMISSION

ASSEMBLY - 4 speed, Inlcudes: Ref. 1 - 15

1шт.

1

L33360

RING

SNAP RING - main drive gear (Color code - white)

1шт.

1

L33361

RING, SNAP

SNAP RING - main drive gear (Color code - blue)

1шт.

1

L33362

RING, SNAP

SNAP RING - main drive gear (Color code - orange)

1шт.

1

L33363

RING, SNAP

SNAP RING - main drive gear (Color code - green)

1шт.

2

A14857

RING

SNAP RING - bearing retaining

1шт.

3

L33357

BALL BEARING,39.99mm ID x 90mm OD x 20mm W

BEARING - main drive gear

1шт.

4

L33358

PLATE

SLINGER - oil

1шт.

5

L33356

GEAR WHEEL

GEAR - main drive

1шт.

6

L33350

WASHER

- thrust, countershaft (Outer)

2шт.

7

L33351

WASHER

- thrust, countershaft (Inner)

2шт.

8

L33352

WASHER

SPACER - countershaft bearing

6шт.

9

R17820

AXLE PIN,4.76mm OD x 25.4mm L

BEARING - roller, countershaft

88шт.

10

L33349

SPACER

- bearing, center (5" long)

1шт.

11

L33354

SHAFT

- counter

1шт.

12

L33348

GEAR WHEEL

GEAR - countershaft and reverse idler

1шт.

13

13-612

BOLT,Hex, 3/8" - 16 x 3/4", Gr 5, Full Thd

2шт.

14

193-10

LOCK WASHER,Ext Tooth, 0.391" ID x 0.682" OD, STL, PLN

WASHER, LOCK, Ext Tooth, 3/8"

2шт.

15

L33355

PLATE ASSY.

PLATE - lock, countershaft

1шт.

Выбрано товаров: 19