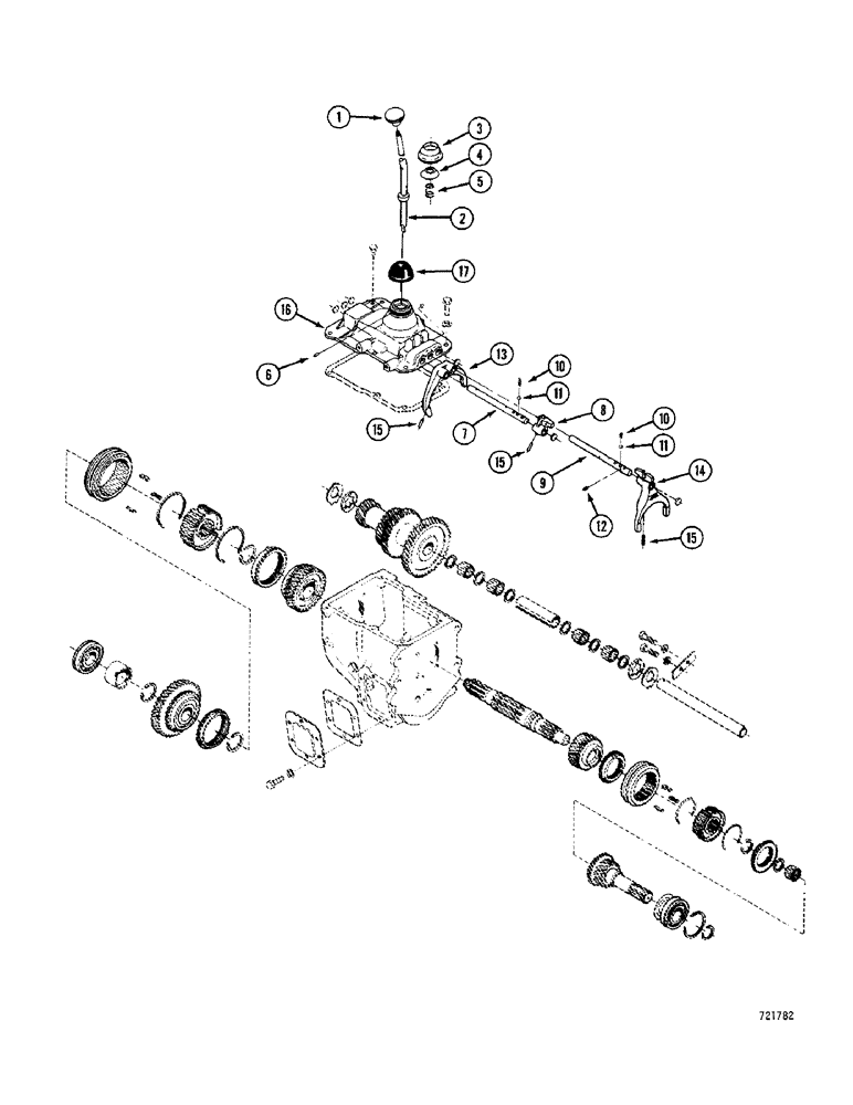
Запчасти Case 680CK (084) - TRANSMISSION CONTROLS, FOUR SPEED SHIFTING PARTS (21) - TRANSMISSION

Схема запчастей Case 680CK - (084) - TRANSMISSION CONTROLS, FOUR SPEED SHIFTING PARTS (21) - TRANSMISSION
FIT
1:1
100%

Артикул

Название

Примечание

Количество

L54268

TRANSMISSION

ASSEMBLY - 4 speed, Inlcudes: Ref. 1 - 17

1шт.

1

A26727

BALL

KNOB - shift lever

1шт.

2

L47325

LEVER

- shift control

1шт.

3

L33378

CYLINDER END CAP

CAP - control cover

1шт.

4

L33379

WASHER

- spring, control lever

1шт.

5

L33380

VALVE SPRING

SPRING - control lever

1шт.

6

L33375

ROLLER

PIN - control cover

1шт.

7

L33369

RAIL

- shift, first and second gears

1шт.

8

L33372

LEVER

END - shift rail, first and second gears

1шт.

9

L33368

RAIL

- shift, third and fourth gears

1шт.

10

L33373

VALVE SPRING

SPRING - poppet

2шт.

11

211-11

BALL,3/8" Dia

- steel (.) 3/8" Dia

2шт.

12

L33374

PLUNGER

- interlock

1шт.

13

L33371

FORK

- shifting, first and second gears

1шт.

14

L33370

FORK TEDDER

FORK - shifting, third and fourth gears

1шт.

15

138-97

LOCK PIN,3/16" x 1 1/8", Slotted

PIN, 3/16" x 1 1/8", Slotted

3шт.

16

L33366

HOUSING

COVER - shift control, See Figure 78 for related parts

1шт.

17

L33986

BOOT

- shift lever

1шт.

Выбрано товаров: 18