Запчасти Case 680CK (116) - FRONT AXLE, SPINDLES AND TIE ROD (25) - FRONT AXLE SYSTEM

Схема запчастей Case 680CK - (116) - FRONT AXLE, SPINDLES AND TIE ROD (25) - FRONT AXLE SYSTEM
FIT
1:1
100%

Артикул

Название

Примечание

Количество

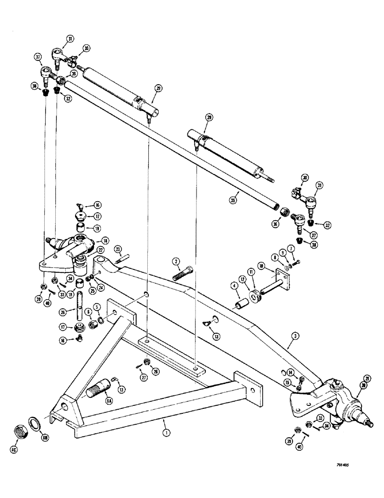
1

L54229

RADIUS ROD - front axle

1шт.

2

A26659

STEP BOLT

BOLT - special, radius frame to front axle

2шт.

3

L13397

AXLE ASSEMBLY - front, Includes: Ref. 4

1шт.

4

L11411

BUSHING

- axle

1шт.

5

92-16

LOCK WASHER,1"

WASHER, LOCK, 1"

2шт.

6

25-1116

NUT,1"-14, G5

- hex. (1" - 14 NF)

2шт.

6a

L48676

AXLE PIN

PIN - pivot, radius, Serial Range: rod-chassis

1шт.

6b

92-20

WASHER,1 1/4"

LOCK, 1 1/4"

1шт.

6c

25-1020

NUT,1 1/4"-7, G5

1шт.

7

13-820

BOLT,Hex, 1/2" - 13 x 1-1/4", Gr 5, Full Thd

2шт.

8

95-8

WASHER,1/2"

- standard wrot 1/2"

2шт.

9

92-8

LOCK WASHER,1/2"

med. sect. 1/2"

2шт.

10

L41585

AXLE PIN

PIN - front axle pivot

1шт.

11

A12089

WASHER,38.89mm ID x 76.2mm OD x 1.9mm Thk

- thrust, axle pivot pin

1шт.

12

R13195

WASHER

- thrust

1шт.

13

219-55

LUBE NIPPLE,90 Degree Elbow, 1/8" - 27 NPTF

NIPPLE, LUBE, 90º, 1/8" NPT x .84" lg

2шт.

14

13-1032

BOLT,Hex, 5/8" - 11 x 2", Gr 5

2шт.

15

425-1410

JAM NUT,Jam, 5/8"-11, G5

- hex., jam (5/8" - 11 NC)

2шт.

16

219-36

LUBE NIPPLE,45 Degree Elbow, 1/8" - 27 NPTF

FITTING - grease, 45 degrees (1/8" NPT)

4шт.

17

A27825

PLUG

- spindle

4шт.

18

L12344

SPINDLE

ASSEMBLY - steering, L.H., Includes: Ref. 19

1шт.

19

L15250

BUSHING

- spindle, kingpin

2шт.

20

L12343

SPINDLE

ASSEMBLY - steering, R.H., Includes: Ref. 21

1шт.

21

L15250

BUSHING

- spindle, kingpin

2шт.

22

A26658

THRUST BEARING,1.26" ID x 2.1875" OD x 0.63"

BEARING - thrust, front axle spindle

2шт.

23

CASL45343

LOCK

- kingpin

2шт.

24

92-8

LOCK WASHER,1/2"

med. sect. 1/2"

2шт.

25

25-118

NUT,1/2"-20, G5

- hex. (1/2" - 20 NF)

2шт.

26

L12264

AXLE PIN

KINGPIN - steering spindle

2шт.

27

132-48

COTTER PIN,1/8" x 1"

Pin, Split (Cotter), 1/8" x 1"

2шт.

28

25-1310

SLOTTED NUT,5/8"-18, G5

NUT - hex., slotted (5/8" - 18 NF)

2шт.

29

A55158

CYLINDER BLOCK

CYLINDER - hydraulic, steering, Parts list Figure 124

2шт.

30

A27080

CLAMP

- cylinder

2шт.

31

L40710

BALL

JOINT - steering cylinder to spindle, Includes: Ref. 32 and 33

2шт.

32

A41424

SEAL

- boot, ball joint

1шт.

33

25-1310

SLOTTED NUT,5/8"-18, G5

NUT - hex., slotted (5/8" - 18 NF)

1шт.

34

132-48

COTTER PIN,1/8" x 1"

Pin, Split (Cotter), 1/8" x 1"

2шт.

35

L46280

TUBE,1.25" OD x 52.3, 1.5" L

- tie rod

1шт.

The production Tube does look like the Artwork. The L46280 has bends in it, snd does replace the production Tube.

1шт.

36

A41511

NUT

- lock, special (R.H. thread)

2шт.

37

L13421

BALL

JOINT - tie rod to spindle (R.H. thread), Includes: Ref. 38 and 39

2шт.

38

A41515

SEAL

- boot, ball joint

1шт.

39

25-1310

SLOTTED NUT,5/8"-18, G5

NUT - hex., slotted (5/8" - 18 NF)

1шт.

40

132-48

COTTER PIN,1/8" x 1"

Pin, Split (Cotter), 1/8" x 1"

2шт.

Выбрано товаров: 44