Запчасти Case 680CK (160) - EQUIPMENT PRIMARY HYDRAULICS, HYDRAULIC TANK TO PUMP AND LOADER VALVE (35) - HYDRAULIC SYSTEMS

Схема запчастей Case 680CK - (160) - EQUIPMENT PRIMARY HYDRAULICS, HYDRAULIC TANK TO PUMP AND LOADER VALVE (35) - HYDRAULIC SYSTEMS
FIT
1:1
100%

Артикул

Название

Примечание

Количество

1

REF

INSTRUCTION

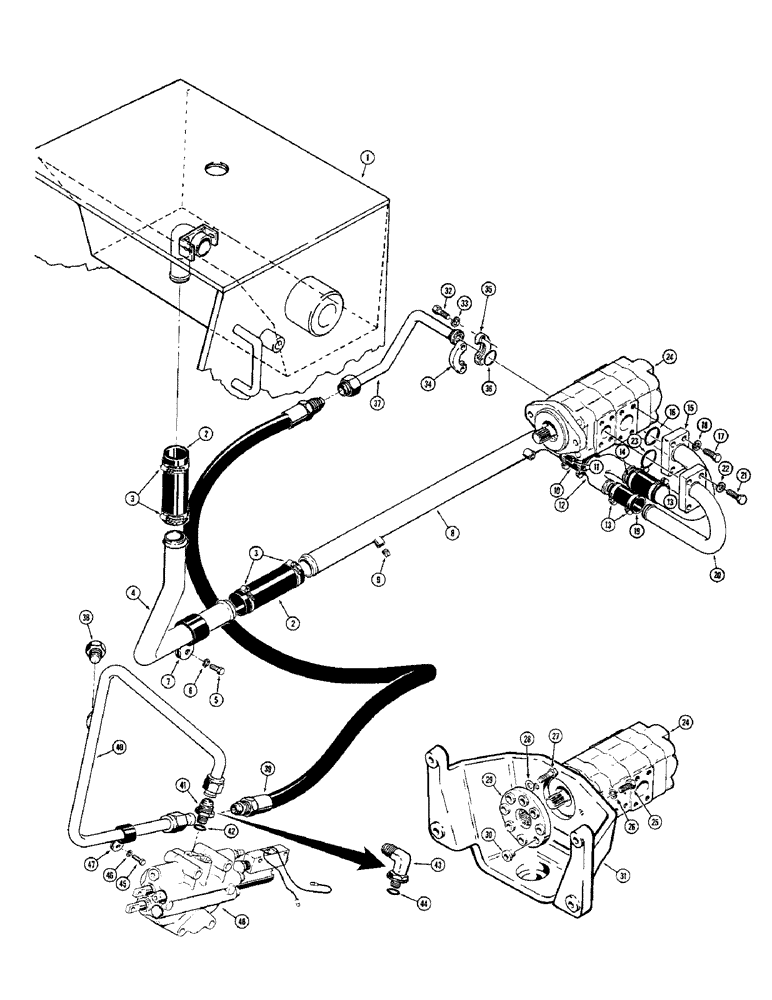
TANK - hydraulic oil reservoir, See Figure 132 for complete chassis

1шт.

2

L25993

HOSE,2.00" ID x 8.00"

2.00 " ID x 8.00", Suction, Rear

2шт.

3

214-260

HOSE CLAMP,#36, 1.81" - 2.75", Type F Worm

4шт.

4

L53080

TUBE - suction, rear 2" OD

1шт.

5

13-610

BOLT,Hex, 3/8" - 16 x 5/8", Gr 5, Full Thd

1шт.

6

92-6

LOCK WASHER,3/8"

med. sect. 3/8"

1шт.

7

R14192

CLAMP,2", Insul, 3/8" Bolt

- suction tube

1шт.

8

L45323

TUBE - suction, front

1шт.

9

221-674

DRAIN PLUG,Sq Hd, 1/2" NPT

PLUG - pipe, magnetic drain (1/2" NPT)

1шт.

10

L40465

HOSE - suction, front (2" I.D. x 4" long)

1шт.

11

214-260

HOSE CLAMP,#36, 1.81" - 2.75", Type F Worm

2шт.

12

L40462

JOINT TURNING

"Y" JOINT - junction, suction, Serial Range: tube-pump

1шт.

13

214-258

HOSE CLAMP,#28, 1.31" - 2.25", Type F Worm

4шт.

14

L19862

HOSE,1.50" ID x 4.00", SAE 100R1

Joint to Pump 1.50" ID x 4.00", SAE 100R1

1шт.

15

L40002

TUBE,1.5" OD x 2.8" L

- suction, joint to pump (1-1/2")

1шт.

16

A14515

O-RING,0.139" Thk x 1.859" ID, -225, Cl 5, 75 Duro

SEAL - "O"ring

1шт.

17

13-828

BOLT,Hex, 1/2" - 13 x 1-3/4", Gr 5

HHCS - 1/2" - 13 NC x 1-3/4"

4шт.

18

92-8

LOCK WASHER,1/2"

med. sect. 1/2"

4шт.

19

R13911

HOSE,31.80 mm ID x 101.60 mm ID, SAE 100R3

- suction, junction to pump 31.80 mm ID x 101.60 mm ID, SAE 100R3

1шт.

20

L40464

TUBE

- suction, junction to pump (1-1/4"

1шт.

21

13-728

BOLT,Hex, 7/16" - 14 x 1-3/4", Gr 5

4шт.

22

92-7

LOCK WASHER,7/16"

med. sect. 7/16"

4шт.

23

T13224

O-RING,1.484" ID x 1.762" OD x 0.139"

SEAL - "O"ring

1шт.

24

L26379

PUMP

- hydraulic, equipment, Parts list Figure 234

1шт.

25

13-824

BOLT,Hex, 1/2" - 13 x 1-1/2", Gr 5, Full Thd

2шт.

26

92-8

LOCK WASHER,1/2"

med. sect. 1/2"

2шт.

27

L11274

LOCK BOLT

BOLT - special, coupling mounting

8шт.

28

195-29

WASHER,7/16"

- plain () 7/16"

8шт.

L16692

COUPLING, BREAK AWAY

COUPLING - pump to crankshaft pulley, Includes: Ref. 29 and 30

1шт.

29

NSS

NOT SOLD SEPARAT

HUB - splined

1шт.

30

G36905

BLOCK

BUSHING - hub

8шт.

31

L46461

BRACKET

- pump and engine mounting

1шт.

32

13-624

BOLT,Hex, 3/8" - 16 x 1-1/2", Gr 5

HHCS - 3/8" - 16 NC x 1-1/2"

4шт.

33

92-6

LOCK WASHER,3/8"

med. sect. 3/8"

4шт.

34

A12306

FLANGE

- split, tube (1")

1шт.

35

L19864

CLAMP

FLANGE - split, tube (1") sheared edge

1шт.

36

A7560

O-RING,0.139" Thk x 1.296" ID, -219, Cl 5, 75 Duro

SEAL - "O"ring, flange

1шт.

37

L53811

TUBE

- pump to loader control valve, order L55736 tube

1шт.

37

L55736

TUBE - pump to loader control valve, at pump 1" OD

1шт.

38

221-655

PLUG,Hex Hd, 3/4"-14

- pipe, hex. head (3/4" NPT)

1шт.

39

L53670

HOSE ASSY.

HOSE - pump to loader control valve (20-1/4" long)

1шт.

40

L54041

TUBE,1" OD

- pump to loader control valve, 2 spool valve only

1шт.

40

L53651

TUBE - pump to loader control valve at valve (Used with 3 spool valve only) 1" OD

1шт.

41

218-5050

HYD CONNECTOR,1-5/16" - 12 Male JIC x 1-1/16" - 12 Male ORB

CONNECTOR, HYD., male, straight (Used with L54041 tube only), Incl. Ref. 42

1шт.

42

218-5008

O-RING,0.116" Thk x 0.924" ID, -912, Cl 6, 90 Duro

SEAL - "O"ring

1шт.

43

218-5124

ELBOW,90 Degree Elbow, 1-5/16" - 12 Male JIC x 1-1/16" - 12 Male ORB

Adjustable (Used with L53651 tube only), Includes: Ref. 44 90º, 1 5/16"-12, 37º x 1 1/16"-12, O-Ring

1шт.

44

218-5008

O-RING,0.116" Thk x 0.924" ID, -912, Cl 6, 90 Duro

SEAL - "O"ring

1шт.

45

13-414

BOLT,Hex, 1/4" - 20 x 7/8", Gr 5, Full Thd

1шт.

46

92-4

LOCK WASHER,1/4"

WASHER, LOCK, 1/4"

1шт.

47

49840

CLAMP

- tube

1шт.

48

REF

INSTRUCTION

VALVE - hydraulic, loader control, See Figure 212 for valve

1шт.

Выбрано товаров: 51