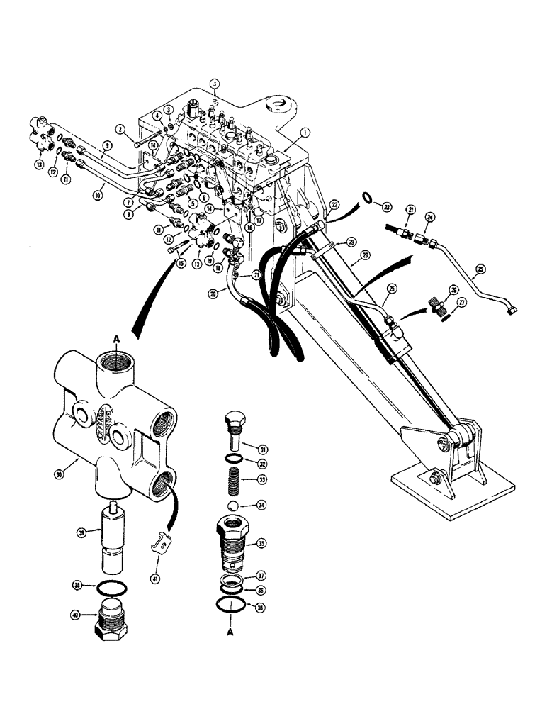
Запчасти Case 680CK (198) - STABILIZER CYLINDER LOCKING VALVES AND RELATED PARTS, L46353 (35) - HYDRAULIC SYSTEMS

Схема запчастей Case 680CK - (198) - STABILIZER CYLINDER LOCKING VALVES AND RELATED PARTS, L46353 (35) - HYDRAULIC SYSTEMS
FIT
1:1
100%

Артикул

Название

Примечание

Количество

1

L53732

LOCK VALVE

VALVE - hydraulic backhoe, Parts list Figure 220

1шт.

2

13-868

BOLT,Hex, 1/2" - 13 x 4-1/4", Gr 5

3шт.

3

95-8

WASHER,1/2"

- standard wrot 1/2"

6шт.

4

92-8

LOCK WASHER,1/2"

med. sect. 1/2"

3шт.

5

218-5070

HYD CONNECTOR,3/4" - 16 Male JIC x 1-1/16" - 12 Male ORB

CONNECTOR - male, straight, Includes: Ref. 6

4шт.

6

218-5008

O-RING,0.116" Thk x 0.924" ID, -912, Cl 6, 90 Duro

SEAL - "O"ring

1шт.

7

L48348

TUBE - control valve to R.H. stabilizer cylinder, closed end 0.5" OD

1шт.

8

L48346

TUBE - control valve to R.H. stabilizer cylinder, rod end

1шт.

9

L48352

TUBE - control valve to L.H. stabilizer cylinder, closed end 0.5" OD

1шт.

10

L48350

TUBE - control valve to L.H. stabilizer cylinder, rod end 0.5" OD

1шт.

11

218-5059

HYD CONNECTOR,3/4"-16, 37 Degree x 3/4"-16, O-Ring

CONNECTOR - male, straight, Incl. Ref 12

4шт.

12

218-5006

O-RING,0.087" Thk x 0.644" ID, -908, Cl 6, 90 Duro

8-1, 90 Duro, .644" ID x .087" Thk

1шт.

13

L46353

VALVE - lock, stabilizer cylinder (Parts list below)

2шт.

14

L47195

PLATE - mounting, lock valve (Welded to mounting frame)

2шт.

15

13-544

BOLT,Hex, 5/16" - 18 x 2-3/4", Gr 5

4шт.

16

92-5

LOCK WASHER,5/16"

med. sect. 5/16"

4шт.

17

1314

WASHER,2 1/16" x 3" x .109"

NUT - hex., lock (5/16" - 18 NC)

4шт.

18

218-5106

90 ELBOW,90 Degree Elbow, 3/4" - 16 Male JIC x 3/4" - 16 Male ORB

Adjustable, Includes: Ref. 19 90º, 3/4"-16, 37º x 3/4"-16, O-Ring

4шт.

19

218-5006

O-RING,0.087" Thk x 0.644" ID, -908, Cl 6, 90 Duro

8-1, 90 Duro, .644" ID x .087" Thk

1шт.

20

L48139

HOSE ASSY.

HOSE - lock valve to stabilizer cylinder (Closed end) 23" long

2шт.

21

L48138

HOSE ASSY.

HOSE - lock valve to stabilizer cylinder (Rod end) 23" long

2шт.

22

D23974

ELBOW

- adjustable, 90 degree (Closed end), Includes: Ref. 23

2шт.

23

237-6010

O-RING,0.097" Thk x 0.755" ID, -910, Cl 6, 90 Duro

SEAL - "O"ring

1шт.

24

218-1038

HYD CONNECTOR,7/8"-14, 37 Degree x 3/8"-18, Fem Pipe

ADAPTER - straight

2шт.

25

L50155

TUBE,0.625" OD x 18.4, 3.5" L

- valve to stabilizer cylinder, rod end

2шт.

26

218-5062

HYD CONNECTOR,7/8"-14, 37 Degree x 7/8"-14, O-Ring

CONNECTOR - male, straight, Includes: Ref. 27

2шт.

27

237-6010

O-RING,0.097" Thk x 0.755" ID, -910, Cl 6, 90 Duro

SEAL - "O"ring

1шт.

28

G33828

CYLINDER

- stabilizer, Parts list Figures 264 and 265A

2шт.

29

214-269

HOSE CLAMP,#72, 4.06" - 5", Type F Worm

CLAMP - tube to cylinder

2шт.

L46353

VALVE - lock, Includes: Ref. 30 - 41

2шт.

30

NSS

NOT SOLD SEPARAT

BODY - valve

1шт.

31

L32951

CAP - valve

1шт.

33

L32954

VALVE SPRING

SPRING - check

1шт.

34

211-12

BALL,7/16 Dia

- check

1шт.

35

L32952

BODY

- check

1шт.

36

16905

O-RING,0.551" ID x 0.07" Width

- "O"ring

1шт.

37

L30012

RING

- backup

1шт.

38

D32110

O-RING

SEAL - "O"ring

2шт.

39

L32956

PISTON ASSY.

PISTON - valve

1шт.

40

L32953

PLUG - special

1шт.

41

L32957

ORIFICE - plate

1шт.

32

218-5004

O-RING,0.072" Thk x 0.414" ID, -905, Cl 6, 90 Duro

5-1, 90 Duro, .414" ID x .072" Thk, seal

1шт.

Выбрано товаров: 42