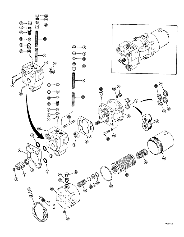
Запчасти Case 780 (200) - TRANSMISSION, REGULATOR, PUMP AND OIL FILTER (06) - POWER TRAIN

Схема запчастей Case 780 - (200) - TRANSMISSION, REGULATOR, PUMP AND OIL FILTER (06) - POWER TRAIN
FIT
1:1
100%

Артикул

Название

Примечание

Количество

L41513

TRANSMISSION ASSEMBLY - complete, Includes: Ref. 1 - 66

1шт.

D55861

TRANSMISSION ASSEMBLY - complete, Includes: Ref. 1 - 66

1шт.

L33557

LOCK VALVE

PRESSURE REGULATOR, CHARGING PUMP AND OIL FILTER ASSEMBLY - transmission

1шт.

L33455

HUB CAP

HUB ASSEMBLY - drive gear, Includes: Ref. 1 - 3

1шт.

1

A59973

SNAP RING,0.50", Int, #50

Ring, Snap, 0.50", Int, #50

1шт.

2

NSS

NOT SOLD SEPARAT

HUB - drive gear

1шт.

3

A18024

RING, SNAP

RING - retaining, external

1шт.

4

N6271

GASKET

- valve body to converter housing

1шт.

5

L33541

O-RING,0.139" Thk x 1.17" ID, -217, Cl 5, 75 Duro

- valve body, 1-3/16" I.D. x 1-7/16" O.D.

1шт.

6

L33542

O-RING,0.139" Thk x 0.796" ID, -211, Cl 7, 75 Duro

- valve body, 1-3/16" I.D. x 1-1/16" O.D.

1шт.

7

L33540

O-RING,0.139" Thk x 0.984" ID, -214, Cl 7, 70 Duro

- valve body, 1" I.D. x 1-1/4" O.D.

1шт.

L33537

VALVE

ASSEMBLY - pressure regulator, with snap ring retained valve stops, if used, Includes: Ref. 8 - 19

1шт.

8

G46150

SNAP RING,0.75", Int, #75

Ring, Snap, , valve stop 0.75", Int, #75

2шт.

9

A18038

STOP

- valve

2шт.

10

A30097

O-RING,0.549" ID x 0.755" OD x 0.103"

- valve stop

2шт.

11

A18004

SPRING

- safety valve

1шт.

12

A18003

PLUNGER

- safety valve

1шт.

13

R15267

RING, SNAP

RING - retaining, valve seat

1шт.

14

L33555

SEAT

- safety valve

1шт.

15

L33553

VALVE

PISTON - valve

1шт.

16

L30048

VALVE SPRING

SPRING - valve, inner

1шт.

17

D76971

SPRING

- valve, outer

1шт.

18

NSS

NOT SOLD SEPARAT

BODY - valve

1шт.

19

L33556

OIL SEAL

- oil, pump drive shaft

1шт.

L33537

VALVE

ASSEMBLY - pressure regulator, with roll pin retained valve stops, if used, Includes: Ref. 20 - 34

1шт.

20

138-83

LOCK PIN,5/32" x 1 3/4", Slotted

PIN, , Valve stop 5/32" x 1 3/4", Slotted

2шт.

21

D59677

STOP

- valve, large

1шт.

22

F62114

O-RING,0.103" Thk x 0.674" ID, -115, Cl 5, 75 Duro

- valve stop, used with D59677 stop

1шт.

23

A18038

STOP

- valve, small

1шт.

24

A30097

O-RING,0.549" ID x 0.755" OD x 0.103"

- valve stop, used with A18038 stop

1шт.

25

A18004

SPRING

- safety valve

1шт.

26

A18003

PLUNGER

- safety valve

1шт.

27

D59678

SEAT

- safety valve

1шт.

28

L33553

VALVE

PISTON - valve

1шт.

29

D76971

SPRING

- valve, outer

1шт.

30

L30048

VALVE SPRING

SPRING - valve, inner

1шт.

31

NSS

NOT SOLD SEPARAT

BODY - valve

1шт.

32

L33556

OIL SEAL

- oil, pump drive shaft

1шт.

33

D59679

SEAT

- safety valve

1шт.

34

138-127

LOCK PIN,1/4" x 1/2", Slotted

PIN, , Valve body to transmission housing 1/4" x 1/2", Slotted

3шт.

35

REFERENCE

SPARE PART

- special, valve to converter housing

4шт.

36

L33539

GASKET,0.71mm Thk

- pump to valve body

1шт.

37

25-117

NUT,7/16"-20, G5

- hex, 7/16" - 20 NF

4шт.

38

92-7

LOCK WASHER,7/16"

4шт.

L33543

PUMP

AND FILTER ASSEMBLY - charging, for service order D73724, Includes: Ref. 39 - 66

1шт.

D61956

FILTER

PUMP AND FILTER ASSEMBLY - charging, for service order D73724, Includes: Ref. 39 - 66

1шт.

D73724

PUMP

AND FILTER ASSEMBLY - charging, Includes: Ref. 39 - 66

1шт.

39

13-724

BOLT,Hex, 7/16" - 14 x 1-1/2", Gr 5

Hex, 7/16"-14 x 1 1/2, G5

4шт.

40

92-7

LOCK WASHER,7/16"

4шт.

L33605

PUMP

ASSEMBLY - charging, used in L33543 pump and filter assembly only, Includes: Ref. 41 - 45

1шт.

41

NSS

NOT SOLD SEPARAT

PUMP - charging

1шт.

42

221-660

PLUG,Hex Hd, 1/16"-27

- hex head, 1/16" NPT

1шт.

43

L33565

SEAL

SEAL - pump shaft

2шт.

44

L33566

GASKET

-, Serial Range: pump-filter

1шт.

45

L33564

RING

SPRING - thrust plate

4шт.

D61957

PUMP

ASSEMBLY - charging, used in D61956 pump and filter assembly only, Includes: Ref. 46 - 49

1шт.

46

NSS

NOT SOLD SEPARAT

PUMP - charging

1шт.

47

L33566

GASKET

-, Serial Range: pump-filter

1шт.

48

L33564

RING

SPRING - thrust plate

8шт.

49

NSS

NOT SOLD SEPARAT

THRUST PLATE AND BEARING ASSEMBLY - order D73724

2шт.

D73725

PUMP

ASSEMBLY - charging, used in D73724 pump and filter only, Includes: Ref. 50 - 53

1шт.

50

NSS

NOT SOLD SEPARAT

PUMP - charging

1шт.

51

L33566

GASKET

-, Serial Range: pump-filter

1шт.

52

D73734

SPRING

- wave

2шт.

53

D73735

RING

SEAL - shaft

2шт.

54

D56466

PLUNGER

ADAPTER - filter plug, if used

1шт.

56

221-662

PLUG,Hex Hd, 1/4"-18

- hex head, 1/4" NPT

1шт.

57

D59680

SUPPORT ASSY.

ADAPTER - filter to pump, used in L33543 or D61956 and pump and filter assemblies only

1шт.

57

D73733

ADAPTER

- filter to pump, used in D73724 pump and filter assembly only

1шт.

58

221-660

PLUG,Hex Hd, 1/16"-27

- hex socket, 1/8" NPT, if used ( replaced 221-849 )

1шт.

58

221-650

PLUG - hex socket, 1/16" NPT, if used

1шт.

59

L33571

VALVE SPRING

SPRING - bypass, filter

1шт.

60

L33572

DISC

- bypass, filter

1шт.

61

L33573

SEAT

- bypass disc, filter

1шт.

62

R16289

SNAP RING,1.06", Int, #106

Ring, Snap, , seat 1.06", Int, #106

1шт.

D52932

FILTER, ELEMENT

KIT - filter element, Includes: Ref. 63 and 64

1шт.

63

D31954

O-RING,0.139" Thk x 4.11" ID, -243, Cl 5, 75 Duro

- filter housing

1шт.

64

NSS

NOT SOLD SEPARAT

ELEMENT - filter

1шт.

65

L33570

SPRING

- oil filter element

1шт.

66

L33569

HOUSING

- filter

1шт.

55

218-5006

O-RING,0.087" Thk x 0.644" ID, -908, Cl 6, 90 Duro

- adapter, if used

1шт.

Выбрано товаров: 81